HMC742

过期

6位数字可变增益放大器,采用SMT封装,0.5 - 4 GHz

Viewing:

概述

  • 增益控制:-19至12.5 dB,步长为0.5 dB
  • 上电状态选择
  • 高输出IP3: +39 dBm
  • TTL/CMOS兼容串行、并行或锁存并行控制
    Parallel, or Latched Parallel Control
  • 增益步长误差:±0.25 dB(典型值)
  • +5V单电源
  • 32引脚5 x 5 mm SMT封装: 25 mm²

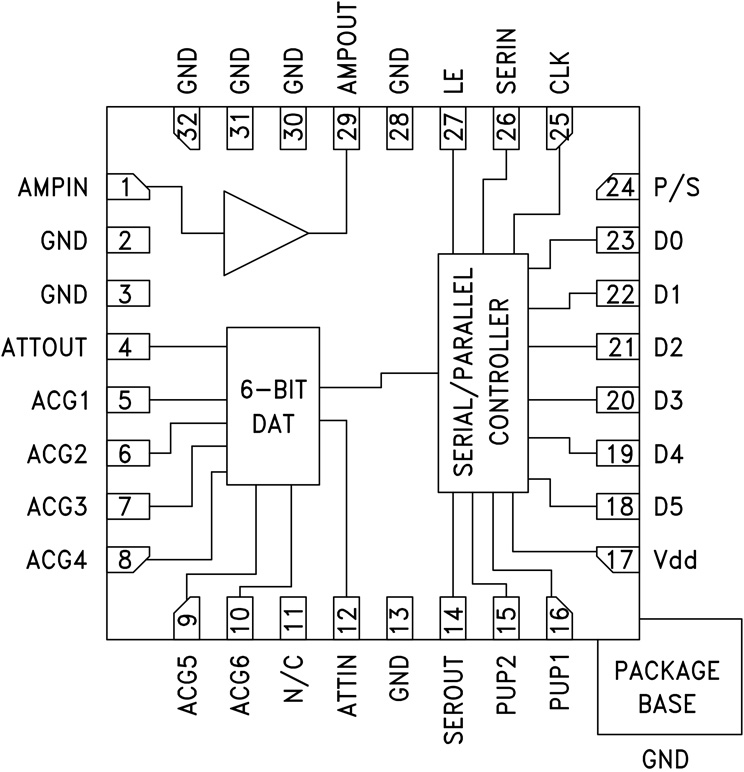
HMC742是一款数字控制可变增益放大器,工作频率范围为0.5 GHz至4 GHz,可编程为以0.5 dB步长提供-19 dB衰减至12.5 dB增益。 HMC742在最大增益状态下的噪声系数为4 dB,任意状态下的输出IP3高达+39 dBm。 双模增益控制接口支持三线式串行输入或6位并行字。 HMC742还具有用户可选上电状态和串行输出,从而级联其他Hittite串行控制组件。 HMC742采用符合RoHS标准的5x5 mm QFN无引脚封装,所需外部元件极少。

应用

  • 蜂窝/3G基础设施
  • WiBro / WiMAX / 4G
  • 微波无线电和VSAT
  • 测试设备和传感器
  • IF和RF应用

推荐替代产品

HMC742A 推荐用于新设计

0.5 dB LSB GaAs MMIC 6位数字可变增益放大器,采用SMT封装,0.07 - 4 GHz

HMC742

6位数字可变增益放大器,采用SMT封装,0.5 - 4 GHz

hmc742lp5_fbl
添加至 myAnalog

将产品添加到myAnalog 的现有项目或新项目中(接收通知)。

创建新项目
提问

参考资料

了解更多
添加至 myAnalog

Add media to the Resources section of myAnalog, to an existing project or to a new project.

创建新项目

软件资源

找不到您所需的软件或驱动?

申请驱动/软件

硬件生态系统

部分模型 产品周期 描述
HMC742A 推荐用于新设计
0.5 dB LSB GaAs MMIC 6位数字可变增益放大器,采用SMT封装,0.07 - 4 GHz
Modal heading
添加至 myAnalog

将产品添加到myAnalog 的现有项目或新项目中(接收通知)。

创建新项目

最新评论

需要发起讨论吗? 没有关于 HMC742的相关讨论?是否需要发起讨论?

在EngineerZone®上发起讨论

近期浏览