HMC665

过期

集成IF和LO放大器的SMT混频器,0.7 - 1.2 GHz

Viewing:

概述

  • 高输入IP3: +23 dBm
  • 低输入LO驱动: -3至+6 dBm
  • 高LO至RF隔离: 36 dB
  • 高转换增益: 10 dB
  • 上变频或下变频
  • 24引脚4x4mm SMT封装: 16mm²

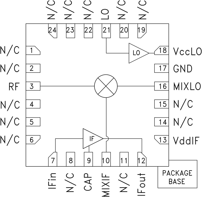
HMC665LP4E是一款高度集成的转换器IC,工作频率范围为0.7至1.2 GHz,可用于上变频和下变频应用。 HMC665LP4E集成高动态范围、无源双平衡混频器内核,内置LO和IF放大器,是GSM、WCDMA、TD-SCDMA、WiBro和WiMAX等紧凑型收发机应用的理想之选。

这款多功能转换器RFIC工作时具有低至-3 dBm的低LO输入功率电平,提供高达10 dB转换增益,在下变频模式下具有+23 dBm输入IP3。 该RFIC在上变频模式下具有高达11 dB转换增益。 针对上变频器和下变频器模式提供特定的评估板。

应用

  • 蜂窝/3G和WiMAX/LTE/4G基础设施
  • 基站和中继器
  • 宽带和固定无线
  • 接入点
  • 测试和测量设备

 


HMC665

集成IF和LO放大器的SMT混频器,0.7 - 1.2 GHz

hmc665lp4_fbl
添加至 myAnalog

将产品添加到myAnalog 的现有项目或新项目中(接收通知)。

创建新项目
提问

参考资料

了解更多
添加至 myAnalog

Add media to the Resources section of myAnalog, to an existing project or to a new project.

创建新项目

软件资源

找不到您所需的软件或驱动?

申请驱动/软件

工具及仿真模型


评估套件

EVAL-HMC665LP4
HMC665LP4评估板

最新评论

需要发起讨论吗? 没有关于 HMC665的相关讨论?是否需要发起讨论?

在EngineerZone®上发起讨论

近期浏览