HMC5445
过期GaAs pHEMT MMIC 1 W功率放大器,24 - 27 GHz
- 产品模型
- 2
Viewing:
概述
- 饱和输出功率:
+31.5dBm (23% PAE) - 高输出IP3: +40 dBm
- 高增益: 26 dB
- 直流电源: +6V (750 mA)
- 无需外部匹配
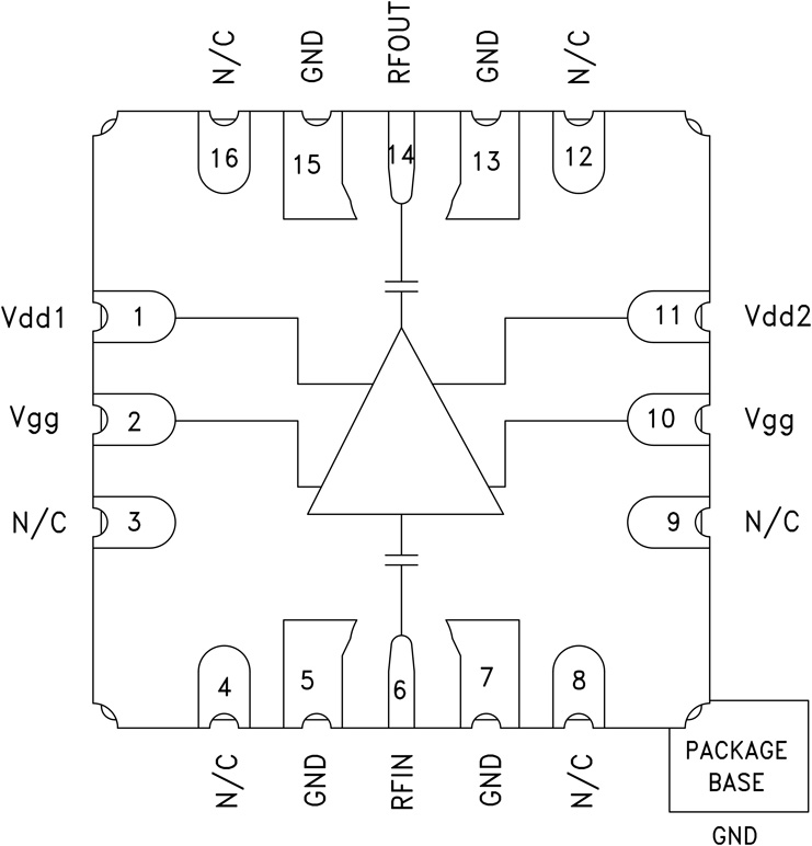
- 16引脚6x6 mm SMT陶瓷封装
HMC5445LS6是一款三级GaAs pHEMT MMIC 1 W功率放大器,工作频率范围为24至27 GHz。 HMC5445LS6提供26 dB增益,+31 dBm饱和输出功率和18% PAE(+6V电源)。 隔直RF I/O匹配50 Ω,可轻松集成到多功能模块(MFM)中。 HMC5445LS6无需线焊,可以使用表贴制造技术。
应用
- 点对点无线电
- 点对多点无线电
- VSAT
- 军事和太空
参考资料
质量文档 2
ADI 始终高度重视提供符合最高质量和可靠性水平的产品。我们通过将质量和可靠性检查纳入产品和工艺设计的各个范围以及制造过程来实现这一目标。出货产品的“零缺陷”始终是我们的目标。查看我们的质量和可靠性计划和认证以了解更多信息。
| 产品型号 | 引脚/封装图-中文版 | 文档 | CAD 符号,脚注和 3D模型 |
|---|---|---|---|
| HMC5445LS6 | 16-Lead LCC (6mm x 6mm w/EP) | ||
| HMC5445LS6TR | 16-Lead LCC (6mm x 6mm w/EP) |
| 产品型号 | 产品生命周期 | PCN |
|---|---|---|
|
1月 11, 2017 - 16_0010 Discontinuance of Select RF and Microwave Products |
||
| HMC5445LS6 | 过期 | |
| HMC5445LS6TR | 过期 | |
这是最新版本的数据手册
软件资源
找不到您所需的软件或驱动?
申请驱动/软件评估套件
最新评论
需要发起讨论吗? 没有关于 HMC5445的相关讨论?是否需要发起讨论?
在EngineerZone®上发起讨论