HMC-C065

过期

50 Gbps,AND/NAND/OR/NOR模块

产品技术资料帮助

ADI公司所提供的资料均视为准确、可靠。但本公司不为用户在应用过程中侵犯任何专利权或第三方权利承担任何责任。技术指标的修改不再另行通知。本公司既没有含蓄的允许,也不允许借用ADI公司的专利或专利权的名义。本文出现的商标和注册商标所有权分别属于相应的公司。

Viewing:

概述

  • 支持最高50 Gbps的数据速率
  • 输入内部端接50Ω电阻
  • 支持单端或差分工作
  • 低功耗: 560mW
  • 加性RMS抖动低于200 fs
  • -3.3V单电源
  • 密封模块:1.85mm连接器
  • 工作温度范围为-40°C至+70°C

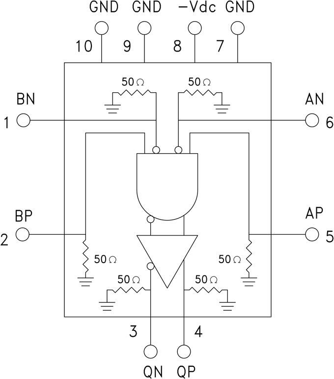
HMC-C065是一个AND/NAND/OR/NOR门功能模块,支持最高50 Gbps的数据传输速率。 HMC-C065可以简单配置,提供以下任何逻辑功能: AND、NAND、OR或NOR。 HMC-C065的所有输入信号都通过50 Ω电阻片上端接到地,并支持直流或交流耦合。

HMC-C065的差分输出可以为直流或交流耦合。 输出可以直接连接到50 Ω接地端接系统,如果采用50 Ω端接至非接地直流电压,则可以使用隔直电容。 HMC-C065采用单个-3.3V直流电源供电,封装在密封模块中,带有1.85mm连接器。

应用

  • OC-768和SDH STM-256设备
  • 串行数据传输高达50 Gbps
  • 最高50 Gbps的数字逻辑系统
  • 宽带测试和测量

HMC-C065
50 Gbps,AND/NAND/OR/NOR模块
hmc-c065_fbl
添加至 myAnalog

将产品添加到myAnalog 的现有项目或新项目中(接收通知)。

创建新项目
提问

参考资料

数据手册 1

了解更多
添加至 myAnalog

Add media to the Resources section of myAnalog, to an existing project or to a new project.

创建新项目

最新评论

需要发起讨论吗? 没有关于 HMC-C065的相关讨论?是否需要发起讨论?

在EngineerZone®上发起讨论

近期浏览