ADSP-21160N

量产

100 MHz高性能32位SHARC DSP

产品技术资料帮助

ADI公司所提供的资料均视为准确、可靠。但本公司不为用户在应用过程中侵犯任何专利权或第三方权利承担任何责任。技术指标的修改不再另行通知。本公司既没有含蓄的允许,也不允许借用ADI公司的专利或专利权的名义。本文出现的商标和注册商标所有权分别属于相应的公司。

Viewing:

概述

  • 内核指令速率:100 MHz (10.5 ns)
  • 单循环指令执行,两个计算单元均支持SIMD工作模式
  • 峰值性能:570 MFLOPS;持续性能:380 MFLOPS(基于FIR)
  • 双通道数据地址生成器(DAG),采用模和位反转寻址方式
  • 通过EEE 1149.1 JTAG标准测试的访问端口和片内仿真
  • 零开销循环、单循环环路配置,提供高效程序序列化
  • 400引脚27 x 27 mm公制PBGA封装
  • 单指令多数据(SIMD)架构,提供两个计算处理单元,支持并行执行,与ADSP-2106x SHARC DSP系列具有汇编代码兼容性

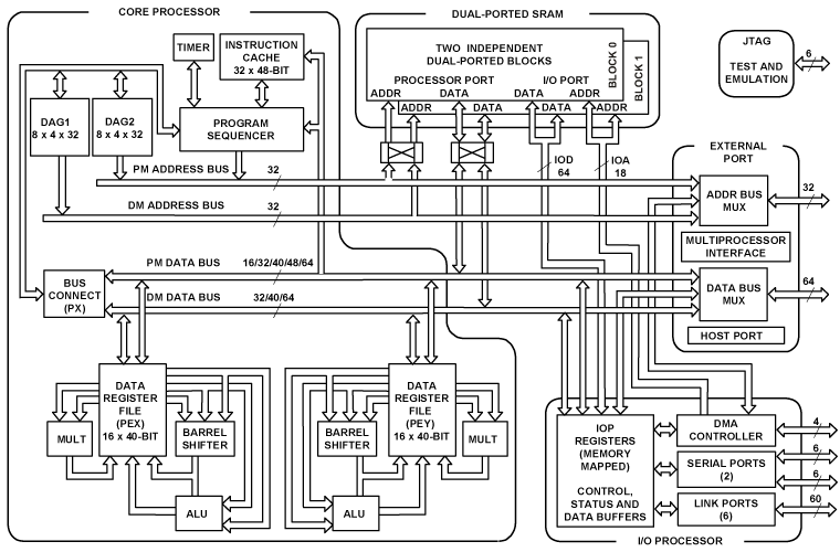
ADSP-21160N SHARC® DSP是ADSP-21160系列中的第二款产品,采用0.18微米CMOS工艺制成,在性能和功耗上均优于其前款产品ADSP-21160M。ADSP-21160N具有极佳的便携性,在SISD(单指令单数据)模式下与第一代ADSP-2106x SHARC DSP应用源代码兼容。为了充分发挥该款处理器强大的SIMD(单指令多数据)功能,需要对代码进行一些更改。与其他SHARC一样,ADSP-21160N是一款针对高性能DSP应用而优化过的32位处理器。ADSP-21160N包括一个100 MHz内核、一个双端口片内SRAM、一个支持多处理的集成I/O处理器以及旨在消除I/O瓶颈的多个内部总线。

ADSP-21160N引入了单指令多数据(SIMD)处理模式。利用两个计算单元(ADSP-2106x SHARC DSP只有一个),ADSP-21160N在一系列DSP算法上的表现比ADSP-2106x高出一倍。

ADSP-21160N秉承了SHARC行业领先的DSP集成标准,使一个高性能32位DSP内核与多种集成式片内系统功能完美结合。这些特色功能包括一个4MB双端口SRAM存储器、一个主机处理器接口、一个支持14个DMA通道的I/O处理器、两个串行端口、六个链路端口、一个外部并行总线和无缝多处理。

ADSP-21160N
100 MHz高性能32位SHARC DSP
ADSP-21160N Functional Block Diagram
添加至 myAnalog

将产品添加到myAnalog 的现有项目或新项目中(接收通知)。

创建新项目
提问

参考资料

数据手册 1

用户手册 1

应用笔记 35

处理器手册 4

产品亮点 1

集成电路异常 1

旧模拟器手册 2

了解更多
添加至 myAnalog

Add media to the Resources section of myAnalog, to an existing project or to a new project.

创建新项目

软件资源


工具及仿真模型

SHARC Processors Software and Tools

打开工具

BSDL 模型文件 1

IBIS 模型 1


评估套件

eval board
EMULATOR-USB & HP USB ICE

基于USB的仿真器和基于USB的高性能仿真器

特性和优点

  • 全速USB 1.1接口支持高达150 KB/S的下载速度(ADZS-USB-ICE),高速USB 2.0接口支持高达1.5 MB/s的下载速度(ADZS-HPUSB-ICE)
  • 后台遥测通道(BTC)支持以高达2.0 MB/S的速度实现非介入式数据交换(仅限ADZS-HPUSB-ICE)
  • 兼容并可耐受1.8 V、2.5 V和3.3 V电压
  • 支持所有ADI JTAG处理器和DSP
  • 耐受5 V电压,兼容3.3 V电压,支持5 V处理器和DSP
  • 支持多处理器
  • 14引脚JTAG连接器
  • 3米USB电缆用于连接难以触及的目标
  • CE认证

产品详情

针对ADI公司JTAG处理器和DSP,ADI公司的高性价比、基于通用串行总线(USB)的仿真器和高性能(HP)、基于USB的仿真器提供简单易用、便携式、非介入、有针对性的调试解决方案。 这些基于USB的仿真器功能齐全、功效强,包括可预定义断点的单步和全速执行,以及查看和/或修改寄存器和存储器内容。 USB和HP USB仿真器能够自动检测和支持多种I/O电压,使得用户可以利用主机PC上的全速USB 1.1或高速USB 2.0端口,与ADI公司的所有JTAG处理器和DSP通信。 可以轻松快捷地测试应用程序和数据,并在仿真器与VisualDSP++开发与调试环境(另售)之间进行传输。

USB结构具有即插即用特性,因而主机操作系统可以自动检测和配置仿真器。 同样,无需开关机,便可将仿真器与主机相连或断开连接。 附送3米电缆用于连接仿真器和主机PC,以便轻松访问难以触及的目标。

基于USB的高性能仿真器还支持后台遥测通道(BTC),这是一种用于在主机与目标应用程序之间交换数据的非介入式方法,不影响目标系统的实时特性。

产品型号:
基于USB的仿真器
产品型号:ADZS-USB-ICE
基于USB的高性能仿真器
产品型号: ADZS-HPUSB-ICE

工具支持:
电话: 1-800-ANALOGD (262-5643)
联系支持中心

欲了解其它信息,请联系当地的ADI公司 办事处或代理商

EMULATOR-USB & HP USB ICE
基于USB的仿真器和基于USB的高性能仿真器

最新评论

需要发起讨论吗? 没有关于 ADSP-21160N的相关讨论?是否需要发起讨论?

在EngineerZone®上发起讨论

近期浏览