ADH871S

不推荐用于新设计

DC to 20 GHz, EA Optical Modulator Driver

产品技术资料帮助

ADI公司所提供的资料均视为准确、可靠。但本公司不为用户在应用过程中侵犯任何专利权或第三方权利承担任何责任。技术指标的修改不再另行通知。本公司既没有含蓄的允许,也不允许借用ADI公司的专利或专利权的名义。本文出现的商标和注册商标所有权分别属于相应的公司。

Viewing:

概述

  • Wide Supply Range from +5V to +8V
  • Adjustable Output Amplitude up to 4 Vp-p
  • Low Additive RMS Jitter, < 300 fs
  • Low DC Power Consumption: 0.25 W for VOUT = 2.5 Vp-p at Vdd = 5V
  • 32 Lead 5 mm x 5 mm SMT package
  • Screened with guidelines to MIL-PRF-38535, Class Level S

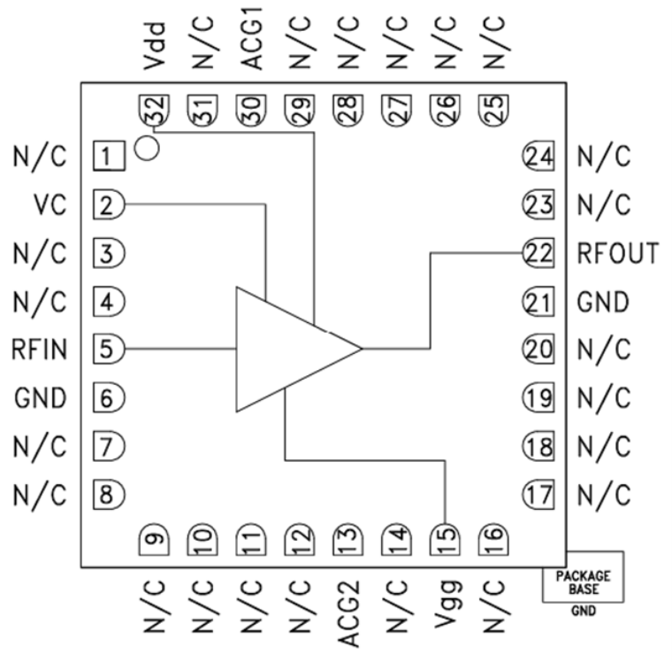
The ADH871S is a GaAs MMIC PHEMT EA optical modulator driver that operates between DC and 20 GHz and provides 15 dB of gain. The output swing cross point is adjustable and saturated output swing is 4 Vp-p. Gain flatness is excellent at 0.5 dB as well as very low additive RMS jitter of 300 fs for 10 Gbps operation.

The ADH871S provides VSR and Gigabit Ethernet designers with scalable power dissipation for varying output drive requirements (<0.25 W at VOUT = 2.5 Vp-p and <0.6 W at VOUT = 4 Vp-p). The ADH871S has a very wide supply (Vdd) operating range from +5V to +8V and the I/Os are internally matched to 50 Ohms.

Applications

  • SONET OC-192 & SDH-STM-64 Transmission Systems
  • 10 GbE Transmitters
  • 10 Gbps VSR Modules
  • Pre-driver for 40 Gbps DQPSK Modules
  • Broadband Gain Block Test and Measurement Equipment
  • Military & Space

ADH871S
DC to 20 GHz, EA Optical Modulator Driver
HMC6127LC5 SID
添加至 myAnalog

将产品添加到myAnalog 的现有项目或新项目中(接收通知)。

创建新项目
提问

参考资料

了解更多
添加至 myAnalog

Add media to the Resources section of myAnalog, to an existing project or to a new project.

创建新项目

最新评论

需要发起讨论吗? 没有关于 ADH871S的相关讨论?是否需要发起讨论?

在EngineerZone®上发起讨论

近期浏览