ADH524AS

过期

Aerospace, GaAs, MMIC, I/Q Mixer, 22 GHz to 32 GHz

产品技术资料帮助

ADI公司所提供的资料均视为准确、可靠。但本公司不为用户在应用过程中侵犯任何专利权或第三方权利承担任何责任。技术指标的修改不再另行通知。本公司既没有含蓄的允许,也不允许借用ADI公司的专利或专利权的名义。本文出现的商标和注册商标所有权分别属于相应的公司。

Viewing:

概述

  • Passive: No dc bias required
  • Conversion loss: 9 dB (typical).
  • Image rejection: 20 dB (typical).
  • LO to RF isolation: 35 dB (typical)
  • LO to IF isolation: 25 dB (typical)
  • IP3: 18 dBm (typical)
  • P1dB: 17 dBm (typical)
  • IF frequency: dc – 4.5 GHz
  • Screened with guidelines to MIL-PRF-38535, Class Level S

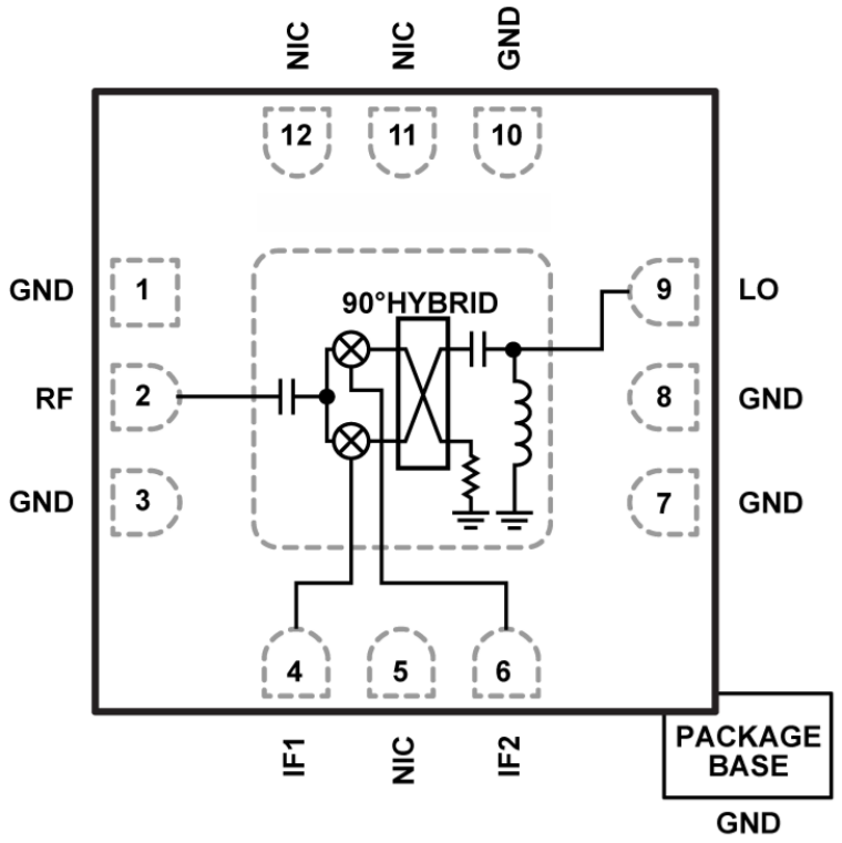
The ADH524AS is a compact gallium arsenide (GaAs), monolithic microwave integrated circuit (MMIC), in phase quadrature (I/Q) mixer in a leadless RoHS compliant surface-mount (SMT) ceramic package. This device can be used as either an image reject mixer or a single-sideband upconverter. The mixer uses two standard, double balanced mixer cells and a 90° hybrid coupler fabricated in a GaAs, metal–semiconductor field effect transistor (MESFET) process. A low frequency quadrature hybrid produces a 100 MHz IF output. This device is a much smaller alternative to hybrid style image reject mixers and single-sideband upconverter assemblies.

Applications

  • Point-to-Point Radios
  • Point-to-Multi-Point Radios
  • VSAT
  • Sensors
  • Military & Space

ADH524AS
Aerospace, GaAs, MMIC, I/Q Mixer, 22 GHz to 32 GHz
HMC8443LC3B SID
添加至 myAnalog

将产品添加到myAnalog 的现有项目或新项目中(接收通知)。

创建新项目
提问

参考资料

了解更多
添加至 myAnalog

Add media to the Resources section of myAnalog, to an existing project or to a new project.

创建新项目

软件资源

找不到您所需的软件或驱动?

申请驱动/软件

最新评论

需要发起讨论吗? 没有关于 ADH524AS的相关讨论?是否需要发起讨论?

在EngineerZone®上发起讨论

近期浏览