ADI 中国在线商城焕新登场
支持非整包购买、人民币支付、报关无忧、在线客服专业高效!
ADG804
量产0.5 Ω、CMOS、1.65 V至3.6 V、4通道多路复用器
- 产品模型
- 3
概述
- 导通电阻:0.5 Ω(典型值)
- 导通电阻:0.8 Ω(最大值,125°C)
- 工作电压:1.65 V至3.6 V
- 汽车应用温度范围:–40°C至+125°C
- 高载流能力:300 mA连续电流
- 轨到轨开关工作
- 快速开关时间:< 25 ns
- 典型功耗:<0.1 μW
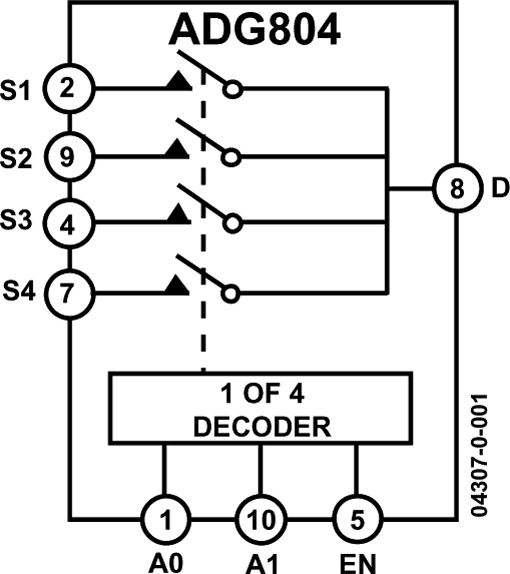
ADG804是一款低压CMOS多路复用器,内置4个单通道。在整个温度范围内,该器件具有小于0.8 Ω的超低导通电阻。采用2.7 V至3.6 V电源供电时,数字输入可以处理1.8 V逻辑。
ADG804根据3位二进制地址线A0、A1和EN所确定的地址,将四路输入之一切换至公共输出D。当EN引脚为逻辑0时,该器件将被禁用。ADG804为先开后合式开关。
ADG804额定电源电压为3.3 V、2.5 V和1.8 V,采用10引脚MSOP封装。
参考资料
数据手册 1
用户手册 1
产品选型指南 1
ADI 始终高度重视提供符合最高质量和可靠性水平的产品。我们通过将质量和可靠性检查纳入产品和工艺设计的各个范围以及制造过程来实现这一目标。出货产品的“零缺陷”始终是我们的目标。查看我们的质量和可靠性计划和认证以了解更多信息。
| 产品型号 | 引脚/封装图-中文版 | 文档 | CAD 符号,脚注和 3D模型 |
|---|---|---|---|
| ADG804YRMZ | 10-Lead MSOP | ||
| ADG804YRMZ-REEL | 10-Lead MSOP | ||
| ADG804YRMZ-REEL7 | 10-Lead MSOP |
| 产品型号 | 产品生命周期 | PCN |
|---|---|---|
|
3月 22, 2021 - 21_0001 Addition of Amkor Philippines as an Alternate Site for Singulated MSOP and MSOP_EP |
||
| ADG804YRMZ | 量产 | |
| ADG804YRMZ-REEL | 量产 | |
| ADG804YRMZ-REEL7 | 量产 | |
|
8月 19, 2020 - 20_0174 ADG811, ADG812, ADG836, ADG836L, ADG804 Ron specification changes |
||
| ADG804YRMZ | 量产 | |
| ADG804YRMZ-REEL | 量产 | |
| ADG804YRMZ-REEL7 | 量产 | |
|
10月 30, 2017 - 15_0176 Assembly Transfer of Select 8/10L MSOP Products to Amkor Philippines |
||
| ADG804YRMZ | 量产 | |
| ADG804YRMZ-REEL | 量产 | |
| ADG804YRMZ-REEL7 | 量产 | |
|
5月 15, 2012 - 10_0006 Halogen Free Material Change for mini SOIC Products |
||
| ADG804YRMZ | 量产 | |
| ADG804YRMZ-REEL | 量产 | |
| ADG804YRMZ-REEL7 | 量产 | |
|
10月 28, 2011 - 11_0072 ADG804 Wafer Fab location Transfer |
||
| ADG804YRMZ | 量产 | |
| ADG804YRMZ-REEL | 量产 | |
| ADG804YRMZ-REEL7 | 量产 | |
这是最新版本的数据手册
软件资源
找不到您所需的软件或驱动?
申请驱动/软件工具及仿真模型
LTspice
LTspice中提供以下器件型号:
- ADG804
LTspice®是一款强大高效的免费仿真软件、原理图采集和波形观测器,为改善模拟电路的仿真提供增强功能和模型。
评估套件
最新评论
需要发起讨论吗? 没有关于 ADG804的相关讨论?是否需要发起讨论?
在EngineerZone®上发起讨论