ADG732
量产32通道、4 Ω 1.8 V至5.5 V、±2.5 V、模拟多路复用器
- 产品模型
 - 4
 
概述
- 1.8 V至5.5 V单电源供电
 - ±2.5 V双电源供电
 - 导通电阻:4 Ω(25°C时,+5 V单电源/±2.5 V双电源)
 - 导通电阻平坦度:0.5 Ω(25°C 时,+5 V单电源/±2.5 V双电源)
 
- 轨到轨工作
 - 转换时间:23 ns(典型值,25°C时)
 - 单通道32:1多路复用器
 - 双通道/差分16:1多路复用器
 - TTL/CMOS兼容型输入
 - 48引脚TQFP或48引脚7 mm × 7 mm LFCSP封装
 
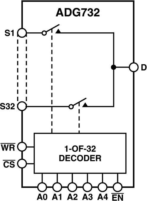
ADG726/ADG732 分别为单芯片互补金属氧化物半导体(CMOS)32通道和双路16通道模拟多路复用器。ADG732根据5位二进制地址线A0、A1、A2、A3和A4所确定的地址,将32路输入(S1至S32)之一切换至公共输出D。ADG726根据4位二进制地址线A0、A1、A2和A3所确定的地址,对16路输入之一实施切换。
片内锁存器有利于与微处理器实现接口。通过将CSA和CSB连接在一起,ADG726还可配置为差分工作模式。该器件提供EN输入,用来使能或禁用器件。禁用时,所有通道均关断。
这些多路复用器采用先进的亚微米工艺设计,具有低功耗、高开关速度、极低导通电阻和泄漏电流特性。它们采用+1.8 V至+5.5 V单电源和±2.5 V双电源工作,非常适合各种应用。导通电阻大约为几欧姆,开关之间严格匹配,并且在整个信号范围内,导通电阻曲线非常平坦。这些器件可用作多路复用器或解复用器,具有出色的性能,输入信号范围可扩展至电源电压范围。在断开条件下,达到电源电压的信号电平被阻止。所有通道均采用先开后合式开关,防止开关通道时发生瞬时短路。
ADG726/ADG732提供48引脚LFCSP或48引脚TQFP两种封装。对于功能相当、带串行接口的器件,请参考ADG725/ADG731。
产品特色
- +1.8 V至+5.5 V单电源或±2.5 V双电源供电。
保证性能的额定电源电压为+5 V ± 10%和+3 V ± 10%(单电源)和±2.5 V ± 10%(双电源轨)。 - 导通电阻为4 Ω。
 - 保证先开后合式开关动作。
 - 48引脚LFCSP或48引脚TQFP封装。
 
应用
- 光学应用
 - 数据采集系统
 - 通信系统
 - 继电器替代方案
 - 音频和视频开关
 - 电池供电系统
 - 医疗仪器
 - 自动测试设备(ATE)
 
参考资料
数据手册 1
技术文章 3
产品选型指南 1
ADI 始终高度重视提供符合最高质量和可靠性水平的产品。我们通过将质量和可靠性检查纳入产品和工艺设计的各个范围以及制造过程来实现这一目标。出货产品的“零缺陷”始终是我们的目标。查看我们的质量和可靠性计划和认证以了解更多信息。
| 产品型号 | 引脚/封装图-中文版 | 文档 | CAD 符号,脚注和 3D模型 | 
|---|---|---|---|
| ADG732BCPZ | 48-Lead LFCSP (7mm x 7mm w/ EP) | ||
| ADG732BCPZ-REEL | 48-Lead LFCSP (7mm x 7mm w/ EP) | ||
| ADG732BSUZ | 48-Lead TQFP (7mm x 7mm) | ||
| ADG732BSUZ-REEL | 48-Lead TQFP (7mm x 7mm) | 
| 产品型号 | 产品生命周期 | PCN | 
|---|---|---|
| 
                                                            6月 9, 2021 - 20_0126 Conversion of Select Sizes LFCSP Products from Punched to Sawn and Transfer of Assembly Site to ASE Korea  | 
                                                    ||
| ADG732BCPZ | 量产 | |
| ADG732BCPZ-REEL | 量产 | |
| 
                                                            9月 13, 2017 - 16_0077 CANCELLED: Conversion of Select 4x4, 5x5, 6x6 and 7x7mm LFCSP Package Outlines from Punch to Sawn and Transfer of Assembly Site to ASE Korea.  | 
                                                    ||
| ADG732BCPZ | 量产 | |
| ADG732BCPZ-REEL | 量产 | |
| 
                                                            2月 8, 2010 - 04_0080 Qualification of the 8" C6 and Q Wafer Fab Processes at Analog Devices, Limerick, Ireland.  | 
                                                    ||
| ADG732BCPZ | 量产 | |
| ADG732BSUZ | 量产 | |
| ADG732BSUZ-REEL | 量产 | |
| 
                                                            1月 5, 2009 - 07_0077 Certification of STATSChipPAC Shanghai, China and AMKOR Philippines as additional sources for Assembly & Test of QFP Packages  | 
                                                    ||
| ADG732BSUZ | 量产 | |
| ADG732BSUZ-REEL | 量产 | |
这是最新版本的数据手册
软件资源
找不到您所需的软件或驱动?
申请驱动/软件工具及仿真模型
IBIS 模型 1
最新评论
需要发起讨论吗? 没有关于 ADG732的相关讨论?是否需要发起讨论?
在EngineerZone®上发起讨论