ADCLK854
推荐用于新设计1.8 V、12 LVDS/24 CMOS输出的低功耗时钟扇出缓冲器
- 产品模型
- 2
概述
|
|
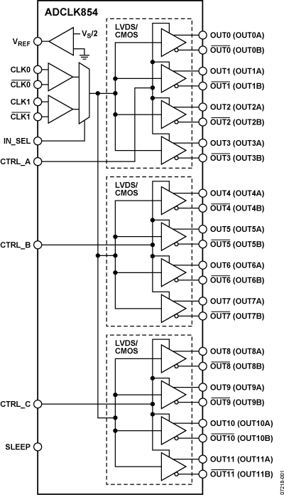
ADCLK854是一款1.2 GHz/250 MHz LVDS/CMOS扇出缓冲器,针对低抖动、低功耗应用进行了优化。其配置范围为12 LVDS至24 CMOS输出,包括LVDS和CMOS输出组合。三条控制线用于确定固定输出块(3/4组)为LVDS输出还是CMOS输出。
ADCLK854提供两路可选输入和休眠模式特性。IN_SEL引脚状态确定被扇出至所有输出的输入。SLEEP引脚可使能休眠模式,以关断器件。
包括LVPECL、LVDS、HSTL、CML、CMOS在内的各种单端和差分逻辑电平均可作为输入。表8列出了各类连接的接口选项。
该器件采用48引脚LFCSP封装,额定工作温度范围为−40°C至+85°C(标准工业温度范围)。
应用
- 低抖动时钟分配
- 时钟与数据信号恢复
- 电平转换
- 无线通信
- 有线通信
- 医疗和工业成像
- 自动测试设备(ATE)和高性能仪器仪表
参考资料
数据手册 1
用户手册 1
应用笔记 1
技术文章 3
常见问题 1
教程 1
产品选型指南 1
ADI 始终高度重视提供符合最高质量和可靠性水平的产品。我们通过将质量和可靠性检查纳入产品和工艺设计的各个范围以及制造过程来实现这一目标。出货产品的“零缺陷”始终是我们的目标。查看我们的质量和可靠性计划和认证以了解更多信息。
| 产品型号 | 引脚/封装图-中文版 | 文档 | CAD 符号,脚注和 3D模型 |
|---|---|---|---|
| ADCLK854BCPZ | 48-Lead Lead Frame Chip Scale Package [LFCSP] | ||
| ADCLK854BCPZ-REEL7 | 48-Lead Lead Frame Chip Scale Package [LFCSP] |
| 产品型号 | 产品生命周期 | PCN |
|---|---|---|
|
1月 7, 2026 - 24_0009 Qualification of Alternative Wafer Fab for TSMC 0.18um Mixed Signal CMOS Process |
||
| ADCLK854BCPZ | 量产 | |
| ADCLK854BCPZ-REEL7 | 量产 | |
|
6月 9, 2021 - 20_0126 Conversion of Select Sizes LFCSP Products from Punched to Sawn and Transfer of Assembly Site to ASE Korea |
||
| ADCLK854BCPZ | 量产 | |
| ADCLK854BCPZ-REEL7 | 量产 | |
|
5月 12, 2017 - 16_0077 Conversion of Select 4x4, 5x5, 6x6 and 7x7mm LFCSP Package Outlines from Punch to Sawn and Transfer of Assembly Site to ASE Korea. |
||
| ADCLK854BCPZ | 量产 | |
| ADCLK854BCPZ-REEL7 | 量产 | |
这是最新版本的数据手册
软件资源
找不到您所需的软件或驱动?
申请驱动/软件工具及仿真模型
ADCLK854 IBIS Models 2
- ADCLK854 LVDS IBIS Model, Ver 3.2
- ADCLK854 CMOS IBIS Model, Ver 3.2
ADIsimCLK设计与评估软件
ADIsimCLK是一款专门针对ADI公司的超低抖动时钟分配和时钟产生产品系列而开发的设计工具。无论是在无线基础设施、仪器仪表、网络、宽带、自动测试设备领域,还是在其它要求可预测时钟性能的应用,ADIsimCLK都能帮助您迅速开发、评估和优化设计。
打开工具评估套件
最新评论
需要发起讨论吗? 没有关于 ADCLK854的相关讨论?是否需要发起讨论?
在EngineerZone®上发起讨论