ADA4424-6

量产

6通道标清/增强/高清视频滤波器,内置电荷泵

产品技术资料帮助

ADI公司所提供的资料均视为准确、可靠。但本公司不为用户在应用过程中侵犯任何专利权或第三方权利承担任何责任。技术指标的修改不再另行通知。本公司既没有含蓄的允许,也不允许借用ADI公司的专利或专利权的名义。本文出现的商标和注册商标所有权分别属于相应的公司。

Viewing:

概述

  • 3个标清通道;1 dB带宽:17.5 MHz(典型值)
  • 3个增强/高清通道;1 dB带宽:25 MHz/36 MHz(典型值)
  • 固定增益:6.2 dB (2.042 V/V)
  • 片上负电源支持输出耦合,无需电容
    极低的输出引脚上直流失调电压
  • Y和C通道内部相加,以便提供CVBS输出
  • 针对亮度通道的灵活输入直流失调电压消除功能
  • 支持D端子(EIAJ RC-5237 D5)和S端子(S1/S2)
  • 能够同时驱动2个后部端接的75 Ω视频负载
  • 标清部分和增强/高清部分均有独立的省电引脚
  • 38引脚TSSOP封装
  • 符合“索尼绿色伙伴环境质量认证计划”要求

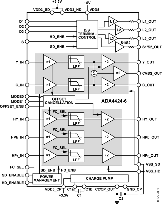
ADA4424-6是一款高性能视频重构滤波器,专为消费类电子应用而设计。它由两部分组成:一是标清(SD)部分,含有2个五阶巴特沃兹滤波器;一是高清(HD)部分,含有3个五阶滤波器。标清部分含有一个内部Y/C加法器,以便提供CVBS输出;高清部分则提供可选转折频率,用于增强(ED)或高清(HD)信号。

ADA4424-6滤波器/缓冲器部分采用3.3 V单电源供电。它完全支持D端子(EIAJ RC-5237 D5)和S1/S2信令,并提供5 V电源专用引脚。标清部分和高清部分均有独立的使能引脚。

ADA4424-6的亮度通道(Y_IN、HY_IN)能够检测和消除最高1.1 V的直流输入失调电压;共有四种不同的检测/消除模式可用。

ADA4424-6的输出驱动器提供轨到轨输出,增益为6.2 dB。片上电荷泵使输出摆幅可以达到地电压以下1.4 V,因而无需较大耦合电容。各路输出均能驱动两条75 Ω双端接电缆。

ADA4424-6采用38引脚TSSOP封装,工作温度范围为−40°C至+85°C工业温度范围。

应用
  • DVD播放器/刻录机
  • 机顶盒
  • 投影仪
  • 个人摄像机

ADA4424-6
6通道标清/增强/高清视频滤波器,内置电荷泵
ADA4424-6 Functional Block Diagram
添加至 myAnalog

将产品添加到myAnalog 的现有项目或新项目中(接收通知)。

创建新项目
提问

参考资料

了解更多
添加至 myAnalog

Add media to the Resources section of myAnalog, to an existing project or to a new project.

创建新项目

软件资源

找不到您所需的软件或驱动?

申请驱动/软件

最新评论

需要发起讨论吗? 没有关于 ADA4424-6的相关讨论?是否需要发起讨论?

在EngineerZone®上发起讨论

近期浏览