MAX4928B

最后购买期限

DisplayPort/PCIe无源开关

MAX4928A/MAX4928B能够实现GMCH与PCIe 2.0插槽或DisplayPort连接器之间的信号切换

产品技术资料帮助

ADI公司所提供的资料均视为准确、可靠。但本公司不为用户在应用过程中侵犯任何专利权或第三方权利承担任何责任。技术指标的修改不再另行通知。本公司既没有含蓄的允许,也不允许借用ADI公司的专利或专利权的名义。本文出现的商标和注册商标所有权分别属于相应的公司。

Viewing:

概述

  • +3.3V单电源电压
  • 支持PCIe Gen I、Gen II以及DisplayPort
    • 数据速率高于5Gbps
  • 优异的回波损耗指标:2.5GHz下高于12dB
  • 集成六路双向开关对
    • 在单芯片实现所有切换
  • 低电源电流:800µA (最大值)
  • 小尺寸5mm x 11mm、56引脚TQFN封装
  • 引脚兼容于工业标准产品

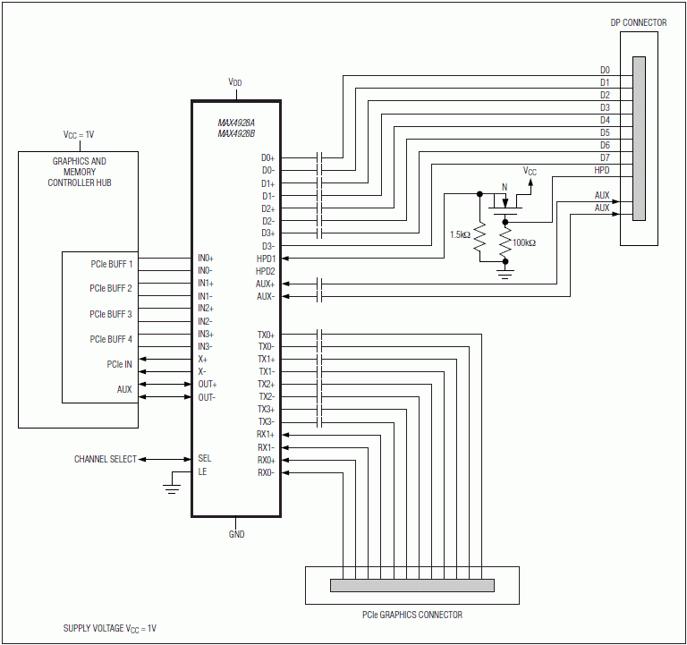
MAX4928A/MAX4928B高速无源开关可在台式机或笔记本电脑的两个接收端之间切换PCI Express® (PCIe)数据和/或DisplayPort™信号。MAX4928A设计用于ATX主板、MAX4928B设计用于BTX主板。

MAX4928A/MAX4928B是六路双刀/双掷(6 x DPDT)开关MAX4928A/MAX4928B具有一个数字控制输入(SEL),用于切换信号路径;一个锁存输入(LE)用于将开关保持在给定状态。

MAX4928A/MAX4928B工作于+3.3V (典型值)单电源。MAX4928A/MAX4928B采用工业标准的5mm x 11mm、56引脚TQFN封装;这两款器件均工作在-40°C至+85°C扩展级温度范围。

应用

  • 台式PC
  • 笔记本PC

MAX4928B
DisplayPort/PCIe无源开关
MAX4928A、MAX4928B:典型工作电路
添加至 myAnalog

将产品添加到myAnalog 的现有项目或新项目中(接收通知)。

创建新项目
提问

参考资料

了解更多
添加至 myAnalog

Add media to the Resources section of myAnalog, to an existing project or to a new project.

创建新项目

软件资源

找不到您所需的软件或驱动?

申请驱动/软件

最新评论

需要发起讨论吗? 没有关于 MAX4928B的相关讨论?是否需要发起讨论?

在EngineerZone®上发起讨论

近期浏览