AD9144

推荐用于新设计

四通道、16 位、2.8 GSPS、TxDAC+® 数模转换器

产品技术资料帮助

ADI公司所提供的资料均视为准确、可靠。但本公司不为用户在应用过程中侵犯任何专利权或第三方权利承担任何责任。技术指标的修改不再另行通知。本公司既没有含蓄的允许,也不允许借用ADI公司的专利或专利权的名义。本文出现的商标和注册商标所有权分别属于相应的公司。

Viewing:

概述

  • 支持输入数据速率超过1 GSPS
  • 专有低杂散与失真设计
    6载波GSM IMD = 77 dBc(75 MHz IF时)
    SFDR = 82 dBc(DC IF、-9dBFS时)
    灵活的 8通道JESD204B接口
    支持双DAC模式(2.8GSPS时)
  • 多芯片同步
    固定延迟
    数据发生器延迟补偿
  • 可选1x、2x、4x、8x插值滤波器
    低功耗架构
  • 输入信号功率检测
    用于保护下游模拟电路的紧急制动功能
  • 发射使能功能可进一步省电
  • 高性能、低噪声锁相环(PLL)时钟倍频器
  • 数字反sinc滤波器
  • 低功耗: 1.6 W (1.6 GSPS),1.7 W (2.0 GSPS),全部工作条件下
  • 88引脚LFCSP(带裸露焊盘)

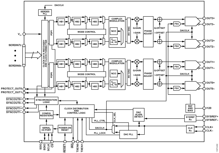
AD9144是一款四通道、16位、高动态范围数模转换器(DAC),提供2.8 GSPS最高采样速率,可以产生高达奈奎斯特频率的多载波。 DAC输出经过优化,可以与ADI公司的ADRF672x模拟正交调制器(AQM)无缝接口。可选三线式或四线式串行端口接口(SPI)允许对许多内部参数进行编程和回读。 满量程输出电流可以在13.9 mA至27.0 mA典型范围内进行编程。 AD9144提供88引脚LFCSP封装。

产品特色

  1. 高于1 GHz的超宽复信号带宽,支持新兴的宽带和多频带无线应用。
  2. 先进的低杂散与失真设计技术,从基带到高中频的宽带信号可以实现高质量合成。
  3. 支持JESD204B子类1,可简化软件和硬件设计中的多芯片同步。
  4. 对于具有串行器/解串器(SERDES) JESD204B 8通道接口的数据接口宽度,引脚更少。
  5. 可编程发射使能功能有助于轻松实现功耗与唤醒时间之间的设计平衡。
  6. 小型封装,尺寸为12 mm × 12 mm。

应用

  • 无线通信
    3G/4G W-CDMA基站
    宽带中继器
    软件定义无线电
  • 宽带通信
    点对点
    本地多点分配服务(LMDS),以及多通道多点分配服务(MMDS)
  • 发射分集、多路输入/多路输出(MIMO)
  • 仪器仪表
  • 自动测试设备

AD9144
四通道、16 位、2.8 GSPS、TxDAC+® 数模转换器
AD9144 Typical Application Diagrams AD9144 Functional Block Diagram AD9144 Pin Configuration AD9144 Pin Configuration
添加至 myAnalog

将产品添加到myAnalog 的现有项目或新项目中(接收通知)。

创建新项目
提问

参考资料

了解更多
添加至 myAnalog

Add media to the Resources section of myAnalog, to an existing project or to a new project.

创建新项目

软件资源


硬件生态系统

部分模型 产品周期 描述
扇出缓冲器和分路器 2
LTC6955 最后购买期限 超低抖动 7.5GHz 11 输出扇出缓冲器系列
HMC7043 推荐用于新设计

高性能、3.2 GHz、14输出扇出缓冲器

时钟IC 3
LTC6952 最后购买期限 具有 11 个输出并支持 JESD204B / JESD204C 协议的超低抖动、4.5GHz PLL
HMC7044 推荐用于新设计 带JESD204B接口的高性能、3.2 GHz、14路输出抖动衰减器
LTC6953 最后购买期限 具有 11 个输出并支持 JESD204B/JESD204C 协议的超低抖动、4.5GHz 时钟分配器
Modal heading
添加至 myAnalog

将产品添加到myAnalog 的现有项目或新项目中(接收通知)。

创建新项目

工具及仿真模型

Virtual Eval - BETA

Virtual Eval是一款网络应用程序,可帮助设计人员评估ADC和DAC产品。 利用ADI公司服务器上的详细模型,Virtual Eval在几秒内可仿真关键部件的性能特征。 对工作条件(如输入音和外部抖动)以及器件特性(如增益或数字下变频)进行配置。 性能特征包括噪声、失真和分辨率、FFT、时序图、频率响应图等。

打开工具

IBIS 模型 1

AD9144/AD9152/AD9154/AD9135/AD9136 AMI Model Download

打开工具

DAC Companion Transport Layer RTL Code Generator

These command line executable tool generates a Verilog module which implements the JESD204 transmitter transport layer. The user specifies in a configuration file one or more modes to be supported by the transport layer module. These modes are defined as a set of JESD204 parameter values: L, M, F, S, N', and CF. The transport layer converts JESD204 lane data output from a JESD204 link layer IP to a data bus with a fixed width, containing interleaved virtual converter samples. Both JESD204B and JESD204C link layers are supported.

打开工具

AD9144 Simulink ADIsimDAC Model

打开工具
LTspice

LTspice®是一款强大高效的免费仿真软件、原理图采集和波形观测器,为改善模拟电路的仿真提供增强功能和模型。


评估套件

eval board
ADS8-V1EBZ

ADS8-V1 评估板

特性和优点

  • Xilinx Kintex Ultrascale XCKU040-3FFVA1156E FPGA
  • (1)FMC+连接器。
  • (1)FMC+连接器支持的二十(20)16Gbps收发器。
  • DDR4 SDRAM
  • 简单的USB 3.0端口接口。

产品详情

连接到指定的 ADI 高速 ADC 评估板时,ADS8-V1 可用作数据采集板。ADS8-V1 上的 FPGA 设计用于支持最高速 JESD204B 模数转换器,可充当数据接收器,同时 ADC 为数据发射器。

eval board
AD-FMCDAQ2-EBZ

AD-FMCDAQ2-EBZ 评估板

特性和优点

  • 包括原理图、布局、BOM、Gerber文件、HDL、Linux®驱动程序、IIO示波器、VisualANALOG
  • 尺寸兼容FMC
  • 通过FMC连接器供电
  • 提供两个ADC通道和两个DAC通道,具有完全的同步能力

产品详情

AD-FMCDAQ2-EBZ模块由AD9680(双通道、14位、1.0 GSPS、JESD204B ADC)、AD9144(四通道、16位、2.8 GSPS、JESD204B DAC)、AD9523-1(14输出、1GHz时钟)和电源管理组件组成。 它通过FMC连接器和内部生成的载波平台提供时钟信号,包括完全自足的数据采集和信号合成原型制作平台。 该模块采用FMC尺寸(84 mm × 69 mm),将宽带数据转换、时钟和电源结合在一起,非常接近用于系统原型开发和设计的实际软硬件,而信号链性能不受影响。

应用

  • 电子测试与测量设备
  • 通用软件无线电
  • 雷达系统
  • 超宽带卫星接收机
  • 点对点通信系统

eval board
EVAL-AD9144

AD9144 评估板

产品详情

用于四通道、16位2.8 GSPS、TxDAC+数模转换器AD9144的评估板,该转换器提供最高2.8 GSPS采样速率,可以产生高达奈奎斯特频率的多载波。 DAC输出经过优化,可以与ADI公司的ADRF672x模拟正交调制器(AQM)无缝接口。四线式串行端口接口可对许多内部参数进行编程和回读。 满量程输出电流可以在14 mA至26 mA范围内进行编程。

eval board
ADS7-V2EBZ

基于FPGA的数据采集套件

特性和优点

  • 基于Virtex-7 FPGA
  • 一(1)个FMC-HPC连接器
  • 支持十(10)个13.1 Gbps收发器
  • 两(2)个DDR3-1866 DIMM
  • 简单USB端口接口(2.0)



产品详情

ADS7-V2评估板开发用于评估ADI公司采用JESD204B、位速率高达13.1 Gbps的高速ADC、DAC和收发器。以下列出的快速入门Wiki知识库在大体上概述了该平台情况。此外用独立章节逐个介绍了该板的每个用例(例如,ADS7-V2用于高速ADC评估)。ADS7-V2只能与指定的ADI公司评估板一同使用。ADS7-V2不可用作开发平台,也不支持独立运行。有关FPGA开发套件,请咨询Xilinx和其认可的代理商

ADS8-V1EBZ
ADS8-V1 评估板
ADS8-V1EBZANGLE-web ADS8-V1EBZBOTTOM-web ADS8-V1 Evaluation Board (top)
AD-FMCDAQ2-EBZ
AD-FMCDAQ2-EBZ 评估板
AD-FMCDAQ2-EBZ Block Diagram AD-FMCDAQ2-EBZ - top view AD-FMCDAQ2-EBZ - bottom view
EVAL-AD9144
AD9144 评估板
AD9144-FMC-EBZ Evaluation Board - Top View AD9144-FMC-EBZ Evaluation Board - Bottom View AD9144-FMC-EBZ Evaluation Board - Angle View AD9144-FMC-EBZ KIT - Top View AD9144-FMC-EBZ KIT Evaluation Board - Angle View
ADS7-V2EBZ
基于FPGA的数据采集套件
ADS7-V2EBZ

最新评论

近期浏览