Thought Leadership
蓄電システムにより、電気自動車用の高速充電インフラを強化
概要
自動車の市場では、電気自動車(EV)のシェアがより高まっています。いずれは、EVが内燃エンジン車の地位を引き継ぐことになるでしょう。それに伴い、直流(DC)高速充電ステーションが旧来のガソリン・スタンドに取って代わるか、あるいは両者の統合が進むはずです。そうした充電ステーションへの電力供給には、太陽光や風力などの再生可能エネルギーが利用されるようになるでしょう。しかし、人々はEVの充電に15分もかけたいとは思いません。また、1つしかない充電パイルの前で順番待ちの行列を作りたくはないはずです。
複数の充電パイルを用意する場合、グリッド(送電網)から充電する際のピークの電力量は1MWを超えます。そうすると、グリッドの多くの個所で障害が発生してしまう可能性があります。そのような事態を引き起こさないようにするには、どうすればよいでしょうか。そのためには、はるかに高いベース・ロード(基礎負荷)に対応できるように、送電線や中央発電所を改善しなければなりません。このことは、巨額の投資が必要になるということを意味します。また、そのような負荷は瞬間的に発生するので、再生可能エネルギーによって断続的に生成されるエネルギーの利用法にも工夫が必要になります。
この問題は、蓄電システムを構築することによって、シンプルかつエレガントに解決することができます。内燃エンジン車の時代には、ガソリンやガスのような流体としてエネルギーを保存しておき、必要なとき(給油時)にそれらを利用できるようにしていました。それと同じような考え方で、電子や化学物質を使用して電気エネルギーをバッテリに蓄えるのです。そのエネルギーを使用してEVの充電環境を増強すれば、ピークの電力量を抑制してグリッドを安定させたり、停電が発生した際に電力を供給できるようにしたりすることが可能になります。
自動車の市場には大きな変化が訪れています。2020年には300万台近いEVが販売され、総台数が8000万台に達する見込みです。この数字を見て、人によってはEVの市場はまだ小さなものだと感じるかもしれません。しかし、EVの販売台数は、2025年に最大1000万台に達する見込みです。また、2040年には5000万台を超え、総台数は1億台まで急成長すると予想されています。そうすると、2040年までに販売される自動車の50%がEVに置き換わることになります。それらすべての車両を対象として充電が行えるようにしなければならないのです。そのための方法は、いくつか考えられます。例えば、単純な電源ボックス(wall box)を使用して、自宅で一晩かけてゆっくり充電する方法があります。その場合、電源ボックスの代わりに、太陽光発電(PV:Photovoltaics)システムと蓄電用バッテリを組み合わせた数kW規模の住宅用DCチャージャを使用することもできるでしょう。あるいは、充電パイルを使用して高速に充電する方法や、将来の燃料ステーションによって超高速に充電する方法も考えられます。
成長しているのはEVの市場だけではありません。再生可能エネルギーを利用する発電の市場も、PVシステムを中心として活況を呈しています。この市場では、過去10年の間に約80%の価格低下が実現されています。脱CO2の動きも活発になっていることから、現在も順調に成長を続けています。現在、PVによる発電量は、全世界の発電量の5%に満たない状況にあります。しかし、2050年には、PVによる発電量が1/3以上を占めるようになると予想されています。
将来的には、PVや風力発電などによって断続的に生成されるエネルギーを使って、EVのような断続的な負荷に充電する仕組みも必要になります。それに向けては、グリッドを中央に位置するエネルギーのエコシステムにおいて、新たな要素をどのようにして組み合わせるのかといったことが課題になります。EVなどの断続的な負荷を対象とする場合、大きなピーク電力量に対応するために、より大規模な送電線が必要になります。
PVの普及が進めば、グリッドに対する需要が過大にならないようにしつつ、人々がより簡単に電気を利用できるようにするために、中央の発電所の運用方法にも変化が訪れるでしょう。そして、住宅用のPVシステムにより、自宅で発電した電力を自家利用するケースがますます増えていくはずです。
すべてが円滑に連携して動作し、再生可能エネルギー源やゼロエミッションのEVの恩恵を享受できるようにするには、蓄電システム(ESS:Energy Storage System)を導入する必要があります。ESSを使用すれば、需要が少ない時間帯に発電した電気エネルギーを蓄えて再利用することが可能になります。例えば、昼間に発電したPVエネルギーを夜間に使用するといった具合です。また、ESSを採用すれば、余ったエネルギーを使用することが可能になり、グリッドのバランスを維持することにも貢献できます。
ESSは、燃料タンクや石炭の貯蔵庫に相当する電気設備です。住宅の分野、産業の分野を問わず、多くのアプリケーションで利用できます。住宅の分野では、PV用のインバータを蓄電池に接続することで、家庭でエネルギーを保存したり使用したりすることができるようになります。もちろん、昼間の太陽光によって生成したエネルギーを使用し、一晩かけてEVを充電するということも可能です。グリッドに接続されるサービスなど、産業や公共事業のような大規模な用途においても、ESSは様々な目的で活用できます。例えば、PVや風力発電で生成したエネルギーのレギュレーションやエネルギーの裁定取引などに利用可能です。また、バックアップのサポートやブラック・スタート(ディーゼル発電機の排除)などにも利用できます。そして、最も重要なメリットとしては、トータル・コストの観点から投資を先送りできることが挙げられます。グリッドのノードにおけるピーク電力に対応するためにESSを活用することで、多大なコストをかけて既存の送電線を刷新する必要がなくなるのです。もう1つの重要な用途は、オフグリッドの電力源としての活用法です。ESSを利用することにより、マイクログリッドや島しょにおける電力の自給自足が可能になるのです。
可能性のあるすべてのアプリケーションを考慮すると、ESSの市場は現在の10GWの電力、20GWhの電力量(ワット時)というレベルから急速に成長を遂げると考えられます。具体的には、2045年までに1000GWの電力、2000GWhの電力量というレベルに達する見込みです。
以下では、EVの充電用インフラにおけるESSの活用法に焦点を絞ることにします。
AC充電用のインフラは、個人向けであっても公共向けであっても簡素なものになります。ただ、いずれの場合も電力に関する制限が存在します。レベル1のACチャージャの場合、120VACで動作し、最大2kWの電力を供給できます。レベル2の場合、240VACで動作し、最大20kWの電力供給に対応可能です。いずれにせよ、ACからDCへの電力変換は、車両に実装されたチャージャを使って行う必要があります。AC電源ボックスは、チャージャというよりも、計測/保護のための機器だと言えます。車両に実装されるチャージャは、コスト、サイズ、重量に関する制限により、定格は必ず20kW未満に設定されています。
一方、DC充電であれば、ACよりもはるかに高い電力でEVを充電することができます。レベル3のチャージャの定格は最大450VDC/150kWです。最新のスーパー・チャージャ(レベル4に相当)では、800VDC/350kWを超える定格も許容されます。なお、出力コネクタを車両に差し込む際の安全性を確保するために、電圧の上限値は1000VDCに設定されています。DCチャージャを使用する場合、電圧変換は充電パイルで行われます。そして、充電パイルと自動車のバッテリを直接接続することでDC電力が供給されます。この方法であれば、自動車にチャージャを実装する必要はありません。そのため、占有スペースと重量の削減という面でメリットが得られます。ただ、現状は過渡期の段階にあり、EVの充電用インフラとしては国/地域ごとに異なる種類のものが使用されています。ほとんどのEVは、11kWに対応する小型のチャージャを搭載しており、必要に応じてACのコンセントから充電できるようになっています。
充電用の電力を増やすにはどうすればよいのでしょうか。電流はケーブルのサイズやコストに見合う範囲内に維持しなければならないので、電力を増やすには動作電圧を高める必要があります。また、充電ステーションを設置するマイクログリッドやサブグリッドのサイズを適切に決定し、適切な設計を行う必要があります。
ここで、2030年の時点における充電ステーションがどのようなものになっているのか考えてみます。その頃には、自動車の燃料としては電子が利用されるのが当たり前になり、送電線と呼ばれるパイプによって電子がやり取りされるようになっているとします。送電線は、トランスを介して中電圧(MV:medium voltage)に対応するグリッドに接続されます。現在、自動車の燃料は地下の大きなタンクに貯蔵されており、タンクローリーによって定期的に燃料ステーションに運ばれています。電子は新たな種類の燃料ですが、それをグリッドから常に利用できるようにするのは、特に難しくはなく、何ら問題のないことのようにも思えます。しかし、15分もかからずにEVを充電できるようにしたい場合、単純な方法ではサステナブルな手段にはなりません。
ここでは、5基のDC充電パイルを備え、それぞれが最大500kWのピーク電力を出力できる充電ステーションを想定します。充電ステーションのサイズを決める際に考慮すべき最も厳しい状況は、5台のEVを対象として完全に空になったバッテリを同時に充電するケースです。計算を簡素化するために、電力変換段とバッテリ充電経路で生じる損失はゼロであると仮定します(電力チェーン全体の小さな電力損失に対し、どのような設計が必要になるのかということについては後ほど説明します)。
現在市場に出回っている完全なEVは、30kWh~120kWhのバッテリを搭載しています。そこで、5台のEVは、それぞれ75kWhのバッテリを搭載しているものとします。10%充電されている状態から80%まで充電する必要があるとすると、必要な電力量は次式で表されます。

262.5kWhのエネルギーをグリッドからEVに15分で伝送する必要があるとすると、以下に示す電力が必要であることがわかります。

つまり、グリッドからEVに対し、1MWを上回る電力を15分間で供給する必要があるということです。リチウム・イオン・バッテリの充電プロセスには、定電流、定電圧の充電プロファイルが必要です。バッテリを80%まで充電するためには、最後の20%を充電するよりも多くの電力が必要です。この例では、最大電力を想定して80%で充電を停止するものとします。
充電ステーションが設置されているグリッド/サブグリッドは、断続的に1MWを超えるピーク電力に対応しなければなりません。この問題に対処するためには、複雑ではあるものの非常に高い効率が得られるアクティブ力率補正(PFC)段が実装されます。それにより、周波数に影響を及ぼしたり、不安定な状態に陥ったりすることなく、グリッドを効率が高い状態に確実に維持するのです。このことは、低電圧の充電ステーションを中電圧のグリッドに接続するために、非常に高価なトランスを使用しなければならないということも意味します。加えて、生じ得るピーク電力に対応できるように、発電所から充電ステーションへ電力を伝送する送電線のサイズも適切に決定しなければなりません。充電ステーションにおいて、自動車、トラック、バスが混在する状態で充電が行われる場合には、必要な電力も増えます。
最もシンプルで、最もコストがかからない解決策は、太陽光や風力などの再生可能エネルギー源を使ってローカルで発電した電力を使用することです。この方法であれば、新たな送電線や大きなトランスは必要ありません。また、電力が余っている充電ステーションに直接接続することも可能になり、グリッドだけに頼る必要がなくなります。現実的には、100kW~500kWのPVシステムを、充電ステーションまたは充電ステーションが接続されているサブグリッドの近くに設置すればよいでしょう。
PVシステムは500kWの電力を供給することができ、グリッドに要求される電力を500kWに制限することができます。しかし、PVシステムからの電力供給は断続的になる可能性があり、電力を常時供給できるとは限りません。そのため、グリッドが不安定になる可能性が生じます。また、太陽が最大限に照りつけているとき以外、自動車を最速で充電することはできないということになります。これは、ユーザが望んでいる状況ではありません。つまり、この方法はサステナブルなものではないということです。
上述したパワー・エレクトロニクスのパズルに欠けているピースがESSです。ESSは、今日のガソリン・スタンドの地下燃料タンクのような役割を果たします。また、大型のバッテリのようなものだと考えることもできるでしょう。ESSを使用すれば、再生可能エネルギー源からのエネルギーを蓄えることができます。蓄えたエネルギーはグリッド/充電パイルに供給することが可能です。ESSの重要な特徴は、グリッドの低電圧側で動作し、双方向性を有していることです。この新たな設備では、再生可能エネルギー源、EV用の充電パイル、ESSのバッテリを1500VDCのDCバスで結ぶことが目標になります。また、ピーク電力とエネルギー容量のバランスが最適になるように、ESSのサイズを適切に設定する必要もあります。この設定は、太陽光や風力などのエネルギー源を利用するローカル発電の規模、充電パイルの数、サブグリッドに接続されている他の負荷、電力変換システムの効率に大きく依存します。
先述した数値に基づくと、ESSは500kWh~2.5MWhの電力量と最大2MWのピーク電力に対応しなければなりません。
充電ステーションでは、エネルギー源、負荷、エネルギー・バッファが重要な構成要素となります。これらについて定義した上で、充電ステーションのエネルギー経路を形成する4つの電力変換システムについて分析を実施する必要があります(図2)。
4つの電力変換システムは、いずれも定格が1000VDC~1500VDCのメインのDCバスに接続されます。必要な電力が多いほど、DCバスの電圧を高くする必要があります。ただ、今後20年間は1500VDCが業界標準の値になるはずです。より高い電圧を採用することも可能ですが、それに伴い、安全に関する規制、電力部品、システム設計に関連する複雑な問題が生じます。その結果、現在利用可能な技術を適用するだけでは効率が低下してしまうでしょう。但し、パワー・スイッチや保護システムなどに関する新技術については、10年以内に2000VDC以上への移行に対応できるようになる可能性があります。
次に、PV用のインバータについて考えると、2つの電力段が存在することがわかります。PVパネルからDCバスへ向かう電力経路には、DC/DCコンバータの機能が存在します。また、PVパネルからACバスを経由してグリッドへ向かう電力経路には、DC/ACインバータの機能が設けられます。ここではDC/DC変換段の機能がより重要になります。AC/DC変換段は、DCバスからACグリッドへ向かうメインの双方向PFCインバータに統合できるからです。最先端のパワー・エレクトロニクス設計を考えると、最高の効率を得るには、SiCベースのパワーMOSFETを中心にして変換段を設計することになるでしょう。それにより、シリコン・ベースのIGBT(Insulated Gate Bipolar Transistor)と比較して、効率が5%(最大負荷時)~20%(部分負荷時)向上するはずです。定格が500kWのPVインバータの場合、効率が5%向上すると、損失が25kW減少します。もちろん、その分だけ電力の出力を高めることが可能です。これは、5軒の家で消費される電力に相当します。あるいは、温水を生成したり、夏に充電ステーションの建物の冷房を稼働したりするために使われる大型ヒートポンプの電力消費量と同等だと表現することもできます。
DCの充電パイルとESSのチャージャについても同様に計算できます。どちらについても、2つのアプローチで設計を行うことが可能です。1つは、定格が100kWを超える大型かつモノリシックのパワー・コンバータを使用する方法です。もう1つは、定格が25kW~50kWの小型のコンバータを多数並列に使用する方法です。どちらの方法にも長所と短所があります。最近では、スケールメリットが得られ、設計が容易なので低コスト化を図れることから、小型コンバータを複数台使用する方法が選択されています。当然のことながら、その場合には高度なエネルギー管理システムを併用する必要があります。
これらのDC/DCコンバータにおいても、シリコン・ベースのIGBTからSiCベースのMOSFETへの移行を図ることになります。それにより、効率を大きく高められることに加え、スペースや重量を削減できるからです。その代償として、コストは25%ほど高くなります。ただ、このコストの上昇分は、今後5年の間に5%まで圧縮されると予想されます。また、効率の向上による効果だけでも、このわずかな価格差を吸収することが可能です。次式のように、電力を削減できるからです(最大負荷時の5%を使用する場合)。

PFCインバータが対応しなければならない1MWに対し、5%は50kWに相当します。一方、IGBTからSiCに置き換えることで効率が向上することから、合計で250kWの電力を削減できます。つまり、充電パイルを追加できるレベルの効果が得られるということです。また、負荷の実際の需要量とエネルギーの経時的な消費量のバランスを良化させることも可能でしょう。
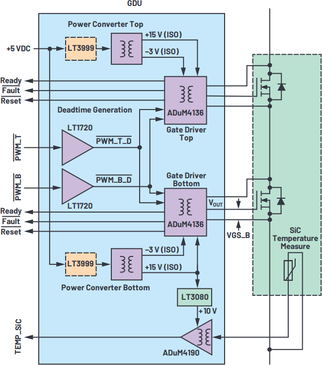
上述した効果を得るには、SiCベースのMOSFETへの移行が必要になります。また、それだけで問題を解決できるわけではありません。SiCベースのMOSFETを駆動する方法は、システムのコスト(MOSFET、コイル、インダクタに依存)と効率の間のトレードオフを最適化するために必要なスイッチング周波数を選択する上での鍵になります。スイッチング周波数は50kHz~250kHzに設定することが目標になりますが、ゲート・ドライバに対する要件はより厳しくなっています。なぜなら、伝播遅延の短縮と短絡保護性能の向上を図ることが求められているからです。
アナログ・デバイセズの「ADuM4136」は、絶縁の手段として最先端のiCoupler®技術を採用したゲート・ドライバです。iCoupler技術により、150kV/マイクロ秒のCMTI(Common-mode Transient Immunity)を実現でき、SiCベースのMOSFETを数百kHzのスイッチング周波数で駆動することができます。ADuM4136を採用すれば、単一または並列に接続したSiCベースのMOSFETを最大1200Vで適切に駆動することが可能です。併せて、非飽和保護など、高速の障害を管理する機能を利用できるようになります。
なお、絶縁ゲート・ドライバに対する給電方法については、アプリケーション・ノート「AN-2016」をご覧ください。このドキュメントには、ゲート・ドライバであるADuM4136をプッシュプル・コントローラ「LT3999」と組み合わせることで、ノイズが極めて少なく、効率の高いビルディング・ブロックを実現し、SiCベースのMOSFETを適切に駆動する方法が記されています。絶縁型の電源コントローラであるLT3999は、ADuM4136用のバイポーラ絶縁電源を制御するために使用します。EMI(電磁妨害)性能が非常に高いので、最高1MHzのスイッチング周波数を選択できます。同ICを採用すれば、小型で費用対効果に優れたソリューションを実現することが可能です。
デッド・タイムと伝播遅延を含めたトータルの伝播遅延は、ターンオン時に226ナノ秒、ターンオフ時に90ナノ秒です。ドライバの遅延時間は、ターンオン時に66ナノ秒、ターンオフ時に68ナノ秒です。デッド・タイムは、ターンオン時に160ナノ秒、ターンオフ時に22ナノ秒です。
パワー・コンバータにおいて非常に高い電力密度を実現するという目標を、効率を損なうことなく達成できます。
パワー・コンバータは電力変換経路の基盤になるものです。ただ、蓄電システムの場合、最良の総所有コストを保証する上での重要な構成要素としては、バッテリ管理/監視システム(BMS:Battery Managing/Monitoring System)が挙げられます。コストの内訳を分析すると、MWクラスの蓄電システムにおいてコストの半分以上を占めるのは、バッテリ・ラックのコストであることがわかります。現在、このコストは1kWhあたり約200米ドル(約2万1300円)です。2025年には、このコストは100米ドルまで低下すると見込まれています。精度と信頼性に優れるBMSソリューションを適用すれば、バッテリの寿命を30%延伸できます。また、大幅なコスト削減と充電ステーション全体の操作性の向上が図れます。保守の回数を抑えられるということは、稼働時間が長くなり、ユーザにとって問題がない状況が得られるということを意味します。その結果、修理に関連するリスクを低減でき、安全性のレベルが高まります。
上記の内容を実現するためには、充電ステーション周辺のエネルギーの流れを制御するエネルギー管理システムが、蓄電用のバッテリの充電状態(SOC:State of Charge)と劣化状態(SOH:State of Health)を極めて正確に把握している必要があります。高い精度、高い信頼性でSOCとSOHを算出することにより、バッテリの寿命を10年から20年に延ばすことができます。一般的には、BMSに関連する電子機器のコストを増やすことなく、30%の寿命延伸を達成できるとされます。このレベルでバッテリの寿命を延伸すれば、運用コストや所有コストを少なくとも30%削減できます。SOCの情報の高精度化と併せて、バッテリに蓄えられたエネルギーをすべて利用し、可能な限り最良の方法でバッテリを充電することが可能になります。その結果、過充電や過放電を防止し、非常に短い時間でバッテリが空になったり、短絡や火災といった危険な状況を生み出したりする可能性がある状態を回避することができます。予知保全を実現したり、エネルギーと電力の流れを適切に管理したりするためには、バッテリのSOCとSOHを正確に把握する必要があります。それにより、グリッドの安定化、EVの充電プロセス、車両を蓄電ユニットと見なした場合の車両からグリッドへの(V2G:Vehicle-to-Grid)接続に関連するアルゴリズムを導き出し、調整を加えることが可能になります。
正確なモニタリングを行うためには、トータルの測定誤差を2.2mV未満に抑えつつ、最大18セルの測定を実行できるマルチセル対応のバッテリ・モニタIC「LTC6813」を採用するとよいでしょう。これを使用すれば、18個のセルの測定を290マイクロ秒以内に実行できます。また、ノイズを低減する効果を高めるために、低いデータ・アクイジション・レートを選択することも可能です。LTC6813は複数個を直列接続することができるので、高電圧を得るためにスタックされた数多くのセルを同時にモニタリングすることが可能になります。同ICは、RFノイズに対する耐性を備える高速/長距離通信向けの絶縁型SPI回路(isoSPI)を内蔵しています。複数個のLTC6813をデイジー・チェーン接続すれば、1つのホスト・プロセッサによって全LTC6813を制御できます。このデイジー・チェーンは双方向の動作が可能なので、通信経路で障害が発生した場合でも、通信の完全性を確保できます。このICに対しては、バッテリ・スタックから直接給電するか、または個別の電源から給電することが可能です。各セルに対するパッシブ方式のバランス機能を備えており、PWM(Pulse Width Modulation)のデューティ・サイクルをセルごとに個別に制御することができます。その他にも、5V出力のレギュレータ、9本の汎用I/Oライン、消費電流を6µAまで低減するスリープ・モードなどを備えています。
BMSのアプリケーションでは、短期的/長期的な精度が要求されます。そのため、LTC6813はバンドギャップ・リファレンスではなく、埋め込みツェナー・リファレンスを採用しています。それにより、小さなドリフト(20ppm/√kh)、小さな温度係数(3ppm/°C)、小さなヒステリシス(20ppm)を実現し、長期安定性に優れる1次側電圧リファレンスとして使用できるようになっています。このICでは、リファレンスの精度と安定性が非常に重要になります。なぜなら、これらの特性は、全バッテリ・セルの測定値の基盤になるからです。その測定値に誤差があると、取得したデータの信頼性、アルゴリズムの一貫性、システムの性能に累積的な影響が及びます。
高精度のリファレンスは、優れた性能を確保するために必要な機能ブロックです。ただ、それだけで十分だというわけではありません。AC/DCコンバータの動作は、電気的なノイズが多い環境でも仕様を満たしている必要があります。問題になるノイズは、システムが備える高電流/高電圧のインバータをPWM制御する際の過渡現象に起因して発生します。バッテリのSOCとSOHの正確な評価には、電圧、電流、温度の相関がとれた状態での測定値が必要です。
BMSの性能に影響を与えないようにシステムのノイズを低減するために、LTC6813のA/Dコンバータのトポロジとしては、シグマ・デルタ(ΣΔ)方式を採用しています。また、ノイズの多い環境に対処できるようにするために、ユーザが選択可能な6種類のフィルタ・オプションを用意しています。ΣΔ方式を採用していることから、EMIなどの過渡的なノイズの影響を低減することが可能になります。ΣΔ方式では、1つのサンプルの取得に向けて多数回のサンプリングを行います。それによって得られた結果に対し、平均化とフィルタリングを施す機能を備えていることから、ノイズの低減という効果が得られます。
なお、アナログ・デバイセズはスタック・モニタICの最新製品群として、「LTC681x」と「LTC680x」の両製品ファミリを提供しています。LTC681xファミリの製品の中で18チャンネルに対応するバージョンがLTC6813です。
最後に、本稿で説明した内容をまとめます。高速なDC充電を可能にするためには、将来のインフラで生じるであろういくつかの課題を解決する必要があります。それらに対処する上では、電力変換システムと蓄電システムが重要な要素になります。それらの構成例として、本稿では、アナログ・デバイセズの製品を利用する2つの回路ブロックを提示しました。1つは、SiCベースのMOSFETを採用する電力変換段向けの絶縁型ゲート・ドライバ(ADuM4136)と電源コントローラ(LT3999)を組み合わせた回路です。もう1つは、蓄電用バッテリ向けのバッテリ・モニタ・デバイスであるLTC6813を利用した回路です。それらの回路には、電流の測定から故障に対する保護まで、あるいはガスの検知から機能安全までといった具合に、多くの重点領域が存在します。これらはいずれも極めて重要なものであり、大きな利点をもたらす要素でもあります。アナログ・デバイセズは、これら全サブシステムに対して積極的に取り組んでいます。信頼できる重要なデータを取得することで、あらゆる物理現象の確実な検知、測定、接続、解釈、安全の確保、給電が行えるようになります。取得したデータは、ハイ・エンドのアルゴリズムによって、再生可能エネルギー源から得たエネルギーを負荷(EV)に供給するためのエネルギーへと確実に変換するために使用されます。