医療用のエネルギー貯蔵システムにおける高度なバッテリ管理、信頼性と安全性を高めつつ寿命を30%延伸
概要
バッテリを監視するためのシステムは、様々な市場を下支えする存在です。バッテリは、電気自動車の走行距離の延伸から、スマート・グリッドに向けた再生可能エネルギーの貯蔵まで、広範なアプリケーションで重要な役割を担っています。同様に、バッテリに関する技術は、手術の安全性を高めたり、病院内で自由に移動できる医療用機器を実現したりするためにも使われています。それらの機器には、バッテリの監視やバランシング、保護、通信を行うための高い精度と効率を備えたIC製品が必要になります。本稿では、セル・バランシングや絶縁型通信ネットワークなどの機能を備える最先端のバッテリ監視システムの実現方法を紹介します。それを通して、新たなケミストリを採用したリチウム・イオン・バッテリがもたらすメリットを享受する方法を明らかにします。革新的なICを使用することで、特に大規模なエネルギー貯蔵システムの信頼性を高めつつ、バッテリ寿命を30%延伸することが可能になります。
医療分野において、バッテリは、心臓マッサージ・システム、緊急治療室で使用される機器、医療用の電動カート/電動ベッド、可搬型の超音波診断装置、遠隔監視システム、更には同市場に新たに現れたエネルギー貯蔵システム(ESS:Energy Storage System)といったアプリケーションで使用されます。そうした機器は、信頼性、効率、安全性に関する非常に厳しい規格に準拠する必要があります。
ESSは、直接患者につながれることはありません。また、医師によって操作されることもありません。ESSは、無停電電源装置(UPS:Uninterruptible Power Supply)の次のステップに相当するものだと言えます。従来、UPSは、最も重要な機器(緊急治療室で使用される機器や、特に重要なITネットワーク・インフラ)用のバックアップ電源として使われてきました。病院で使用されるESSは、リチウムをベースとする新たなバッテリによって、更に多くの機能に対応できるようになります。また、病院の送電網(グリッド)と完全に統合されることで、次のようなメリットをもたらします。
- 停電や、送電網からの質の悪い電力/電圧、緊急用ディーゼル発電機の使用の頻発によって生じる問題を回避できるだけでなく、一部の重要かつ小規模な設備に加えて、設備全体の電力を完全にバックアップします。MWh 規模の ESS を利用すれば、長時間停電が続いた場合でも病院を稼働させられます。また、そのような ESS は、送電網の安定化にも役立ちます。
- 病院は、電気料金の面での経済的なメリットを得ることができます。ESS を使えば、電気の使用プロファイルを直接管理して高い電力ピーク需要を抑えることが可能になります。その結果、電力会社からの請求額を削減することができます。
比較的規模の大きい病院には、かなり大きな屋根があります。そのため、太陽光発電(PV)システムの設置に適しています。PVシステムをESSと組み合わせれば、発電した電気の貯蔵や自家消費が可能になります(図1)。それと同時に、経済的なメリットを得たり、CO2排出量の削減に貢献したりすることができます。

図1. エネルギーの貯蔵に使われるバッテリ・セル
現在、リチウムをベースとする最先端のケミストリを採用したバッテリは、車載分野、産業分野、医療分野など様々な市場で使用されています。各ケミストリはそれぞれに異なる長所を備えており、個々のアプリケーションや製品に求められる電力の条件に応じて使い分けることができます。例えば、LiCoO2(コバルト酸リチウム)を採用したバッテリは、エネルギー密度が非常に高いため、可搬型の機器に適しています。一方、LiMn2O4(マンガン酸リチウム)で実現したバッテリは、内部抵抗が非常に小さいので、高速な充電と大電流による放電に対応できます。そのため、ピーク・シェービング(電力需要の平準化)に対応するESSに適した選択肢となります。LiFePO4(リン酸鉄リチウム)をベースとするバッテリは、フル充電の状態に対して高い耐性を持つので、高い電圧を長時間にわたって持続させることが可能です。そのため、停電が発生した際に動作させる必要がある大型ESSに最も適した技術だと考えられます。自己放電率が高いという短所もありますが、それは大型ESSの実現に向けて大きな障害にはなりません。
アプリケーションごとにニーズは異なります。そのため、様々な種類のバッテリが必要になります。例えば、車載アプリケーションでは、高い信頼性と充放電速度が求められます。一方、医療分野のアプリケーションでは、高い効率、大きなピーク電流の持続、長い寿命が要求されます。ただ、異なるアプリケーションでも共通して求められる事柄もあります。それは、ケミストリの種類にかかわらず、公称電圧範囲における放電曲線が非常に平坦であることです。
標準的なバッテリでは、放電時に500mV~1Vの電圧降下が発生します。一方、LiFePO4やLiCoO2を採用した高度なバッテリの場合、図2の放電曲線のように、電圧降下は50mV~200mVの範囲に収まります。

図2. リチウム・イオン・バッテリの放電プロファイル
放電曲線が平坦であれば、バッテリの出力に接続されるIC群のパワー・マネージメント・チェーンに大きなメリットがもたらされます。DC/DCコンバータは、狭い入力電圧範囲の中でも、最高の効率が得られるポイントで動作するように設計されます。既知の入力電圧VINから、それと非常に近い値の出力電圧VOUTへの変換を行う場合、システムのパワー・チェーンにおいては、すべての動作条件で99%を超える効率を達成するように降圧/昇圧コンバータのデューティ・サイクルを最適に設計します。また、放電曲線が平坦であれば、バッテリ・チャージャは完全に充電電圧をターゲットとして動作することができます。加えて、負荷は遠隔監視や患者の体内に埋め込む電子機器といった最終アプリケーションの精度を高めるために、安定した動作電圧に従った大きさに設定できます。放電曲線が平坦でない旧式のケミストリを採用したバッテリを使用する場合、その出力電圧を入力として受け取るDC/DCコンバータでは、効率が低下します。また、バッテリの持続時間も(-20%ほど)短くなります。医療用の可搬型機器においては、余分に電力が消費されることになり、より頻繁に充電しなければならなくなります。
放電曲線が平坦であることには短所もあります。いちばんの問題は、バッテリの充電状態(SOC:State of Charge)と劣化状態(SOH:State of Health)の定格を定めるのがかなり難しくなることです。SOCは、バッテリが適切に充放電されることを保証するために、非常に高い精度で計算しなければなりません。例えば、過充電の状態になると安全性の面で問題が発生します。発火やガスの発生原因になるケミストリの劣化や回路の短絡が生じることがあるのです。一方、過放電が生じるとバッテリに損傷が加わり、バッテリの寿命が50%以上短くなることがあります。もう1つの指標であるSOHは、バッテリの健全性に関する情報を提供します。その情報を基にすれば、まだ状態が良いバッテリを交換してしまうという状況を防ぐことができます。あるいは、問題が生じる前に、バッテリの劣化を検知することも可能です。システムにおけるメインのマイクロコントローラは、SOCとSOHのデータをリアルタイムで分析します。また、充電用のアルゴリズムを適用し、ユーザにバッテリの能力に関する情報を提供します。例えば、電源に故障が発生したとして、その時点でバッテリは大電流による放電が行える状態にあるか否かといった情報です。加えて、大型のESSにおいてバッテリ全体の寿命を延ばすために、状態の悪いバッテリと状態の良いバッテリの間のバランスが最適であるかどうかという確認も行います。
急峻な放電曲線を持つ非常に古いケミストリを採用したバッテリのことを想像してみてください。その場合、短い時間における電圧降下を測定し、バッテリの電圧の絶対値を知ることによって、バッテリのSOCを容易に求められることがわかるでしょう。リチウムをベースとする新たなバッテリでは、単位時間内における電圧降下は非常に小さくなります。そのため、上記の測定に求められる精度は桁違いに高くなります。
SOHに関して言うと、旧式のバッテリは、より速くより予測どおりに放電します。放電曲線はより急峻になり、目標の充電電圧に達することができなくなります。それに対し、新たなリチウム・イオン・バッテリは、良好な動作を長期間維持します。但し、最後は急激に劣化し、寿命の終わりが近づいたり損傷を受けたりしたときには、インピーダンスと放電曲線が急速に変化します。温度の測定は、理想的には、セルごとに細心の注意を払って行わなければなりません。温度の情報は、より精度を高めるために、SOC/SOHの測定アルゴリズムに組み込まれます。
高い精度と信頼性でSOCとSOHを計算することにより、ベスト・ケースでは、バッテリの寿命を10年から20年に延長することができます。一般的には寿命は30%ほど長くなり、保守コストを含めたESSの総保有コストは、30%以上削減されます。より精度の高いSOCの情報と併せると、過充電や過放電の状態を回避できるほか、回路の短絡や発火などの危険な状態に陥る可能性を最小限に抑えることが可能になります。また、バッテリ内の全エネルギーを消費でき、最善かつ最も効率的にバッテリを充電できるようになります。
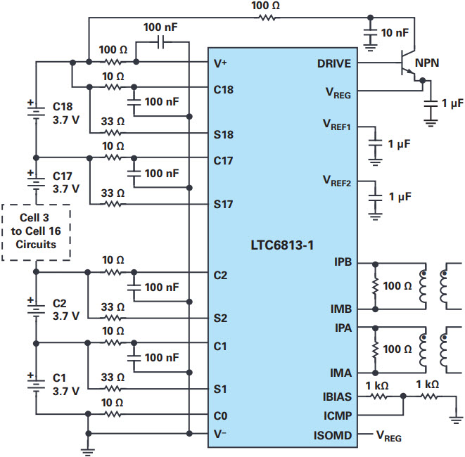
本稿では、アナログ・デバイセズの「LTC6813」をベースとするバッテリ管理(バッテリ・マネージメント)ソリューション(BMS)を提案します。そのBMSは、産業用ロボットや車両のほか、可搬型の超音波診断装置などの医療用機器、大規模ESS(病院、工場、送電網の安定化用設備、電気自動車の充電用インフラ、住宅設備などで使用)に適用できます。また、条件の厳しい環境でも問題なく動作するように設計されており、車載分野向けのASIL(Automotive Safety Integrity Level)や産業分野向けのSIL(VDE AR 2510-2/50、IEC EN 61508など)をはじめとする様々な機能安全規格に適合しています。そのため、信頼性と安全性の面で非常に大きなメリットが得られます。

図3. LTC6813のアプリケーション回路図
このBMSは、最高の効率と信頼性を備えるバッテリ監視システムを提供します。そのための独自の新手法として、SPI(Serial Peripheral Interface)のスレーブに対する絶縁型インターフェースを備えたマイクロコントローラと、18セルに対応するモニタ/バランシングICを組み合わせています。マルチセルのバッテリ・スタックを対象とする監視機能を使用すれば、直列に接続された最大18個のバッテリ・セルの電圧を、トータルの測定誤差を2.2mV未満に抑えて測定することができます。セルの電圧の測定範囲は0V~5Vであり、ほとんどのケミストリに対応可能です。18個すべてのセルの電圧を290マイクロ秒以内で測定できます。ノイズ性能を高めるために、低いデータ・アクイジション・レートを選択することも可能です。また、複数個のLTC6813を直列に接続して使用することもできます。そうすれば、18個以上の多数のセルから成る高電圧のバッテリの各セルを同時に監視することが可能になります。加えて、同ICは、高速で、RFの影響を受けず、長距離の通信に対応可能なisoSPI™インターフェースを備えています。1個のホストプロセッサによって、デイジーチェーン接続されたすべてのLTC6813を制御することができます。このデイジーチェーンは、双方向の動作に対応するので、通信経路上に障害が発生した場合でも、通信のインテグリティは確保されます。同ICには、バッテリ・スタックまたは絶縁型の電源から直接電力を供給することができます。また、同ICは、パッシブ・バランシング機能を内蔵しており、各セルに対して個別にPWM(パルス幅変調)のデューティ・サイクルを制御できます。その他にも、5V出力のレギュレータや9つの汎用I/Oラインを内蔵しています。更に、消費電流を6μAまで低減可能なスリープ・モードも備えています。
BMSのアプリケーションには、短期的にも長期的にも高い精度が求められます。そこで、LTC6813では、バンドギャップ・リファレンスではなく、埋め込みツェナー変換リファレンスを採用しています。それにより、優れた長期安定性と共に、ドリフト(20ppm/√kHr)、温度係数(3ppm/°C)、ヒステリシス(20ppm)が小さい安定したメインの電圧リファレンスを実現しています。このリファレンスの精度と安定性は、すべてのバッテリ・セルの電圧測定の基本になります。このリファレンスの誤差は、取得したデータの信頼性、アルゴリズムの一貫性、システムの性能に累積的に影響を及ぼします。したがって、このリファレンスの精度は非常に重要です。
上記のとおり、高精度のリファレンスは、優れたシステム性能を保証するための重要な要素です。ただ、それだけでシステムの性能を高められるわけではありません。このBMSが利用されるシステムでは、高電流/高電圧に対応するインバータが稼働します。そのPWM制御に伴うトランジェントが原因となって、大きな電気的ノイズが発生します。また、SOC/SOHを正確に評価するためには、互いに相関を持つ電圧、電流、温度を高い精度で測定する必要があります。そのため、LTC6813では、内蔵するA/Dコンバータ(ADC)として、そのような過酷な環境でも仕様を満たせるアーキテクチャと性能を備えるものを採用しています。
BMSでは、その性能に影響が及ばないようにシステムのノイズを低減する必要があります。ノイズの多い環境に対応するために、LTC6813では、ユーザが選択可能な6つのフィルタ・オプションを備えるシグマ・デルタ(ΣΔ)方式のADCを採用してします。一般に、同方式を採用したADCでは、1回の変換処理に多くのサンプリング・データを使用すると共に、平均化を担うフィルタ機能を併用します。このことから、EMI(電磁干渉)やトランジェント・ノイズの影響が低減されます。
病院のマイクログリッドやサブグリッドでは、電力の供給に大型のエネルギー貯蔵ユニットがよく使われます。そうしたユニットでは、セルやモジュールをグループ化した大規模なバッテリ・パックが使用されます。そのようなシステムには、セルのバランシング機能が不可欠です。リチウム・イオン・バッテリのセルのほとんどは、入手した直後にはほぼ同等の容量を備えています。しかし、時間が経つにつれ、各セルの容量は減少していきます。バッテリ・パックにおける温度が不均一であるといった要因から、経年劣化による容量の減少量は、セルごとに異なる値になります。経年劣化のプロセス全体を悪化させ、SOCの限界を超えて動作可能なセルは、通常よりも劣化が早く、更に容量を失います。このようにして生じるセル間の容量の違いは、自己放電や負荷電流の小さな違いと組み合わさって、セル間のアンバランスを引き起こします。
セル間のアンバランスの問題を改善するために、LTC6813は、パッシブ方式のセル・バランシング機能を内蔵しています(ユーザが設定可能なタイマーを使用)。パッシブ方式のセル・バランシング機能は、バッテリの充電サイクルにおいて、すべてのセルのSOCを正規化します。この手法は、容量の低下したセルから電荷を取り除くことにより、それらのセルが過充電されないようにするというものです。低コストでシンプルであることがこの手法の特徴です。また、LTC6813は、パッシブ方式よりも複雑なアクティブ方式のセル・バランシング機能にも対応します。これは、充電/放電サイクルを通してセル間で電荷を移動させることにより、セル間のバランスを調整するというものです。
アクティブ方式とパッシブ方式のうちどちらを使用するにせよ、セル・バランシングの有用性は、セルの電圧を測定する機能の精度によって決まります。測定誤差が大きい場合、システムに設ける動作マージンも増やさなければならず、バランシング機能の効果が制限されます。また、SOCの範囲も制限され、測定誤差に対する感度も高まることになります。LTC6813の場合、トータルの測定誤差は1.2mV未満です。これであれば、バッテリ監視システムに必要な条件を十分に満たします。
ESSにおいて、すべてのバッテリ・セルを接続する上では、通信ループが不可欠な要素となります。この通信ループにより、バッテリに関するデータがESSからクラウド側にあるエネルギー管理用のアルゴリズムに転送されます。そのアルゴリズムは、充電/放電のイベントをトラッキングし、バッテリを最大限に使用したり、停電が発生した場合に最大容量のバッテリをフル充電の状態に保ったりするための最適な方法を決定します。
アナログ・デバイセズの「LTC681x」と「LTC680x」は、バッテリ・スタックの監視に向けた最先端の製品ファミリです。本稿で取り上げたLTC6813は、18チャンネルに対応するバージョンです。
バッテリ管理システムにおいて、マスタ・ユニットのマイクロコントローラ/マイクロプロセッサは、SOCとSOHの値を計算して充電/放電のプロファイルを安定化させます。バッテリ・スタック用のモニタICは、このマスタ・ユニットと通信を行う必要があります。ESS(400V~1500V)や大容量バッテリ(40V~200V)を備える可搬型の装置のような高電圧のアプリケーション向けには、様々な形態の内部接続が可能で、絶縁を適用した通信チャンネルが推奨されます。
LTC6813が内蔵するisoSPI対応の機能は、同じくisoSPIに対応する絶縁型の通信インターフェースIC「LTC6820」と組み合わせて使用します。それにより、高電圧の環境下で絶縁バリアを越えて安全かつ堅牢な情報転送を行うことが可能になります。isoSPIは、数多くのセルを直列に接続することにより数百Vを生成するESSにおいて、特に威力を発揮します。ESSには、作業者に及ぶ危険を最小限に抑えるための完全な絶縁が必要です。

図4. LTC6813とLTC6820の接続。絶縁が施されています。
ESSでは、18個をはるかに上回る数のセルが使用されることが多いでしょう。したがって、BMS用のプリント回路基板には、複数のLTC6813に対応するためのインターフェースを設ける必要があります。ここで、それぞれ1個のLTC6813を搭載し、堅牢な内部接続を備える同じ基板が複数存在するとします。それらは、デイジーチェーンで動作するように構成されており、マイクロプロセッサは別の基板に実装されているとしましょう。LTC6820を使用すれば、マイクロプロセッサを実装した基板とLTC6813を実装した1つ目の基板を、絶縁型の2線インターフェースで接続することができます。一方、LTC6813-1を1つだけ使用したいケースもあるでしょう。その場合、2番目のisoSPI対応ポート(ポートB)に適切にバイアスを加えて終端しておけば、(デイジーチェーンではなく)独立した1個のデバイスとして、LTC6813-1を使用できます(図4)。
セル・バランシング機能と通信機能を備えるバッテリ・スタック用のモニタICを使用する場合、次の事柄が設計上の主な課題になります。すなわち、スイッチング電源などのノイズ源から重要な配線を分離し、モニタICにクリアな信号を印加可能なノイズの少ない基板レイアウトを実現することです。アナログ・デバイセズのソリューションを採用すれば、モニタICの高い精度と性能により、優れた設計を更に最適なものにすることができます。その結果、バッテリは効率的に使用されて寿命が30%延びると共に、安全な動作が実現されます。
アナログ・デバイセズは、最終製品の設計においてお客様をサポートするために、あらゆるニーズに対応できる完全なポートフォリオを用意しています。また、バッテリ・スタック用のモニタICに対応する評価用システムやプラットフォームも提供しています。