概要
設計リソース
評価用ボード
型番に"Z"が付いているものは、RoHS対応製品です。 本回路の評価には以下の評価用ボードが必要です。
- EVAL-CN0372-PMDZ ($67.68) Ultralow Power, Multichannel Data Acquisition System with Energy Harvesting Circuit
- EVAL-SDP-CB1Z ($134.00) Eval Control Board
- SDP-PMD-IB1Z ($74.45) PMOD to SDP Interposer Board
デバイス・ドライバ
コンポーネントのデジタル・インターフェースとを介して通信するために使用されるCコードやFPGAコードなどのソフトウェアです。
機能と利点
- 超低消費電力データ・アクイジション・システム
- 4チャンネル, 12ビット レゾリューション
- エナジーハーベスト電力回路
製品カテゴリ
マーケット & テクノロジー
使用されている製品
参考資料
-
CN0372 Evaluation Board and Software User Guide2018/10/16WIKI
-
CN0372: エナジーハーベスト回路とアラート機能を備えた、超低消費電力の汎用マルチチャンネル・データ・アクイジション・システム2015/12/16PDF419 K
回路機能とその特長
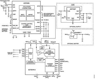
図 1 に示す回路は、光起電力(PV)セルや熱電発生器(TEG)から給電可能な、超低消費電力のマルチチャンネル・データ・アクイジション・システムです。この回路は、業界最小電力のマルチチャンネル 12 ビット逐次比較 A/D コンバータ(SAR ADC)である AD7091R-5 と、昇圧レギュレータADP5090による高効率エナジーハーベスト回路を使用しています。この ADC が 3 V 単電源を使って 22 kSPS でサンプリングしたときの標準的な消費電力は 100 µW です。1 kHz の入力信号に対する標準的な S/N 比(SNR)は 68 dB です。
消費電力が小さく小型であるため、このデバイスの組み合わせは、特に装着型機器や電源内蔵機器などの携帯型低消費電力アプリケーションに最適です。

回路説明
この回路は、マルチチャンネル・システムのモニタリング用に最適化された低消費電力でコンパクトなソリューションを提供します。これらの機能は、フォーム・ファクタと消費電力がクリティカルなシステム仕様である装着型アプリケーションや電源内蔵アプリケーションにとって特に重要です。
A/D コンバータ
AD7091R-5 は超低消費電力の 12 ビット逐次比較 ADC で、2.7 V ~ 5.25 Vの単電源で動作します。この ADC は、内蔵変換クロック、高精度リファレンス、および標準モード(fSCL = 100 kHz)と高速モード(fSCL = 400 kHz)の両方で動作する I2C インターフェースを備えています。
変換処理とデータ・アクイジションは、 I2C インターフェースと内部発振器を使って制御します。AD7091R-5 のインターフェースは変換後のデータ読出しが可能なため、高速モードで最大 22.22 kSPS のスループット・レートを達成します。このデバイスは、高度な設計技術とプロセス技術を使って、性能を損なうことなく超低消費電力を実現しています。内蔵の 2.5 V 高精度リファレンスは REFIN/REFOUT ピンに出力されます。
AD7091R-5 は、ADC を自律動作させるように設定可能なオートサイクル・モードを備えているため、ユーザーが設定した範囲外のイベントのモニタリングに最適です。変換は、AD7091R-5 のデータシートの表 25 に示すように設定された時間間隔で自動的に行います。通常、このモードを使用し、リミット・レジスタがアラート機能により範囲外の状態を知らせるようにプログラムされたチャンネルの選択をモニタします。
エナジーハーベスタ
ADP5090 は、光起電力セルや熱電発生器を DC 電源に変換する集積化昇圧レギュレータです。このデバイスは蓄電素子(再充電可能バッテリやスーパー・キャパシタ)を充電します。CN-0372 ボードでは、小型の電子機器やバッテリなしのシステムに電力を供給するスーパー・キャパシタを使用しています。ADP5090 は、PV セルやTEG から取り込んだ少量の電力を効率よく変換します。ADP5090 は 16 µW ~ 200 mW の入力電力範囲で動作し、動作損失は 1 mW 未満です。
コールド・スタート回路を内蔵することにより、レギュレータは最小 380 mV の入力電圧で動作を開始できます。このソリューションは、回路に電力を供給する外付けバッテリを不要にし(ただし、バックアップ・バッテリのオプションは利用可能)、その代りに取り込み可能なエネルギーを十分に利用します。
図 1 に示すように、ADP5090 の SYS 電圧出力が回路全体に電力を供給します。
回路設計
図 2 の回路は、AD7091R-5 ADC に必要な最小限の接続を示しています。

AD7091R-5 のアナログ入力範囲は 0 V ~ VREF で、ユニポーラです。この回路は負電圧を受け入れるようには設計されていません。AD7091R-5 は、最大 1.5 MHz の入力周波数を処理可能な広帯域トラック&ホールド・アンプを内蔵していますが、回路は、高速モードで 2 kHz までの低い周波数を処理するテストが行われています。
AD7091R-5 はマルチプレクサ出力に対応しているため、追加のフィルタ処理が必要な場合に各チャンネルにシグナル・コンディショニング回路を必要としません。アクティブなチャンネルの入力信号は MUXOUT に出力されます。ADC の VIN ピンの前のフィルタはカットオフ周波数が約 8.6 MHz になるように設計されています。これらのフィルタは、ADC 入力のノイズを減衰させ、ADC からの電荷キックバックを吸収します。小さな値の直列抵抗と、ADC からの高周波数の電荷キックバックのソースとシンクが可能な適度な容量のコンデンサを使用することを推奨します。
フィルタ処理やシグナル・コンディショニングを追加する必要がない場合には、MUXOUT ピンを ADCIN に直接接続します。AD7091R-5 の制御は I2C 互換シリアル・バスを介して行います。
ADP5090 のエナジーハーベスト回路を図 3 に示します。この回路は、J4 端子に接続されたエネルギー源からの電力を変換してスーパー・キャパシタ(C26)に電荷を蓄積し、回路全体に電力を供給します。

PV セルや TEG から取り込んだエネルギーは ENERGY_IN に入力します。ENERGY_IN が 380 mV を超えると、ADP5090 はコールド・スタートアップを開始します。SYS 電圧がVSYS_TH (通常 1.93 V)を超えると、デバイスはコールド・スタートアップを終了してメイン昇圧レギュレータをイネーブルします。PGOOD のロジック・ハイ・レベルが SYS 電圧に等しく、バッテリ端子電圧に達すると、メイン昇圧チャージャをオフします。
ADP5090 昇圧レギュレータはパルス周波数モード(PFM)で動作し、SYS の入力コンデンサと C26 スーパー・キャパシタ(CellergyのCLG03P050F17、50 mF、3.5 V)に蓄積されたエネルギーを転送します。PGOOD 閾値は、SYS 電圧が次式で求められる許容電圧になるように外部コネクタによって設定します。

ここで、
RPG1 と RPG2 は図 3 の値、
VREF_ADP5090 は標準で 1.21 V です。
ADP5090 はバッテリの過充電保護閾値と放電保護閾値も備えており、これらも外付け抵抗によって設定します。
過充電を防止するための、バッテリ端子電圧の立上がり閾値は次式で求められます。

ここで、 RTERM1 と RTERM2 は図 3 の値です。
深放電を防止するための、バッテリ放電シャットダウン電圧の立下がり閾値は次式で求められます。

ここで、 RSD1 と RSD2 は図 3 の値です。
これらの閾値電圧を図 4 に示します。

図 3 の回路は、コールド・スタートを加速するために SL7 を介して低エネルギー状態のバックアップを行うオプションも備えています。
回路図、ボード・レイアウト、部品表(BOM)などが全て揃った技術文書パッケージについては、www.analog.com/CN0372-DesignSupportをご覧ください。この回路はディジレントの PMOD インターフェース規格と互換性があります。
エナジーハーベスト回路を使用したDAS(データ・アクイジション・システム)の測定結果
この回路は、ボード上のデバイスの設定と回路性能の評価を容易にするグラフィカル・ユーザー・インターフェースを搭載しています。デバイスの設定に加え、ノイズ性能、ヒストグラム、およびレジスタの読出し値に対するタブが利用可能です。ソフトウェア・パッケージの詳細については、CN-0372 ソフトウェア・ユーザー・ガイドを参照してください。
コモンモード電圧が1.25V の2.4 V p-p、1 kHz のサイン波に対して、MUXOUT を ADCIN に直接接続した構成の回路のAC 性能を図 5 と図 6 に示します。デフォルトではSYS に3.3 V 電源を生成する構成ですが、この回路ノートでは、3 V 電源になるように外付け抵抗を構成して全ての測定を行いました。


消費電力は次式で計算します。

ここで、
PT は総消費電力、
IT はVDD と直列に測定される総消費電流、
VS は VDDの電源電圧です。
バッファがなく VDD と VDRIVE が SYS から供給される構成の回路では 34 µA を消費します。
バリエーション回路
ADA4805-1 を使ってMUXOUT信号の外部バッファを行うオンボード・オプション、およびバックアップ・バッテリを使ってオンボードの ADP1607 レギュレータに電力を供給し、ボードの電源レールを生成するオプションを使用可能です。
オプションのオンボード・バッファ回路を図 7 に示します。使用する場合、R6 を取り外し、SL9 と SL12 を B の位置、SL13 を A の位置に設定し、R43 を取り付けます。この回路も必要なゲイン、減衰量、レベル・シフト機能を備えています。ADA4805-1 は約 500 µA の静止電流を消費しますが、パワーダウンとスループットによるスケーリングを行うオプションがあります。図 8 に示すように、ADA4805-1 の SHUTDOWN ピンを制御することにより、消費電力を動的に管理することができます。評価用ソフトウェアを使って SHUTDOWN 信号のデューティ・サイクルを調整することで、大幅な節電が実現します。


評価用ソフトウェアの ADA4805-1 のパワー・スケーリング機能の制御の詳細については、CN-0372 ソフトウェア・ユーザー・ガイドを参照してください。
パワー・スケーリング時には、消費電力の計算は次のようになります。

ここで、
PT は総消費電力、
IQ は静止電流、
tAMP, ON は ADA4805-1 がオンの時間、
tS はサンプリング時間です。
図 9 に示すように、ADA4805-1 を使用して動的なパワー・スケーリングを行い、VDD と VDRIVE に SYS から給電したときのシステム全体の消費電流は最小 70 µA で、性能劣化は生じていません。
各種設定での回路の標準的な消費電流を表 1 に示します。
| Configuration | Current (μA) |
| Without Buffer Amplifier | 34 |
| AD7091R-5 in Full Power Down | 13.4 |
| AD7091R-5 in Full Power Down, No Internal Reference |
0.5 |
| With Buffer Amplifier Always On | 530 |
| AD7091R-5 in Full Power Down | 520.4 |
| AD7091R-5 in Full Power Down, No Internal Reference |
507.3 |
| Dynamic Power Scaling with Buffer Amplifier | See Figure 9 |
各種デューティ・サイクルでのシステムの代表的な性能と消費電流を図 9 に示します。

オプションの ADP1607 回路を図 10 に示します。この回路は、SL7 を介して図 3 の B3 バックアップ・バッテリから給電するように構成することができます。

3 V 出力に対して R28 と R29 の外付け抵抗で設定される出力電圧は次式で計算できます。

ここで、
VFB = 1.259 V.
IFB = 0.1 μA です。
回路の評価とテスト
この回路には、EVAL-CN0372-PMDZ 回路ボード、SDP-PMD-IB1Z インターポーザ・ボード、および EVAL-SDP-CB1Z システム・デモンストレーション・プラットフォーム(SDP)ボードが使用されています。PMOD インターポーザ・ボードと SDP コントローラ・ボードは 120 ピンの接続用コネクタを備えています。このインターポーザ・ボードと EVAL-CN0372-PMDZ ボードは 12 ピンの PMOD インターフェース・タイプ 2A および 8 ピン I2C インターフェース対応コネクタを備えているので、短時間で組み立てて回路の性能を評価することができます。EVAL-CN0372-PMDZ ボードには評価対象の回路が含まれています。SDP コントローラ・ボードは CN0372評価用ソフトウェアとともに使用し、データをキャプチャして結果を知らせます。
| Pin No. | Signal | Description |
| 1 | CONVST/GPO1 |
AD7091R-5 の CONVST/GPO1 ピ ンに接続。 |
| 2, 3, 4 | NC | 未接続。 |
| 5, 11 | GND | GND に接続。 |
| 6, 12 | VDD_PMOD | PMOD 電源に接続。 |
| 7 | ALERT | AD7091R-5 の ALERT ピンに接 続。 |
| 8 | RESET | AD7091R-5 の RESET ピンに接 続。 |
| 9 | PMOD_GPIO1 | ADA4805-1 の SHUTDOWN ピン に接続。SL2 を介して ADP5090 の DIS_SW ピンにも接続。 |
| 10 | PMOD_GPIO2 | ADP5090 の PGOOD ピンに接続。 |
| Pin No. | Signal | Description |
| 1, 2 | SCL | AD7091R-5 の SCL ピンに接続。 |
| 3, 4 | SDA | AD7091R-5 の SDA ピンに接続。 |
| 5, 6 | GND | GND に接続。 |
| 7, 8 | VDD_PMOD | PMOD 電源に接続。 |
必要な装置
以下の装置が必要です。
- USB ポート付き Windows® XP、Windows Vista®(32 ビット)または Windows 7(32 ビット)対応のPC
- EVAL-CN0372-PMDZ 回路評価ボード
- EVAL-SDP-CB1Z SDP コントローラ・ボード
- SDP-PMD-IB1Z インターポーザ・ボード
- 8 ピン IDSD-04-D フレキシブル・ケーブル: EVAL-CN0372-PMDZ ボードと SDP-PMD-IB1Z ボードの間のI2C インターフェースの接続に必要(EVAL-CN0372-PMDZ ボードに同梱)
- CN0372 評価用ソフトウェア
- 電源: 6 V AC アダプタ
- USB ケーブル
- SRS DS360 超低歪み関数発生器または同等の高精度ソース
- Cymbet の CBC-PV-01 PV セル: 200 ルクスの蛍光照明の出力電流が約 200 µA のときの標準的な動作電圧が 0.8 V
評価開始にあたって
ボードを PC に接続する前に CN0372 評価用ソフトウェアをインストールします。評価用ソフトウェアの最新バージョンは、 ftp://ftp.analog.com/pub/cftl/CN0372 からダウンロードすることができます。画面上の指示に従ってインストールを完了します。全てのソフトウェア・コンポーネントをデフォルトのロケーションにインストールすることをお奨めします。
EVAL-CN0372-PMDZ を所定のレギュレータ構成に接続し、回路評価用ボードを SDP-PMD-IB1Z インターポーザ・ボードに接続します。
EVAL-CN0372-PMDZ ボードの I2C インターフェースを 8 ピン フレキシブル・ケーブルで SDP-PMD-IB1Z インターポーザ・ボードに接続します。
SDP-PMD-IB1Z ボードを EVAL-SDP-CB1Z コントローラ・ボードに接続します。SDP-PMD-IB1Z ボードの電源をオンにし、同梱の USB ケーブルを使って EVAL-SDP-CB1Z SDP コントローラ・ボードを PC に接続します。評価用ソフトウェアを開いて評価を開始します。
EVAL-SDP-CB1Z については、SDP ユーザー・ガイド(UG-277)を参照してください。
機能ブロック図
図 11 に、回路の評価に使ったテスト・セットアップの機能ブロック図を示します。

電源構成
評価用ソフトウェアを開く前に、低消費電力の高インピーダンス DC ソース(Cymbet の CBC-PV-01 PV セルや TEGなど)を J4 端子に接続し、SL4 と SL5 を A の位置に接続します。これにより、ADP5090 エナジーハーベスト回路をシステム電源として使用します。電源の利用可能な全てのオプションについては、表 4 と 表 5 を参照してください。
表 6 に、EVAL-CN0372-PMDZ の全てのハンダ・リンクの詳細を示します。
| VDD | Solder Link Position | |
| SL5 | SL7 | |
| ADP5090 SYS | A | A |
| ADP1607 VOUT | B | B |
| VDrive | Solder Link Position | |
| SL3 | SL4 | |
| ADP5090 SYS | A | B |
| ADP1607 VOUT |
B | B |
| VDD_PMOD | No connect | A |
| Link | Default | Description | |
| SL1 | A | このリンクは、A がセンターに接続された SL7 と併用します。 A をセンターに接続すると、ADP5090 の BACK_UP ピンが CR2302 バッテリに接続されます。 B をセンターに接続すると、ADP5090 の B_CHRG ピンがスーパー・キャパシタに近い R36 に接続されます。 |
|
| SL2 | A | このリンクで、ADP5090 の DIS_SW ピンの接続を選択します。 A をセンターに接続すると、ADP5090 の DIS_SW ピンがグラウンドに接続されます。 B をセンターに接続すると、ADP5090 の DIS_SW ピンが PMOD_GPIO1(J3 のピン 9)に接続されます。 |
|
| SL3 | A | このリンクと SL4 を組み合わせて、VDRIVE の接続を選択します。 A をセンターに接続すると、ADP5090 の SYS ピンが VDRIVEに接続されます。 B をセンターに接続すると、ADP1607 の VOUT ピンが VDRIVEに接続されます。 |
|
| SL4 | A | このリンクで、VDRIVE のソースを選択します。 A をセンターに接続すると、VDD_PMOD が VDRIVEに接続されます。 B をセンターに接続すると、 VDRIVE が SL3 を介して ADP1607 または ADP5090 の出力に接続されます。 |
|
| SL5 | A | このリンクで、VDD のソースを選択します。 A をセンターに接続すると、ADP5090 の SYS 出力が VDDに接続されます。 B をセンターに接続すると、ADP1607 の出力が VDDに接続されます。 |
|
| SL6 | open | このリンクで、SDP-I-PMOD を使用しないときの VDD_PMOD のソースを選択します。 A をセンターに接続すると、ADP5090 の SYS 出力が VDD_PMOD に接続されます。 B をセンターに接続すると、ADP1607 の出力が VDD_PMOD に接続されます。 |
|
| SL7 | A | このリンクで、CR2032 バッテリの経路を選択します。 A をセンターに接続すると、バッテリが SL1 に接続され、SL1 の A がセンターに接続されている場合はバックアップ として機能し、SL1 の B がセンターに接続されている場合にはスーパー・キャパシタを充電します。 B をセンターに接続すると、バッテリが ADP1607 の VIN ピンに接続されます。 |
|
| SL8 | B | このリンクを使って、ADP1607 の EN ピンの接続を選択します。 A をセンターに接続すると、EN が GND に接続され、同期整流式昇圧がオフします。 B をセンターに接続すると、EN が ADP1607 の VIN ピンに接続され、同期整流式昇圧がオンします。 |
|
| SL9 | B | このリンクで、 MUXOUT の接続を選択します。 A をセンターに接続すると、MUXOUT が ADA4805-1 の反転入力に接続されます。 B をセンターに接続すると、SL12 が B の位置の場合に MUXOUT が ADA4805-1 の非反転入力に接続されます。 |
|
| SL10 | A | このリンクで、AS0 の接続を選択します。 A をセンターに接続すると、AS0 が GND に接続されます。 B をセンターに接続すると、AS0 が VDRIVEに接続されます。 |
|
| SL11 | A | このリンクで、AS1 の接続を選択します。 A をセンターに接続すると、AS1 が GND に接続されます。 B をセンターに接続すると、AS1 が VDRIVEに接続されます。 |
|
| SL12 | B | このリンクで、オプションのバッファを選択します。 A をセンターに接続すると、REF が ADA4805-1 の非反転入力に接続されます。 B をセンターに接続すると、SL9 が B の位置の場合に MUXOUT が ADA4805-1 の非反転入力に接続されます。 |
|
| SL13 | A | このリンクで、ADA4805-1 の SHUTDOWN接続を選択します。 A をセンターに接続すると、SHUTDOWN が PMOD_GPIO1 に接続されます。 B をセンターに接続すると、SHUTDOWN が SL5 で選択された VDD ソースに接続されます。 |
|
セットアップとテスト
ボードがパワーアップして評価用ソフトウェアが初期化されたら、ADC を所定のチャンネルで変換するように設定します。J1 端子に入力信号を加え、Single Capture または Continuous Capture をクリックし、変換結果を観測します。
アラート機能をテストするには、評価用ソフトウェアのConfigure タブの Low Limit または High Limit を設定し、設定範囲外を示す LED アラート・インジケータを観測します。




