概要
機能と利点
- Analog Devices has worked closely with FPGA and processor manufacturers to develop verified power solutions that optimize cost, size and efficiency in high performance applications
- Our reference designs are supported by an intuitive design tool set and IP
- Our team can provide designs for quick prototypes that can speed time to market in the most complex applications
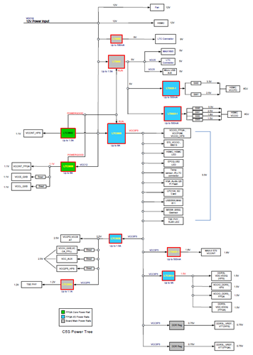
回路説明
The SoCKit Development Kit presents a robust hardware design platform built around the Altera Cyclone V System-on-Chip (SoC) FPGA, which combines the latest Cortex-A9 embedded cores with industry-leading programmable logic for ultimate design flexibility. Users can now leverage the power of tremendous re-configurability paired with a high-performance, low-power processor system.
Each SoC Kit features:
- Altera Cyclone V SoC with Dual ARM® Cortex®-A9 processors and 110K LEs
- High Speed Mezzanine Connector (HSMC) including transceivers
- Two banks of low-power DDR3 memory
- MicroSD card and Ethernet 10/100/1000 interfaces
- Adjustable clock output by Silicon Labs
- Graphic LCD: 128 × 64 (SPI Interface)
- VGA and Audio connections
- USB 2.0 OTG (Full Speed) and USB to UART connections
- 3-Axis digital accelerometer and temp sensor
- User’s manual/start-up guide, USB and Power Cables

