概要
設計リソース
評価用ボード
型番に"Z"が付いているものは、RoHS対応製品です。 本回路の評価には以下の評価用ボードが必要です。
- EVAL-CN0276-SDPZ ($175.96) High Performance, 10-Bit to 16-Bit Resolver-to-Digital Converter
- EVAL-SDP-CB1Z ($134.00) Eval Control Board
デバイス・ドライバ
コンポーネントのデジタル・インターフェースとを介して通信するために使用されるCコードやFPGAコードなどのソフトウェアです。
AD2S1210 GitHub no-OS Driver Source Code
AD2S1210 IIO Resolver-to-Digital Converter for Python
AD2S1210 IIO Resolver-to-Digital Converter for MATLAB/Simulink
機能と利点
- 10ビット~16ビット分解能のレゾルバ/デジタル・コンバータ
- 高電圧駆動と低電圧駆動のオプション
- 3125rpsの最大トラッキング・レート
製品カテゴリ
マーケット & テクノロジー
使用されている製品
参考資料
-
CN0276 Software User Guide2018/10/22WIKI
-
MT-101: Decoupling Techniques2015/02/14PDF954 kB
-
MT-031: データ・コンバータのグラウンディングと、「AGND」および「DGND」に関する疑問の解消2009/03/20PDF144 kB
-
MT-030: Resolver-to-Digital Converters2009/03/20PDF57 kB
-
CN0276: 10ビット~16ビット分解能の高性能レゾルバ/デジタル・コンバータ2013/11/20PDF531 kB
回路機能とその特長
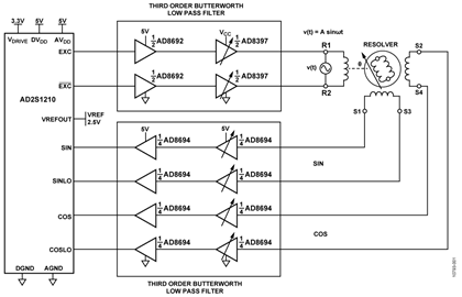
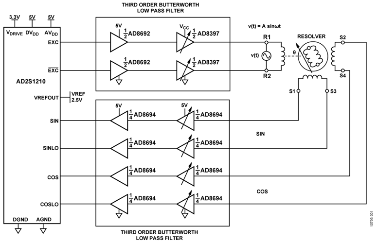
図1に示す回路は、全機能内蔵型の高性能レゾルバ/デジタル変換(RDC)回路であり、広い温度範囲において高い信頼性が要求される車載機器、航空電子機器、要求の厳しい工業用アプリケーションなどで角度の位置と速度を高精度に測定します。
この回路は、高性能と低消費電力の2つの動作モードを備えた先進のレゾルバ・ローター・ドライバ回路を搭載しています。高性能モードでは、システムは12V単電源で動作し、レゾルバに6.4Vrms(18Vp-p)を供給することができます。低消費電力モードでは、システムは6V単電源で動作し、レゾルバに100mA未満の消費電流で3.2Vrms(9.2Vp-p)を供給することができます。ドライバとレシーバの両方にアクティブ・フィルタを備えており、量子化ノイズの影響を最小限に抑えます。
RDCの最大トラッキング・レートは、10ビット・モード(分解能 = 21分角)で3125rps、16ビット・モード(分解能 = 19.8秒角)で156.25rpsです。
回路説明
シグナル・チェーンは、振幅と周波数だけでなく位相シフトと安定性を考慮して設計する必要があります。さらに、レゾルバ・ローターの巻線インピーダンスには抵抗性と誘導性の両方の成分があります。
AD2S1210 RDCの励起信号範囲は2kHz~20kHzで、250Hz刻みで設定することができます。大部分のレゾルバは、一般に約10kHzの固定励起周波数で仕様が規定されています。シグナル・チェーンの設計では、レゾルバが異なると位相シフトも異なることを考慮する必要があります。
励起信号がレゾルバ・ローターの巻線に供給されますが、この巻線は非理想的なインダクタであり、50Ω~200Ωの標準抵抗成分と0Ω~200Ωのリアクタンス成分を有します。たとえば、図1の回路で使用されている多摩川精機のレゾルバTS2620N21E11の10kHzでのインピーダンスは70Ω + j100Ωです。
標準励起電圧が最大20Vp-p(7.1Vrms)になる可能性があるため、レゾルバ・ドライバの最大電流と最大消費電力の両方を考慮する必要があります。広い電源電圧範囲(24V)、大出力電流(±12V電源で32Ωに最大310mA)、レールtoレール出力電圧、熱抵抗が小さいパッケージ(8ピンSOIC EPパッケージでθJA = 47.2°C/W)であることから、この回路にAD8397を選択しました。
AD2S1210からの励起出力信号は、ある程度の量子化ノイズと歪みを生じる内部DACで生成されます。このため、駆動信号のノイズを減らすための3次アクティブ・バターワース・フィルタとしてデュアル・オペアンプAD8692を設置しています。同様に、SINとCOSのレシーバ回路は、アクティブ・ノイズ・フィルタとして2個のクワッド・オペアンプAD8694を使用しています。
シグナル・チェーンの設計
シグナル・チェーンの設計では以下の要素を検討する必要があります。
- AD2S1210の励起信号出力範囲:3.2V(min)、3.6V(typ)、4.0V(max)
- AD8692の出力電圧範囲:0.29V~4.6V、+5V電源時
- AD8397の出力電圧範囲:0.18V~5.87V、+6V電源時
- AD8397の出力電圧範囲:0.35V~11.7V、+12V電源時
- レゾルバ(TS2620N21E11)の変換比:0.5
- レゾルバ(TS2620N21E11)の位相シフト:0°
- AD8694の出力電圧範囲:0.37V~4.6V、+5V電源時
- AD2S1210のピークtoピーク差動入力信号範囲(SIN、COS):2.3V(min)、3.15V(typ)、4.0V(max)
- レゾルバ出力SINとCOSの負荷を等しくする
- レゾルバ出力の負荷はレゾルバの出力インピーダンスの20倍以上にする
- 全シグナル・チェーンの位相シフト範囲:n × 180° − 44° ≤ φ ≤ n × 180° + 44°(nは整数)
レゾルバの励起フィルタとドライバの回路
AD2S1210の励起信号のフィルタとパワー・アンプの回路を図2に示します。AD2S1210からの4.0Vp-pの最大励起信号(EXE)に対してAD8397の出力ドライバが飽和しないように、シグナル・チェーン内の各ポイントでのゲインと信号レベルに細心の注意を払う必要があります。レゾルバは差動で駆動されるため、図2に示されているように、それぞれ+側と-側のEXE出力に相当する2つの同じチャンネルがあることに注意してください。

AD8692のフィルタ回路のDCゲインは−1です。高性能モード(S1が閉)では、12V電源を使用した場合に4.0Vp-pのEXE入力から10Vp-pの出力が生成されるように、AD8397のドライバ段のゲインが2.5(実際に入手可能な抵抗値を使用する場合は2.49)に設定されます。この場合、AD8397の出力には両方の電源レールから1Vのヘッドルームが与えられます。低消費電力モード(S1が開)では、6V電源を使用した場合に4.0Vp-pのEXE入力から5.12Vp-pの出力が生成されるように、ゲインが1.28に設定されます。
標準オン抵抗が1Ω未満のADG1612はゲイン・スイッチに最適です。ただし、スイッチのオフ容量が標準で72pFなので、オペアンプの入力には直接接続できません。この回路ではグラウンドとの間にR6が接続されるため、オフしたときにこの容量が性能に与える影響はごくわずかです。

このフィルタは、レゾルバを駆動する励起信号のノイズを低減するのに非常に有効です。AD2S1210の出力で直接測定した10kHzのEXE信号を図4に示します。C3(AD8397の入力)で測定した信号とフィルタのノイズ除去効果を図5に示します。


低消費電力モードと高性能モードでのレゾルバの1つの入力で測定したAD8397の出力を、それぞれ図6と図7に示します。これらの信号はレゾルバ入力の片側で測定されており、レゾルバに供給される実際の差動信号は振幅が2倍になることに注意してください。


レゾルバのSIN/COSレシーバ回路とフィルタ
3次バターワース・フィルタとゲインの設定が可能な段を備えたレシーバ回路を図8に示します。ドライバ回路が高性能モード(VCC = 12V)の場合、S1が開状態になり、総合ゲインが0.35になります。レゾルバの入力駆動信号は18Vp-p(差動)であり、レゾルバの変換比が0.5であることからSIN/COS出力は9Vp-pの差動信号になります。9Vp-pの差動信号は4.5Vp-pのシングルエンド信号に相当し、0.35のゲイン係数を掛けると1.58Vp-p(差動では3.16Vp-p)になります。この値はAD2S1210のSIN/COS入力に対して最適な入力電圧です。同様に、低消費電力モードではS1が閉状態になり、総合ゲインが0.7になります。この場合もAD2S1210のSIN/COS入力に対して最適な入力信号レベルを提供します。
レシーバ回路はゲイン調整を行うほか、カットオフ周波数が63kHz、10kHzでの位相シフトが−18.6°の3次バターワース・フィルタとしても機能します。
低ゲイン・モードと高ゲイン・モードでのフィルタの周波数応答を、それぞれ図9と図10に示します。


図11に示すAD2S1210のSIN/COS入力の電圧は1.64Vp-p(差動で3.28Vp-p)です。

図12はAD2S1210のEXCピン(CH1黄色)とSIN入力ピン(CH2青色)の間の全位相シフトが約40°であることを示しています。この値は44°の最大設計値を下回ります。

自動モード検出回路
図13に示すリセット回路は、マイクロプロセッサADM6328によるリセット回路を使用し、VCC電圧の値に基づいてドライバとレシーバのゲインを決定します。閾値電圧は、VCCが11.5Vを上回ると回路が高性能モードに切り替わるように設定されます。VCCが11.5Vを下回ると、回路は低消費電力モードに切り替わります。
ADM6328はわずか1µAしか消費しないため、大きな電圧降下を生じることなく、高インピーダンスのR1/R3抵抗分割器の出力を電源として使用することができます。

ADM6328はオープン・ドレイン出力を備えており、抵抗R2がプルアップとして機能します。これにより、出力振幅がVCC入力に影響されなくなります。ADM6328の電源電圧は次式で求められます。

この回路は閾値電圧が標準で2.2V、最大で2.25VのADM6328-22を使用しています。最大VCC閾値電圧が11.5Vなので次のようになります。

抵抗R1とR3はそれぞれ1.6kΩと390Ωが選択され、4.102の比が得られています。
レゾルバ・ドライバのパワー・アンプの消費電力
レゾルバが比較的低インピーダンスでありVCC電圧が高いことから、ドライバ・アンプAD8397の消費電力を知り、最大消費電力の規定値を超えないようにすることが重要です。AD8397が安全に消費できる最大電力は、ジャンクション温度上昇により制限されます。
プラスチック密封型デバイスの安全な最大ジャンクション温度はプラスチックのガラス遷移温度により決定され、約150℃です。この制限値を一時的に超えると、パッケージからダイに加わるストレスの変化によりパラメータ性能がシフトすることがあります。
ジャンクション温度の上昇分は、周囲温度(TA)、パッケージの熱抵抗(θJA)、アンプの消費電力(PAMP)から次のように計算できます。
![]()
この回路は、エクスポーズド・パッド(EP)付きの8ピンSOICパッケージに収容され、θJAが47.2℃/WのAD8397ARDZを採用しています。
アンプで消費される電力PAMPは、電源から供給される電力PSUPPLYから負荷で消費される電力PLOADを差し引くことによって次のように計算します。

電源から供給される電力は、まず電源からの平均電流を計算することから行います。これらの計算ではオペアンプの静止電源電流を無視し、励起電流による電流のみを考慮することに注意してください。これらの計算に使用する等価回路を図14に示します。


多摩川精機のレゾルバTS2620N21E11を使用する場合、10kHzでのインピーダンスは70Ω+j100Ωになります。高性能モード(VCC = 12V、A = 10V)では、ここで導いた式を使ったAD8397の消費電力は390mWになります。
AD8397(EPパッケージ)のジャンクション-周囲間の熱抵抗θJAは47.2℃/Wなので、ジャンクション温度は周囲温度を47.2℃/W × 0.39W = 18.4°上回ります。
電源
動作モードに応じて、回路全体が+6Vまたは+12Vのどちらかの外部VCCで動作します。回路の5V電源は、5V/500mA低ドロップアウト・レギュレータ(LDO)ADP7104-5を使って生成します。3.3V電源は、3.3VのADP7104-3.3を使って生成します。電源回路の詳細については、CN0276設計サポート・パッケージに含まれる回路図を参照してください(www.analog.com/CN0276-DesignSupport)。
PCBの設計とレイアウトに関する検討事項
RDC回路に関しては、低い周波数でもレイアウトに不備があると、性能が低下する可能性があります。たとえば、レゾルバは10kHzの励起信号で動作しますが、AD2S1210は8.192MHzのクロックで動作するため、レイアウト、グラウンディング、デカップリングに関して高速デバイスとして扱う必要があります。チュートリアルMT-031とMT-101にこれらのテーマが詳細に記載されています。
回路図、PADSやGerberのレイアウト・ファイル、部品表を含むCN-0276の設計サポート・パッケージが入手可能です(https://www.analog.com/CN0276-DesignSupport)。
システム性能の測定結果
回路の総合システム・ノイズを測定する最適な方法は、レゾルバの位置を固定し、出力コードのヒストグラムを作成することです。このテストはヒステリシス機能を無効にして行う必要があります。以下の図は、10ビット、12ビット、14ビット、16ビットの角度精度モードでのAD2S1210の出力コードのヒストグラムを示しています。それぞれの場合、ヒストグラムの生成にRDCの16ビット全てが使用され、回路はVCC = +12Vの高性能モードに設定されています。




バリエーション回路
CN-0276の回路はさまざまなタイプのレゾルバに使用することができます。最高の性能を得るには、受動部品を適切に調整する必要があります。この回路を異なるレゾルバに適応するには基本的に以下のようにします。
- 各アンプの出力が許容電圧範囲内に保たれるようにすること。.
- 過電圧の影響を受ける部品がないようにすること。たとえば、レゾルバの出力電圧がスイッチADG1611に対して高すぎる場合、図8に示されているように回路の入力と直列に抵抗を追加することができます。
- シグナル・チェーン全体の位相シフトがn × 180° − 44° ≤ φ ≤ n × 180° + 44°の範囲内を維持するようにすること。ここで、nは整数。
アプリケーションによっては、レゾルバの1次巻線と並列にコンデンサを追加し、その値を動作周波数でレゾルバのインダクタンスと共振するように選択します。これにより、見かけ上の負荷が抵抗性になります。たとえば、回路で使用されるレゾルバの10kHzでの100Ωのリアクタンスは1.6mHのインダクタ値に相当します。1次巻線と並列に160nFのコンデンサを接続すると、負荷はインピーダンスの実数部である約70Ωになります。
ただし、オペアンプの帯域幅内であっても周波数が高いと、負荷が容量性であることからオペアンプが発振する可能性があります。このアプリケーションでは帯域幅全体で安定性を維持するように、オペアンプを注意深く補償する必要があります。
回路の評価とテスト
この回路はEVAL-CN0276-SDPZ回路ボードとEVAL-SDP-CB1Z SDP-Bシステム・デモンストレーション・プラットフォーム・コントローラ・ボードを使用します。これら2枚のボードは120ピン接続用コネクタを備えているので、手早く組み立てて回路の性能を評価することができます。EVAL-CN0276-SDPZは評価対象の回路を備えており、EVAL-SDP-CB1Z(SDP-B)をCN-0276評価用ソフトウェアとともに使用し、EVAL-CN0276-SDPZとのデータ交換を行います。
必要な装置
以下の装置が必要です。
- USBポート付きでWindows® 7以降を搭載のPC
- EVAL-CN0276-SDPZ回路ボード
- EVAL-SDP-CB1Z SDP-Bコントローラ・ボード
- CN-0276評価用ソフトウェア
- 6V/1Aのベンチ電源
- 12V/1Aのベンチ電源
- 多摩川精機のレゾルバTS2620N21E11
評価開始にあたって
CN-0276評価用ソフトウェアのCDをPCのCDドライブにセットして、評価用ソフトウェアをロードします。マイコンピュータから評価用ソフトウェアCDを挿入したドライブを探します。ソフトウェア操作の詳細についてはCN0276ソフトウェア・ユーザー・ガイドを参照してください。
機能ブロック図
図19にテスト・セットアップの機能ブロック図を示します。

セットアップ
EVAL-CN0276-SDPZ回路ボードの120ピン・コネクタをEVAL-SDP-CB1Zコントローラ・ボード(SDP-B)のCON Aコネクタに接続します。120ピン・コネクタの端部にある穴を利用し、ナイロン製の固定用部品を使って2枚のボードをしっかりと固定します。電源をオフにして、6Vまたは12Vの電源をボードのVCCピンとGNDピンに接続します。SDP-Bボードに付属しているUSBケーブルをPCのUSBポートに接続します。このとき、USBケーブルをSDP-BボードのミニUSBコネクタに接続しないでください。レゾルバTS2620N21E11をEVAL-CN0276-SDPZ回路ボードのJ3に接続します。
テスト
EVAL-CN0276-SDPZに接続された6Vまたは12Vの電源をオンにします。評価用ソフトウェアを起動し、PCからのUSBケーブルをEVAL-SDP-CB1ZのミニUSBコネクタに接続します。
USBによる通信が確立されると、EVAL-SDP-CB1ZはEVAL-CN0276-SDPZとの間のパラレル・データの送受信およびキャプチャを行うことができます。
位置と速度を測定する回路を使用したときのソフトウェア出力を表示したスクリーンショットを図20に示します。
EVAL-CN0276-SDPZ評価ボードの写真を図21に示します。
テスト・セットアップと校正についての詳細、およびデータ・キャプチャ用評価ソフトウェアの使用方法については、CN-0276ソフトウェア・ユーザー・ガイドを参照してください。


プロトタイプ開発での接続
EVAL-CN0276-SDPZ評価ボードはEVAL-SDP-CB1Z SDP-Bボードを使用するように設計されていますが、マイクロプロセッサを使用することにより、AD2S1210のSPIポートとインターフェースすることができます(この場合SOEピンをローに設定してSPIインターフェースをアクティブにする必要があります)。その他のコントローラをEVAL-CN0276-SDPZ評価ボードと併用するためには、サードパーティによるソフトウェア開発が必要になります。
アルテラやザイリンクスのフィールド・プログラマブル・ゲート・アレイ(FPGA)とのインターフェースに使用可能な既存のインターポーザ・ボードがあります。Niosドライバを使用することにより、アルテラのBeMicro SDKボードをBeMicro SDK/SDPインターポーザと併用することができます。FMCコネクタを備えたザイリンクスのどの評価ボードもFMC-SDPインターポーザ・ボードと併用することができます。

