ADG1612

製造中

アナログ・スイッチ、クワッドSPST、オン抵抗1Ω、±5V/+12V/+5V/+3.3V

利用上の注意

本データシートの英語以外の言語への翻訳はユーザの便宜のために提供されるものであり、リビジョンが古い場合があります。最新の内容については、必ず最新の英語版をご参照ください。

なお、日本語版のデータシートは基本的に「Rev.0」(リビジョン0)で作成されています。そのため、英語版が後に改訂され、複数製品のデータシートがひとつに統一された場合、同じ「Rev.0」の日本語版のデータシートが異なる製品のデータシートとして表示されることがあります。たとえば、「ADM3307E」の場合、日本語データシートをクリックすると「ADM3311E」が表示されます。これは、英語版のデータシートが複数の製品で共有できるように1本化され、「ADM3307E/ADM3310E/ADM3311E/ADM3312E/ADM3315E」(Rev.J)と改訂されたからで、決して誤ってリンクが張られているわけではありません。和文化されたデータシートを少しでも有効に活用していただくためにこのような方法をとっておりますので、ご了解ください。

アナログ・デバイセズ社は、提供する情報が正確で信頼できるものであることを期していますが、その情報の利用に関して、あるいはその利用によって生じる第三者の特許やその他の権利の侵害に関して一切の責任を負いません。また、アナログ・デバイセズ社の特許または特許の権利の使用を明示的または暗示的に許諾するものでもありません。仕様は予告なしに変更する場合があります。本紙記載の商標および登録商標は、各社の所有に属します。

Viewing:

製品情報

  • オン抵抗:1Ω(typ) 
  • オン抵抗平坦性:0.2Ω 
  • 両電源動作:±3.3 V~±8 V 
  • 単電源動作:3.3 V~16 V
  • VL電源が不要 
  • 3 Vロジック互換入力 
  • レールtoレール動作

    詳細はデータシートをご参照ください。

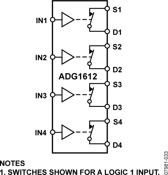
ADG1611/ADG1612/ADG1613は4個の独立したシングル・ポール/シングル・スロー(SPST)スイッチを内蔵しています。ADG1611とADG1612の違いは、デジタル制御ロジックが反転している点だけです。ADG1611のスイッチはコントロール入力に印加されるロジック・ゼロ入力に対してターンオンします。一方ADG1612のスイッチはロジック・ハイ・レベル入力に対してターンオンします。ADG1613にはADG1611と同じデジタル制御ロジックを持つスイッチが2個と制御ロジックが反転している2個のスイッチが内蔵されています。各スイッチはオン時には等しく両方向に導通し、電源までの入力信号範囲を持っています。オフ状態では、電源電圧までの信号レベルを阻止します。

ADG1613は、マルチプレクサ・アプリケーションで使えるようにブレーク・ビフォー・メーク・スイッチング動作が可能です。 デジタル入力でスイッチするときのトランジエントを最小化するようにチャージ・インジェクションを小さくする固有設計を採用しています。

これらのスイッチは超低オン抵抗を備えているため、低オン抵抗と歪が重要なとなるデータ・アクイジションやゲインの切り替えを必要とするアプリケーションに最適です。オン抵抗のプロファイルとして、アナログ入力範囲全体にわたって非常にフラットであるため、オーディオ信号をスイッチングする場合優れた直線性と低歪を実現します。

CMOS構造により消費電力が極めて少ないため、携帯型バッテリ駆動の計測機器にとって最適なデバイスとなっています。

製品のハイライト

  1. 全温度範囲にわたるオン抵抗:1.6Ω(max) 
  2. 低最小の歪み:THD + N=0.007% 
  3. 3 Vロジック互換デジタル入力VINH = 2.0 V、VINL = 0.8 V 
  4. VLロジック電源が不要 
  5. 超低パワー16nW以下 
  6. パッケージ:16ピンTSSOP、16ピン4×4 mm LFCSP

アプリケーション

  • 通信システム 
  • 医療機器 
  • オーディオ信号のルーティング 
  • ビデオ信号のルーティング 
  • 自動試験装置 
  • データ・アクイジション・システム 
  • バッテリ駆動のシステム 
  • サンプル・アンド・ホールド・システム 
  • リレーの置き換え

ADG1612
アナログ・スイッチ、クワッドSPST、オン抵抗1Ω、±5V/+12V/+5V/+3.3V
ADG1612 Functional Block Diagram ADG1612 Pin Configuration
myAnalogに追加

myAnalogの製品セクション(通知受け取り)、既存/新規プロジェクトに製品を追加する。

新規プロジェクトを作成
質問する
サポート

アナログ・デバイセズのサポート・ページはアナログ・デバイセズへのあらゆるご質問にお答えするワンストップ・ポータルです。


ドキュメント

さらに詳しく
myAnalogに追加

myAnalogのリソース・セクション、既存/新規プロジェクトにメディアを追加する。

新規プロジェクトを作成

ソフトウェア・リソース

必要なソフトウェア/ドライバが見つかりませんか?

ドライバ/ソフトウェアをリクエスト

ツールおよびシミュレーション

LTspice


下記製品はLTspiceで使用することが出来ます。:

  • ADG1612

SPICEモデル 1

LTspice

LTspice®は、無料で提供される強力で高速な回路シミュレータと回路図入力、波形ビューワに改善を加え、アナログ回路のシミュレーションを容易にするためのモデルを搭載しています。

 


評価用キット

eval board
EVAL-16TSSOP

スイッチ/マルチプレクサ・ポートフォリオの16ピンTSSOPデバイス評価用ボード

機能と利点

  • 16ピンTSSOP評価用ボード
  • クランプによってメイン・デバイスを簡単に変更可能
  • ゴールド・ピン・コネクタによって受動部品の追加が可能
  • 信号入出力用のSMBコネクタ
  • プロトタイピングを可能とする、オンボードの追加スペース

製品詳細

EVAL-16TSSOPEBZ評価用ボードは、別売のスイッチおよびマルチプレクサ・ポートフォリオの16ピンTSSOPデバイスを評価します。EVAL-16TSSOPEBZにはクランプが付属しており、ハンダ処理なしで16ピンTSSOPデバイスを評価用ボードに固定できるため、複数のデバイスでボードを再利用できます。

16ピンTSSOPデバイスは、評価用ボードの中央にクランプまたはハンダで取り付けることができます。デバイスの各ピンにはK1からK16まで対応するリンクがあり、VDDまたはGNDのいずれかに設定できます。ワイヤ・スクリュー端子は、VDDとGNDに電力を供給します。ボード上のSMBコネクタによって、追加の外部信号をデバイスに供給できます。また、ボードの上部にはプロトタイピングに利用できるスペースがあります。

テスト対象デバイス(DUT)のすべての仕様は、対応する製品のデータシートに記載されています。評価用ボードを使用する際は、このユーザー・ガイドと併せて参照してください。

eval board
EVAL-16LFCSP

スイッチおよびマルチプレクサ・ポートフォリオの16ピンLFCSPデバイスの評価用ボード

機能と利点

  • 16ピン、4mm × 4mm LFCSPの評価用ボード
  • メイン・デバイスのクラムシェル・ソケットを簡単に変更可能
  • ゴールド・ピン・コネクタによって受動部品を追加
  • 信号入出力用のSMBコネクタ
  • プロトタイピングに役立つオンボードの追加スペース

製品詳細

EVAL-16LFCSPEBZでは、別売のスイッチおよびマルチプレクサのポートフォリオの16ピン・リード・フレーム・チップ・スケール・パッケージ(LFCSP)デバイスを簡単に評価できます。EVAL-16LFCSPEBZにはクラムシェル・ソケットが付属しており、ハンダ処理なしで16ピンLFCSPデバイスを評価用ボードに固定できます。更に、各パターンに3セットのゴールド・ピン・コネクタがあるため、ボードの柔軟性と再利用性が高く、複数の評価に使用できます。

ユーザ・ガイドの図1は、EVAL-16LFCSPEBZを示しています。この評価用ボードの中央にあるソケットに16ピンLFCSPデバイスを挿入できます。デバイスの各ピンに、対応する3ピン・ヘッダ・リンク(K1~K16)があります。対応するリンクを取り外して外部信号源に接続することも、このリンクを使用してVDDまたはGNDを選択することもできます。ワイヤ・スクリュー端子J5は、VDDとGNDを供給します。EVAL-16LFCSPEBZのSubminiature Version B(SMB)コネクタによって、追加の外部信号をデバイスに供給できます。更に、EVAL-16LFCSPEBZの上面には、プロトタイピングに役立つパーフボード・スペースと2つの16ピンLFCSPパッド(3mm x 3mmと2.1mm x 2.1mm)があります。

テスト対象デバイス(DUT)のすべての仕様は、対応する製品のデータシートに記載されています。EVAL-16LFCSPEBZを使用する際は、EVAL-16LFCSPEBZのユーザ・ガイドと併せて製品データシートを参照してください。

EVAL-16TSSOP
スイッチ/マルチプレクサ・ポートフォリオの16ピンTSSOPデバイス評価用ボード
EVAL-16TSSOPEBZ Image
EVAL-16LFCSP
スイッチおよびマルチプレクサ・ポートフォリオの16ピンLFCSPデバイスの評価用ボード
EVAL-16LFCSPEBZ Evaluation Board EVAL-16LFCSPEBZ Evaluation Board - Top View EVAL-16LFCSPEBZ Evaluation Board - Bottom View

リファレンス・デザイン

CN0276 Circuits from the Lab®

10ビット~16ビット分解能の 高性能レゾルバ/デジタル・コンバータ ※Rev.0を翻訳したものです。最新版は英語資料をご覧ください。

機能と利点

  • 10ビット~16ビット分解能のレゾルバ/デジタル・コンバータ
  • 高電圧駆動と低電圧駆動のオプション
  • 3125rpsの最大トラッキング・レート
CN0276
10ビット~16ビット分解能の 高性能レゾルバ/デジタル・コンバータ ※Rev.0を翻訳したものです。最新版は英語資料をご覧ください。

最新のディスカッション

最近表示した製品