製品概要
製品概要
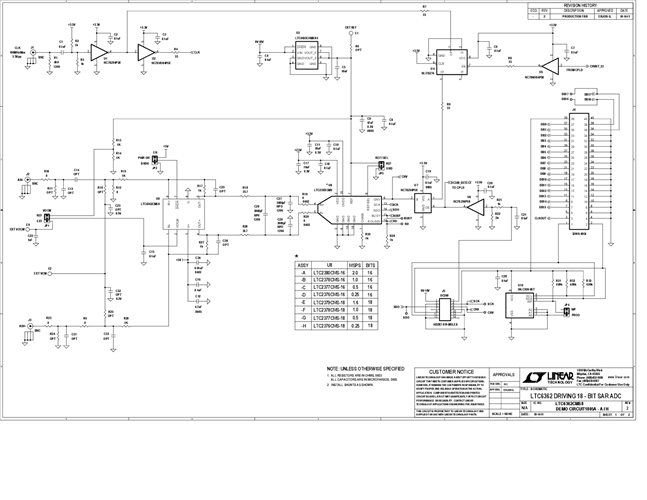
The LTC6362 is a low power, low noise differential op amp with rail-to-rail input and output swing that has been optimized to drive low power SAR ADCs. The amplifier may be configured to buffer a fully differential input signal or convert a single-ended input signal to a differential output signal.
関連資料
-
DC1805A - Schematic2012/05/16PDF103K
-
DC1805A - Demo Manual2012/05/16PDF753K
-
DC1805A - Design Files2012/05/16ZIP2M
