TMC2241

新規設計に推奨

65V 2ARMS Smart Integrated Stepper Driver with S/D and SPI

利用上の注意

本データシートの英語以外の言語への翻訳はユーザの便宜のために提供されるものであり、リビジョンが古い場合があります。最新の内容については、必ず最新の英語版をご参照ください。

なお、日本語版のデータシートは基本的に「Rev.0」(リビジョン0)で作成されています。そのため、英語版が後に改訂され、複数製品のデータシートがひとつに統一された場合、同じ「Rev.0」の日本語版のデータシートが異なる製品のデータシートとして表示されることがあります。たとえば、「ADM3307E」の場合、日本語データシートをクリックすると「ADM3311E」が表示されます。これは、英語版のデータシートが複数の製品で共有できるように1本化され、「ADM3307E/ADM3310E/ADM3311E/ADM3312E/ADM3315E」(Rev.J)と改訂されたからで、決して誤ってリンクが張られているわけではありません。和文化されたデータシートを少しでも有効に活用していただくためにこのような方法をとっておりますので、ご了解ください。

アナログ・デバイセズ社は、提供する情報が正確で信頼できるものであることを期していますが、その情報の利用に関して、あるいはその利用によって生じる第三者の特許やその他の権利の侵害に関して一切の責任を負いません。また、アナログ・デバイセズ社の特許または特許の権利の使用を明示的または暗示的に許諾するものでもありません。仕様は予告なしに変更する場合があります。本紙記載の商標および登録商標は、各社の所有に属します。

Viewing:

製品情報

  • Voltage Range: 4.5V to 65V DC
  • Low RON (HS + LS): 0.31Ω Typical (TA = 25°C)
  • Current Ratings per H-Bridge (Typical at 25°C):
    • 2ARMS (2.8A Sine Peak) at VS = 24V
    • 1.7ARMS (2.4A Sine Peak) at VS = 48V
  • Fully Integrated Lossless Current Sensing
  • Step/Direction (S/D) Interface with MicroPlyer StepInterpolation
  • SPI and Single-Wire UART
  • Encoder Interface
  • Highest Resolution of 256 Microsteps per Full Step
  • Flexible Wave Table and Phase Shift to Match Motor
  • StealthChop2 Silent Motor Operation
  • SpreadCycle Highly Dynamic Motor Control Chopper
  • Jerk-Free Combination of StealthChop2 andSpreadCycle
  • StallGuard2 and StallGuard4 Sensorless Motor LoadDetection
  • CoolStep Current Control for Energy Savings up to75%
  • Passive Braking and Freewheeling Mode
  • Motor Phase Temperature Estimation
  • Chip Temperature Measurement
  • General Purpose Analog Input
  • Full Protection and Diagnostics
  • Overvoltage Protection Output
  • Compact 5mm x 7mm TQFN38 Package

The TMC2241 is a smart, high-voltage stepper driver IC with step and direction control and serial communication interfaces. It combines the industry’s most advanced stepper motor driver based on the 256 microsteps, built-in indexer and two fully integrated 65V, 3.0AMAX H-bridges, plus non-dissipative integrated current sensing (ICS).

ADI-Trinamic's sophisticated StealthChop2 chopper ensures absolutely noiseless operation combined with maximum efficiency and best motor torque.

Please see the Data Sheet for the full description.

APPLICATIONS

  • Textile, Sewing Machines, Knitting Machines
  • Lab and Factory Automation
  • ID Printers/Card Printers
  • Liquid Handling, Medical Applications
  • Office Automation and Paper Handling
  • POS, Massage Chairs
  • ATM, Cash Recycler, Bill Validators, Cash Machines
  • CCTV, Security
  • Pumps and Valve Control
  • Heliostat and Antenna Positioning
  • Stage Lighting

TMC2241
65V 2ARMS Smart Integrated Stepper Driver with S/D and SPI
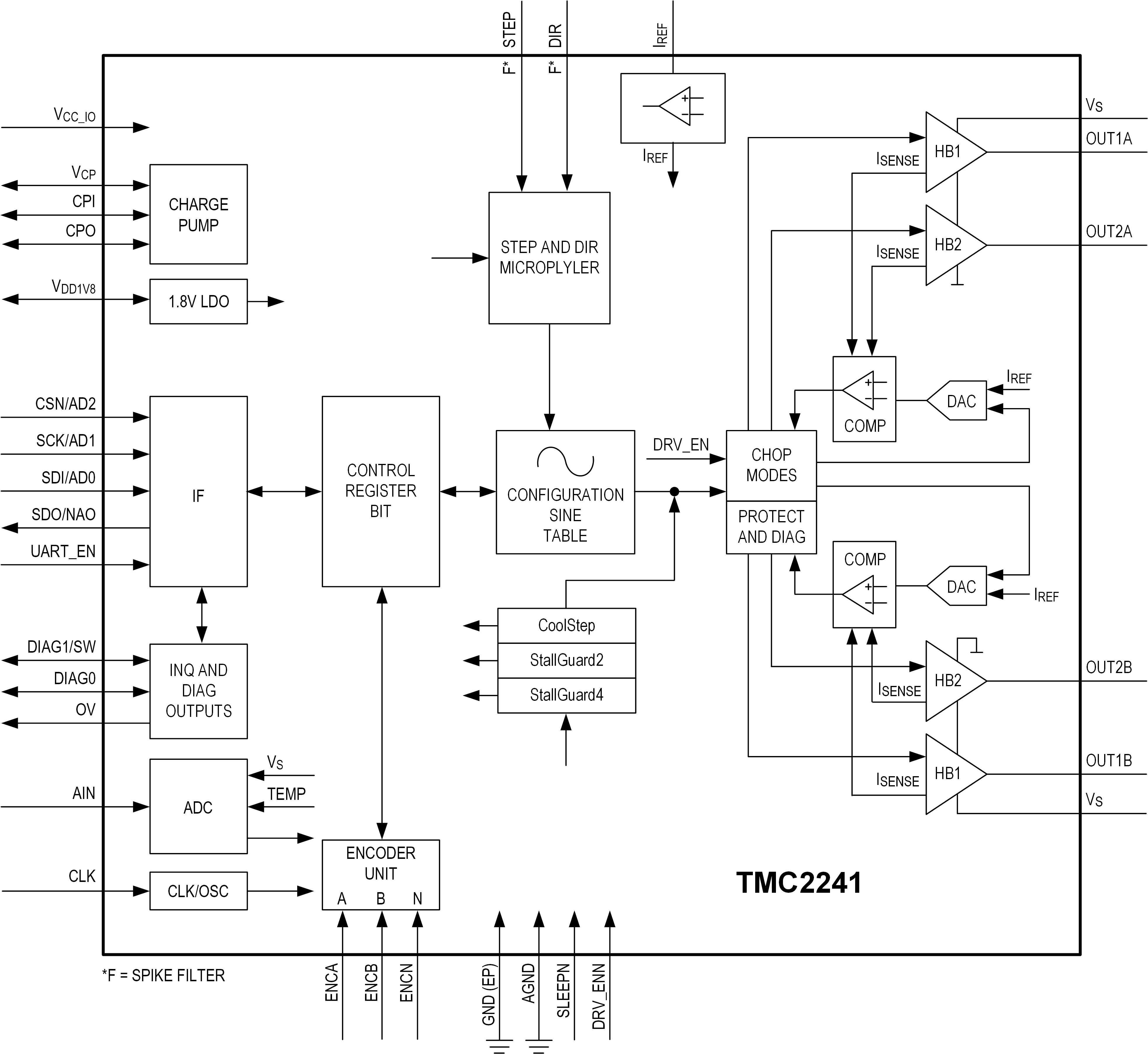
TMC2241 Functional Block Diagram TMC2241 Pin Configuration TMC2241 Chip Illustration
myAnalogに追加

myAnalogの製品セクション(通知受け取り)、既存/新規プロジェクトに製品を追加する。

新規プロジェクトを作成
質問する
サポート

アナログ・デバイセズのサポート・ページはアナログ・デバイセズへのあらゆるご質問にお答えするワンストップ・ポータルです。


ドキュメント

さらに詳しく
myAnalogに追加

myAnalogのリソース・セクション、既存/新規プロジェクトにメディアを追加する。

新規プロジェクトを作成

ソフトウェア・リソース

必要なソフトウェア/ドライバが見つかりませんか?

ドライバ/ソフトウェアをリクエスト

ハードウェア・エコシステム

製品モデル 製品ライフサイクル 詳細
TMC2130 新規設計に推奨 Silent stepper motor driver 5 to 46V, up to 1.2A with S/D and SPI Interface, 256 µSteps, CoolStep, StallGuard and StealthChop
TMC2160 新規設計に推奨 Stepper motor driver 8 to 60V, for external N-Fets with S/D and SPI Interface, 256 µSteps, CoolStep, StallGuard2, SpreadCycle and StealthChop2
Modal heading
myAnalogに追加

myAnalogの製品セクション(通知受け取り)、既存/新規プロジェクトに製品を追加する。

新規プロジェクトを作成

評価用キット

eval board
TMC2241-EVKIT

TMC2241 Smart High-Performance Stepper Motor Controller and Driver IC

機能と利点

  • 4.5V to 65V DC Single-Supply Voltage Range
  • Current Ratings per H-Bridge (25°C, typ):
    • IRMS = 2ARMS (2.8A sine peak) at VS = 24V
    • IRMS = 1.7ARMS (2.4A sine peak) at VS = 48V
    • SPI and Single-Wire UART
    • Encoder Interface and Step/Dir Input
    • Brake Output

製品詳細

The TMC2241-EVKIT is part of the ADI-Trinamic evaluation board system. The boards included in this kit, in combination with the TMCL-IDE, allow an uncomplicated first evaluation of the TMC2241, while also providing full control of all its features.

The TMC2241 is a smart, high-performance, stepper motor controller and driver IC with serial communication interfaces (SPI, UART) and extensive diagnostic capabilities. It combines a flexible, jerk-optimized ramp generator for automatic target positioning. It also features the industry’s most advanced stepper motor driver based on a 256-microstep, built-in indexer and fully integrated 65V, 3.0AMAX H-bridges plus nondissipative integrated current sensing (ICS).

TMC2241-EVKIT
TMC2241 Smart High-Performance Stepper Motor Controller and Driver IC
TMC2241-EVKIT Board Photo Angle View TMC2241-EVKIT Board Photo Bottom View TMC2241-EVKIT Board Photo Top View

最新のディスカッション

TMC2241に関するディスカッションはまだありません。意見を投稿しますか?

EngineerZone®でディスカッションを始める

最近表示した製品