MAX9132

最終販売

プログラマブル、高速、マルチ入力/出力LVDSクロスバースイッチ

LINまたはI²Cプログラマブルのクロスバースイッチで、ポイント間LVDSリンクを削減

利用上の注意

本データシートの英語以外の言語への翻訳はユーザの便宜のために提供されるものであり、リビジョンが古い場合があります。最新の内容については、必ず最新の英語版をご参照ください。

なお、日本語版のデータシートは基本的に「Rev.0」(リビジョン0)で作成されています。そのため、英語版が後に改訂され、複数製品のデータシートがひとつに統一された場合、同じ「Rev.0」の日本語版のデータシートが異なる製品のデータシートとして表示されることがあります。たとえば、「ADM3307E」の場合、日本語データシートをクリックすると「ADM3311E」が表示されます。これは、英語版のデータシートが複数の製品で共有できるように1本化され、「ADM3307E/ADM3310E/ADM3311E/ADM3312E/ADM3315E」(Rev.J)と改訂されたからで、決して誤ってリンクが張られているわけではありません。和文化されたデータシートを少しでも有効に活用していただくためにこのような方法をとっておりますので、ご了解ください。

アナログ・デバイセズ社は、提供する情報が正確で信頼できるものであることを期していますが、その情報の利用に関して、あるいはその利用によって生じる第三者の特許やその他の権利の侵害に関して一切の責任を負いません。また、アナログ・デバイセズ社の特許または特許の権利の使用を明示的または暗示的に許諾するものでもありません。仕様は予告なしに変更する場合があります。本紙記載の商標および登録商標は、各社の所有に属します。

Viewing:

製品情報

  • 各ポート最大840Mbpsのデータ速度をサポート
  • ポートの容易な拡張のため、非アクティブポートはハイインピーダンス状態
  • LVDS出力はプログラマブルなプリエンファシス付き
  • LVDS入力は自己コモンモードバイアス付き
  • スイッチ経路は3種類の方式を選択可能
    • I²Cインタフェース
    • LINインタフェース
    • 設定可能な端子(MAX9134/MAX9135)
  • ESD保護:±25kV
  • 電源電圧:+3.3V
  • 動作温度範囲:-40℃~+105℃

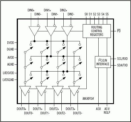
高速、マルチポート、低電圧差動信号(LVDS)クロスバースイッチMAX9132/MAX9134/MAX9135は、ディジタルビデオおよびカメラ信号の伝送に特化して設計されています。これらのスイッチは広い帯域幅を備え、最大840Mbpsのデータ速度をサポートしています。MAX9132は3つの入力ポートと2つの出力ポート、MAX9134は3つの入力ポートと4つの出力ポート、MAX9135は4つの入力ポートと3つの出力ポートを備えています。ディジタルビデオまたはカメラの信号は1つの入力ポートから入力され、スイッチを通して1つまたは複数の出力ポートに出力することができます。

MAX9132/MAX9134/MAX9135のスイッチ経路は、I²CインタフェースまたはLIN (Local Interconnect Network)のシリアルインタフェースを通して設定可能です。さらに、MAX9134/MAX9135はスイッチ経路を設定するための端子を備えています。これらの端子は、I²Cモードの初期状態の設定も行います。入力または出力ポートを増設するために、これらのスイッチを並列またはカスケード接続することが可能です。

MAX9132/MAX9134/MAX9135は+3.3V電源で動作し、-40℃~+105℃の温度範囲での動作が保証されています。MAX9134/MAX9135は32ピン(5mm x 5mm) TQFPパッケージで提供され、MAX9132は20ピン(6.5mm x 4.4mm) TSSOPパッケージで提供されます。入力/出力ポート端子のESD保護は、ISOエアギャップ放電モデルで最大±25kV、IECエアギャップ放電モデルで最大±15kV、ESD接触放電モデルで最大±10kVという定格になっています。その他の全端子は、ヒューマンボディモデルで最大±3kVのESDをサポートします。

アプリケーション

  • カメラ監視システム
  • 車載デジタルビデオ
  • 高速デジタルメディア配線
  • ナビゲーションシステムディスプレイ
  • ビデオ/オーディオ分配システム

MAX9132
プログラマブル、高速、マルチ入力/出力LVDSクロスバースイッチ
MAX9132、MAX9134、MAX9135:ファンクションダイアグラム
myAnalogに追加

myAnalogの製品セクション(通知受け取り)、既存/新規プロジェクトに製品を追加する。

新規プロジェクトを作成
質問する
サポート

アナログ・デバイセズのサポート・ページはアナログ・デバイセズへのあらゆるご質問にお答えするワンストップ・ポータルです。


ドキュメント

さらに詳しく
myAnalogに追加

myAnalogのリソース・セクション、既存/新規プロジェクトにメディアを追加する。

新規プロジェクトを作成

ハードウェア・エコシステム

製品モデル 製品ライフサイクル 詳細
ギガビット・マルチメディア・シリアル・リンク(GMSL) 7
MAX9207 製造中止 10ビット、バスLVDSシリアライザ
MAX9206 最終販売 10ビットバスLVDSデシリアライザ
MAX9218 最終販売 27ビット、7MHz~35MHz、DCバランス型LVDSデシリアライザ
MAX9205 最終販売 10ビット、バスLVDSシリアライザ
MAX9235 新規設計には非推奨 10ビットLVDSシリアライザ
MAX9208 最終販売 10ビットバスLVDSデシリアライザ
MAX9217 最終販売 27ビット、3MHz~35MHz、DCバランス型LVDSシリアライザ
Modal heading
myAnalogに追加

myAnalogの製品セクション(通知受け取り)、既存/新規プロジェクトに製品を追加する。

新規プロジェクトを作成

評価用キット

MAX9132EVKIT

MAX9132の評価キット

機能と利点

  • Windows 2000/XP/Vista (32ビット)対応ソフトウェア
  • USB-PC接続(ケーブル同梱)
  • I²CおよびLINバスコマンド生成用マイクロコントローラを搭載
  • I²Cインタフェース端子
  • 鉛(Pb)フリーおよびRoHS準拠
  • 実証済みPCBレイアウト
  • 完全実装および試験済み

製品詳細

MAX9132の評価キット(EVキット)は、高速マルチポートLVDSクロスバースイッチのMAX9132を評価するための実証済みの設計を提供しています。MAX9132は、3つの入力ポートと2つの出力ポートを備えています。また、このEVキットには、Windows® 2000/XP/Vista®対応のソフトウェアが含まれており、MAX9132の機能を実行するためのシンプルなグラフィカルユーザインタフェース(GUI)を提供します。

MAX9132のEVキットのPCBは、MAX9132GUP+が実装されて提供されます。

アプリケーション

  • カメラ監視システム
  • 車載デジタルビデオ
  • 高速デジタルメディア配線
  • ナビゲーションシステムディスプレイ
  • ビデオ/オーディオ分配システム

MAX9132EVKIT
MAX9132の評価キット

最新のディスカッション

MAX9132に関するディスカッションはまだありません。意見を投稿しますか?

EngineerZone®でディスカッションを始める

最近表示した製品