MAX8879

製造中止

安全タイマー付き、バックライト/フラッシュ/RGB LED用、チャージポンプ

最大400mAのフラッシュ能力/安全タイマーおよび3つのRGBドライバを備えた、高効率バックライトおよびフラッシュドライバ

利用上の注意

本データシートの英語以外の言語への翻訳はユーザの便宜のために提供されるものであり、リビジョンが古い場合があります。最新の内容については、必ず最新の英語版をご参照ください。

なお、日本語版のデータシートは基本的に「Rev.0」(リビジョン0)で作成されています。そのため、英語版が後に改訂され、複数製品のデータシートがひとつに統一された場合、同じ「Rev.0」の日本語版のデータシートが異なる製品のデータシートとして表示されることがあります。たとえば、「ADM3307E」の場合、日本語データシートをクリックすると「ADM3311E」が表示されます。これは、英語版のデータシートが複数の製品で共有できるように1本化され、「ADM3307E/ADM3310E/ADM3311E/ADM3312E/ADM3315E」(Rev.J)と改訂されたからで、決して誤ってリンクが張られているわけではありません。和文化されたデータシートを少しでも有効に活用していただくためにこのような方法をとっておりますので、ご了解ください。

アナログ・デバイセズ社は、提供する情報が正確で信頼できるものであることを期していますが、その情報の利用に関して、あるいはその利用によって生じる第三者の特許やその他の権利の侵害に関して一切の責任を負いません。また、アナログ・デバイセズ社の特許または特許の権利の使用を明示的または暗示的に許諾するものでもありません。仕様は予告なしに変更する場合があります。本紙記載の商標および登録商標は、各社の所有に属します。

Viewing:

製品情報

  • 610mAの連続駆動能力を保証
    • メインディスプレイ用、4つのLEDに各30mA
    • サブまたはRGB用、3つのLEDに各30mA
    • フラッシュ用合計400mA
  • 2線式I²Cシリアルポート
    • 5ビット(32ステップ)リニア調光
    • 32kのカラー
    • ランプアップ/ダウンレート
  • ピーク時92%/平均83%の効率(PLED/PBATT)
  • 適応型1倍/1.5倍/2倍モードの切替え
  • 0.3% (typ)のLED電流精度およびマッチング
  • 低入力リップルおよびEMI
  • 低シャットダウン電流:0.1µA
  • 出力過電圧保護
  • I²Cで設定可能なフラッシュ安全タイマー
  • 温度ディレーティング機能がLEDを保護
  • 4mm x 4mmの24ピンTQFNパッケージ

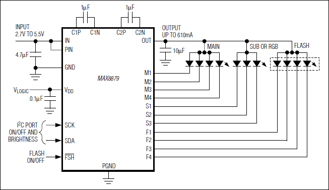
MAX8879は、メインディスプレイバックライト、サブディスプレイバックライト(またはRGBインジケータ)、および白色LEDカメラフラッシュに合計で最大610mAの安定化された定電流と、完全な照明管理を提供します。適応型1倍/1.5倍/2倍のチャージポンプモードと超低ドロップアウト電流レギュレータの使用によって、この製品は1セルLi+ (リチウムイオン)バッテリの全入力電圧範囲で高効率を実現します。1MHzの固定スイッチング周波数によって、小型外付け部品の使用が可能となり、レギュレーション方式は、低EMIと低入力リップルとなるように最適化されています。内蔵のディレーティング機能は、周囲温度が高い時にLEDを過熱から保護します。

MAX8879は、トリミングされた内部リファレンスを特長としており、最大のLED電流を設定します。I²Cシリアルポートを使用して、オン/オフ制御と、メイン、サブ/RGB、および動画用に32のリニアステップでLED電流の設定を行います。I²Cポートは、RGBインジケータの使用時には、32kのカラーと設定可能なランプアップ/ダウンレートを提供します。フラッシュモード動作用のカメラフラッシュは、アクティブローFSHピンのアクティブロー信号でイネーブルされます。安全タイマーは、アクティブローFSHの立下りエッジでオンとなり、タイマーなし、0.5秒、1.0秒、または2.0秒(デフォルト)でI²Cで時間が調整可能(設定可能)です。安全タイマー時間が過ぎると、フラッシュと動画モードの両方がディセーブルされます。

アプリケーション

  • 携帯電話およびスマートフォン
  • 最大11のLEDを持つディスプレイ
  • PDA、デジタルカメラ、カムコーダ

MAX8879
安全タイマー付き、バックライト/フラッシュ/RGB LED用、チャージポンプ
MAX8879:標準動作回路
myAnalogに追加

myAnalogの製品セクション(通知受け取り)、既存/新規プロジェクトに製品を追加する。

新規プロジェクトを作成
質問する
サポート

アナログ・デバイセズのサポート・ページはアナログ・デバイセズへのあらゆるご質問にお答えするワンストップ・ポータルです。


ドキュメント

さらに詳しく
myAnalogに追加

myAnalogのリソース・セクション、既存/新規プロジェクトにメディアを追加する。

新規プロジェクトを作成

ソフトウェア・リソース

必要なソフトウェア/ドライバが見つかりませんか?

ドライバ/ソフトウェアをリクエスト

ハードウェア・エコシステム

製品モデル 製品ライフサイクル 詳細
LED ドライバ IC 2
MAX8648 製造中止 6つの白色/RGB LED用、超高効率チャージポンプ、3mm x 3mmのTQFNパッケージ
MAX8647 製造中 6つの白色/RGB LED用、超高効率チャージポンプ、3mm x 3mmのTQFNパッケージ
チャージ・ポンプ 1
MAX1707 製造中止 Light-Management IC with Efficient 1x/1.5x/2x Charge Pump for Backlight/Flash/RGB LEDs
Modal heading
myAnalogに追加

myAnalogの製品セクション(通知受け取り)、既存/新規プロジェクトに製品を追加する。

新規プロジェクトを作成

最新のディスカッション

MAX8879に関するディスカッションはまだありません。意見を投稿しますか?

EngineerZone®でディスカッションを始める

最近表示した製品