MAX3468

製造中

+5V、フェイルセーフ、40Mbps、PROFIBUS RS-485/RS-422トランシーバ

5V、フェイルセーフ、40Mbps PROFIBUS RS-485/RS-422トランシーバ

利用上の注意

本データシートの英語以外の言語への翻訳はユーザの便宜のために提供されるものであり、リビジョンが古い場合があります。最新の内容については、必ず最新の英語版をご参照ください。

なお、日本語版のデータシートは基本的に「Rev.0」(リビジョン0)で作成されています。そのため、英語版が後に改訂され、複数製品のデータシートがひとつに統一された場合、同じ「Rev.0」の日本語版のデータシートが異なる製品のデータシートとして表示されることがあります。たとえば、「ADM3307E」の場合、日本語データシートをクリックすると「ADM3311E」が表示されます。これは、英語版のデータシートが複数の製品で共有できるように1本化され、「ADM3307E/ADM3310E/ADM3311E/ADM3312E/ADM3315E」(Rev.J)と改訂されたからで、決して誤ってリンクが張られているわけではありません。和文化されたデータシートを少しでも有効に活用していただくためにこのような方法をとっておりますので、ご了解ください。

アナログ・デバイセズ社は、提供する情報が正確で信頼できるものであることを期していますが、その情報の利用に関して、あるいはその利用によって生じる第三者の特許やその他の権利の侵害に関して一切の責任を負いません。また、アナログ・デバイセズ社の特許または特許の権利の使用を明示的または暗示的に許諾するものでもありません。仕様は予告なしに変更する場合があります。本紙記載の商標および登録商標は、各社の所有に属します。

Viewing:

製品情報

  • PROFIBUSアプリケーションに最適
  • データレート:最高40Mbps
  • トランスミッタ伝搬遅延:15ns
  • レシーバ伝搬遅延:20ns
  • トランスミッタ/レシーバスキュー:2ns
  • 高い差動ドライバ出力レベル:2.1V (54Ω)
  • ホットスワップバージョン
  • シャットダウン消費電流:1µA
  • 低消費電流:2.5mA (typ)
  • 最大128個のトランシーバをバスに接続可能
  • EIA/TIA-485に適合し、真のフェイルセーフレシーバを実現
  • 長いバスラインやノイズの多いバスライン上のマルチポイント伝送が可能
  • フルデュープレックスおよびハーフデュープレックスバージョン
  • ツイストペアの逆接続を修正する位相制御機能(14ピンバージョン)
  • 電流制限およびサーマルシャットダウンによるドライバの過負荷保護

MAX3465~MAX3469は、RS-485およびRS-422通信用の高速差動バストランシーバです。これらの製品は、TIA/EIA-422-B、TIA/EIA-485-A、V.11、およびX.27規格に適合するように設計されています。これらのトランシーバはPROFIBUS規格に準拠し、54Ωの負荷、40Mbpsのデータレート、および2ns以下の出力スキューで、最低+2.1Vの出力レベルを備えています。各製品には、3ステート差動ラインドライバと差動入力ラインレシーバがそれぞれ1個ずつ内蔵されています。これらの製品は+5V電源で動作し、真のフェイルセーフ回路を実現しており、レシーバ入力の開放時や短絡時にレシーバ出力は確実にロジックハイになります。このため、全トランスミッタがディセーブルされているときは、終端バス上のすべてのレシーバ出力はロジックハイを出力します。

全製品は1/4標準単位負荷のレシーバ入力インピーダンスを備えているので、最大128個のトランシーバを単一バス上に接続することができます。マルチドロップ、クロック分配アプリケーションに対して20ns以下のドライバおよびレシーバの伝搬遅延が保証されています。ドライバは短絡電流が制限され、サーマルシャットダウン回路により過度の電力損失から保護されています。ドライバとレシーバはそれぞれアクティブハイとアクティブローのイネーブル入力を備え、これらのイネーブル信号を外部で一緒に接続すると、方向制御として機能させることができます。

アプリケーション

  • 高速RS-422通信
  • 高速RS-485通信
  • 産業用制御ローカルエリアネットワーク
  • レベルトランスレータ
  • PROFIBUSアプリケーション

MAX3468
+5V、フェイルセーフ、40Mbps、PROFIBUS RS-485/RS-422トランシーバ
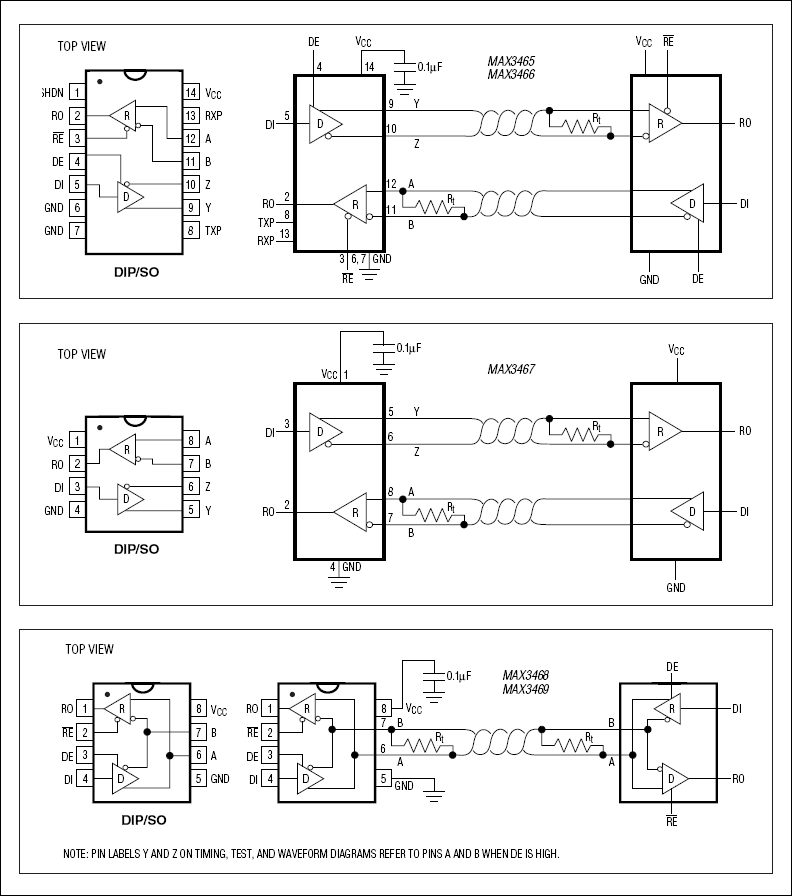
MAX3465、MAX3466、MAX3467、MAX3468、MAX3469:ピン配置および標準動作回路
myAnalogに追加

myAnalogの製品セクション(通知受け取り)、既存/新規プロジェクトに製品を追加する。

新規プロジェクトを作成
質問する
サポート

アナログ・デバイセズのサポート・ページはアナログ・デバイセズへのあらゆるご質問にお答えするワンストップ・ポータルです。


ドキュメント

さらに詳しく
myAnalogに追加

myAnalogのリソース・セクション、既存/新規プロジェクトにメディアを追加する。

新規プロジェクトを作成

ハードウェア・エコシステム

製品モデル 製品ライフサイクル 詳細
インターフェース・トランシーバ & アイソレータ 3
MAX3460 製造中 +5V、フェイルセーフ、20Mbps、PROFIBUS RS-485/RS-422トランシーバ
MAX3461 製造中 +5V、フェイルセーフ、20Mbps、PROFIBUS RS-485/RS-422トランシーバ
MAX3462 製造中 +5V、フェイルセーフ、20Mbps、PROFIBUS RS-485/RS-422トランシーバ
監視回路 & リセットIC 2
MAX6463 製造中 超低電力、電圧検出器およびµP監視回路
MAX6464 製造中 超低電力、電圧検出器およびµP監視回路
Modal heading
myAnalogに追加

myAnalogの製品セクション(通知受け取り)、既存/新規プロジェクトに製品を追加する。

新規プロジェクトを作成

最新のディスカッション

最近表示した製品