MAX3346E

製造中

UCSPパッケージ、±15kV ESD保護付き、USBトランシーバ

利用上の注意

本データシートの英語以外の言語への翻訳はユーザの便宜のために提供されるものであり、リビジョンが古い場合があります。最新の内容については、必ず最新の英語版をご参照ください。

なお、日本語版のデータシートは基本的に「Rev.0」(リビジョン0)で作成されています。そのため、英語版が後に改訂され、複数製品のデータシートがひとつに統一された場合、同じ「Rev.0」の日本語版のデータシートが異なる製品のデータシートとして表示されることがあります。たとえば、「ADM3307E」の場合、日本語データシートをクリックすると「ADM3311E」が表示されます。これは、英語版のデータシートが複数の製品で共有できるように1本化され、「ADM3307E/ADM3310E/ADM3311E/ADM3312E/ADM3315E」(Rev.J)と改訂されたからで、決して誤ってリンクが張られているわけではありません。和文化されたデータシートを少しでも有効に活用していただくためにこのような方法をとっておりますので、ご了解ください。

アナログ・デバイセズ社は、提供する情報が正確で信頼できるものであることを期していますが、その情報の利用に関して、あるいはその利用によって生じる第三者の特許やその他の権利の侵害に関して一切の責任を負いません。また、アナログ・デバイセズ社の特許または特許の権利の使用を明示的または暗示的に許諾するものでもありません。仕様は予告なしに変更する場合があります。本紙記載の商標および登録商標は、各社の所有に属します。

Viewing:

製品情報

  • D+およびD-の±15kV ESD保護
  • 内蔵リニアレギュレータによってUSBケーブルから直接給電可能
  • 1.5kΩの内蔵プルアップ抵抗によって低速/フルスピード動作を実現
  • 低速およびフルスピードのUSB通信に対応
  • USB規格改訂1.1および2.0 (低速およびフルスピード)に準拠
  • スリーステート出力
  • エニュメレーション入力によってソフトウェアによるUSB接続を実現
  • 電源シーケンス不要
  • 1.65V~3.6VのVLで動作し、低電圧ASICとコンパチブル
  • 超小型チップスケールパッケージで提供

双方向トランシーバのMAX3346Eは、ロジックレベル信号をUSB信号に、USB信号をロジックレベル信号に変換します。MAX3346Eは1.5kΩのUSBプルアップ抵抗を内蔵し、フルスピード(12Mbps)および低速(1.5Mbps)のUSB動作に対応しています。このデバイスは、USB I/O端子、D+、およびD-を保護する±15kV ESD保護回路を内蔵しています。

MAX3346Eは1.65Vと低いVLで動作し、低電圧ASICとコンパチブルです。この製品は、40µA以下に電流消費を低減するロジック選択可能なサスペンドモードを備えています。MAX3346Eは、プラグイン中にデバイスを論理的に切断可能なエニュメレーション機能を装備しています。MAX3346Eは、USB規格1.1、およびUSB規格2.0のフルスピード/低速動作に完全準拠しています。

MAX3346Eは、超小型4 x 4チップスケールパッケージ(UCSP™)および小型14ピン、TSSOPパッケージで提供され、-40℃~+85℃の拡張温度範囲で動作します。

アプリケーション

  • 携帯電話
  • データクレードル
  • MP3プレーヤー
  • PC周辺機器
  • PDA

MAX3346E
UCSPパッケージ、±15kV ESD保護付き、USBトランシーバ
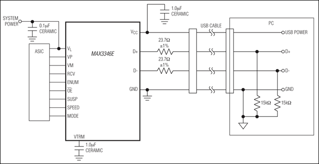
MAX3346E:標準動作回路
myAnalogに追加

myAnalogの製品セクション(通知受け取り)、既存/新規プロジェクトに製品を追加する。

新規プロジェクトを作成
質問する
サポート

アナログ・デバイセズのサポート・ページはアナログ・デバイセズへのあらゆるご質問にお答えするワンストップ・ポータルです。


ドキュメント

さらに詳しく
myAnalogに追加

myAnalogのリソース・セクション、既存/新規プロジェクトにメディアを追加する。

新規プロジェクトを作成

ハードウェア・エコシステム

製品モデル 製品ライフサイクル 詳細
インターフェース・トランシーバ & アイソレータ 1
MAX3345E 製造中 USB検出付き、±15kV ESD保護USBトランシーバ、UCSPパッケージ
Modal heading
myAnalogに追加

myAnalogの製品セクション(通知受け取り)、既存/新規プロジェクトに製品を追加する。

新規プロジェクトを作成

ツールおよびシミュレーション

IBISモデル 1

最新のディスカッション

MAX3346Eに関するディスカッションはまだありません。意見を投稿しますか?

EngineerZone®でディスカッションを始める

最近表示した製品