MAX2742

製造中止

シングルチップ全地球測位システムレシーバフロントエンド

利用上の注意

本データシートの英語以外の言語への翻訳はユーザの便宜のために提供されるものであり、リビジョンが古い場合があります。最新の内容については、必ず最新の英語版をご参照ください。

なお、日本語版のデータシートは基本的に「Rev.0」(リビジョン0)で作成されています。そのため、英語版が後に改訂され、複数製品のデータシートがひとつに統一された場合、同じ「Rev.0」の日本語版のデータシートが異なる製品のデータシートとして表示されることがあります。たとえば、「ADM3307E」の場合、日本語データシートをクリックすると「ADM3311E」が表示されます。これは、英語版のデータシートが複数の製品で共有できるように1本化され、「ADM3307E/ADM3310E/ADM3311E/ADM3312E/ADM3315E」(Rev.J)と改訂されたからで、決して誤ってリンクが張られているわけではありません。和文化されたデータシートを少しでも有効に活用していただくためにこのような方法をとっておりますので、ご了解ください。

アナログ・デバイセズ社は、提供する情報が正確で信頼できるものであることを期していますが、その情報の利用に関して、あるいはその利用によって生じる第三者の特許やその他の権利の侵害に関して一切の責任を負いません。また、アナログ・デバイセズ社の特許または特許の権利の使用を明示的または暗示的に許諾するものでもありません。仕様は予告なしに変更する場合があります。本紙記載の商標および登録商標は、各社の所有に属します。

Viewing:

製品情報

  • シングルチップ構成のGPSフロントエンドレシーバ
  • 1.023MHzのシングルエンドもしくは差動の出力
  • 低ノイズ指数:4.5dB (typ)
  • 外付けのIF SAWまたはディスクリートフィルタが不要
  • 低消費電力:32mW/+2.4V
  • 広い動作電源電圧範囲: +2.4V~+3.6V
  • 拡張温度範囲(-40℃~+85℃)

完全なシングルチップのGPS (全地球測位システム)RFフロントエンドのMAX2742は、革新的で最先端のRF CMOS設計技術を採用しています。この高性能な最新デバイスは、消費電力が極めて少なく、高価なSAWや大きなディスクリートIFフィルタを必要としません。MAX2742は、ローノイズアンプ(LNA)とミキサ、IFセクション、ディジタルサンプラー、および局部発振器シンセサイザを内蔵しています。

MAX2742の入力信号は、1.57542GHzのL1 GPS信号になります。MAX2742は高精度の出力量子化に対応し、GPSレシーバとして得られる最高の性能を発揮します。MAX2742の消費電力は、+2.4V電源で32mW以下です。

MAX2742は、省スペースの48ピンTQFPパッケージで提供され、拡張温度範囲(-40℃~+85℃)での動作が保証されています。

アプリケーション

  • 民生用エレクトロニクス
  • デジタルカメラおよびカムコーダ
  • 緊急応答システム
  • 緊急ロードサイドアシスタンス
  • 地理情報システム(GIS)
  • 車載用ナビゲーションシステム(IVNS)
  • 在庫管理
  • 位置情報サービス(PDAおよび娯楽用ハンドヘルド/携帯無線機)
  • テレマティクス(自動車および資産トラッキング、在庫管理)

MAX2742
シングルチップ全地球測位システムレシーバフロントエンド
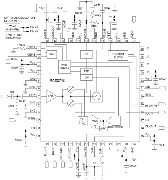
MAX2742:標準アプリケーション回路
myAnalogに追加

myAnalogの製品セクション(通知受け取り)、既存/新規プロジェクトに製品を追加する。

新規プロジェクトを作成
質問する
サポート

アナログ・デバイセズのサポート・ページはアナログ・デバイセズへのあらゆるご質問にお答えするワンストップ・ポータルです。


ドキュメント

さらに詳しく
myAnalogに追加

myAnalogのリソース・セクション、既存/新規プロジェクトにメディアを追加する。

新規プロジェクトを作成

ソフトウェア・リソース

必要なソフトウェア/ドライバが見つかりませんか?

ドライバ/ソフトウェアをリクエスト

ハードウェア・エコシステム

製品モデル 製品ライフサイクル 詳細
RF アナログ・レシーバ 1
MAX2745 製造中止 シングルチップ全地球測位システムフロントエンドダウンコンバータ
Modal heading
myAnalogに追加

myAnalogの製品セクション(通知受け取り)、既存/新規プロジェクトに製品を追加する。

新規プロジェクトを作成

最新のディスカッション

MAX2742に関するディスカッションはまだありません。意見を投稿しますか?

EngineerZone®でディスカッションを始める

最近表示した製品