MAX20412

新規設計に推奨

車載低電圧2チャネルステップダウンコントローラ

デュアル出力、高効率ステップダウンコントローラ、車載SOCコア電源用

利用上の注意

本データシートの英語以外の言語への翻訳はユーザの便宜のために提供されるものであり、リビジョンが古い場合があります。最新の内容については、必ず最新の英語版をご参照ください。

なお、日本語版のデータシートは基本的に「Rev.0」(リビジョン0)で作成されています。そのため、英語版が後に改訂され、複数製品のデータシートがひとつに統一された場合、同じ「Rev.0」の日本語版のデータシートが異なる製品のデータシートとして表示されることがあります。たとえば、「ADM3307E」の場合、日本語データシートをクリックすると「ADM3311E」が表示されます。これは、英語版のデータシートが複数の製品で共有できるように1本化され、「ADM3307E/ADM3310E/ADM3311E/ADM3312E/ADM3315E」(Rev.J)と改訂されたからで、決して誤ってリンクが張られているわけではありません。和文化されたデータシートを少しでも有効に活用していただくためにこのような方法をとっておりますので、ご了解ください。

アナログ・デバイセズ社は、提供する情報が正確で信頼できるものであることを期していますが、その情報の利用に関して、あるいはその利用によって生じる第三者の特許やその他の権利の侵害に関して一切の責任を負いません。また、アナログ・デバイセズ社の特許または特許の権利の使用を明示的または暗示的に許諾するものでもありません。仕様は予告なしに変更する場合があります。本紙記載の商標および登録商標は、各社の所有に属します。

Viewing:

製品情報

  • 2チャネル、高効率DC-DCコントローラを小型ソリューションで実現
    • 動作電源電圧:3.0V~5.5V
    • OUT1は60Aに対応(2相)
    • OUT2は30Aに対応
  • アプリケーションプロセッサ用の高精度レギュレータ
    • 出力電圧精度:±2%
    • 差動リモート電圧検出
    • I2C制御の出力電圧:0.25V~1.275V (6.25mVステップ)
    • 優れた負荷過渡性能
    • 設定可能な補償
  • 低ノイズ機能によってEMIを低減
    • 2.2MHzまたは1.1MHz動作
    • スペクトラム拡散オプション
    • 周波数同期入出力
    • 電流モード、強制PWM、およびスキップ動作
  • 車載環境に対応する堅牢性
    • 個別のイネーブル入力とPGOOD出力
    • 低RDS(ON)外部MOSFET
    • 過熱および短絡保護
    • エクスポーズドパッドを備えた32ピンTQFNパッケージ(5mm × 5mm)
    • 動作温度範囲:-40℃~+125℃
    • AEC-Q100認定

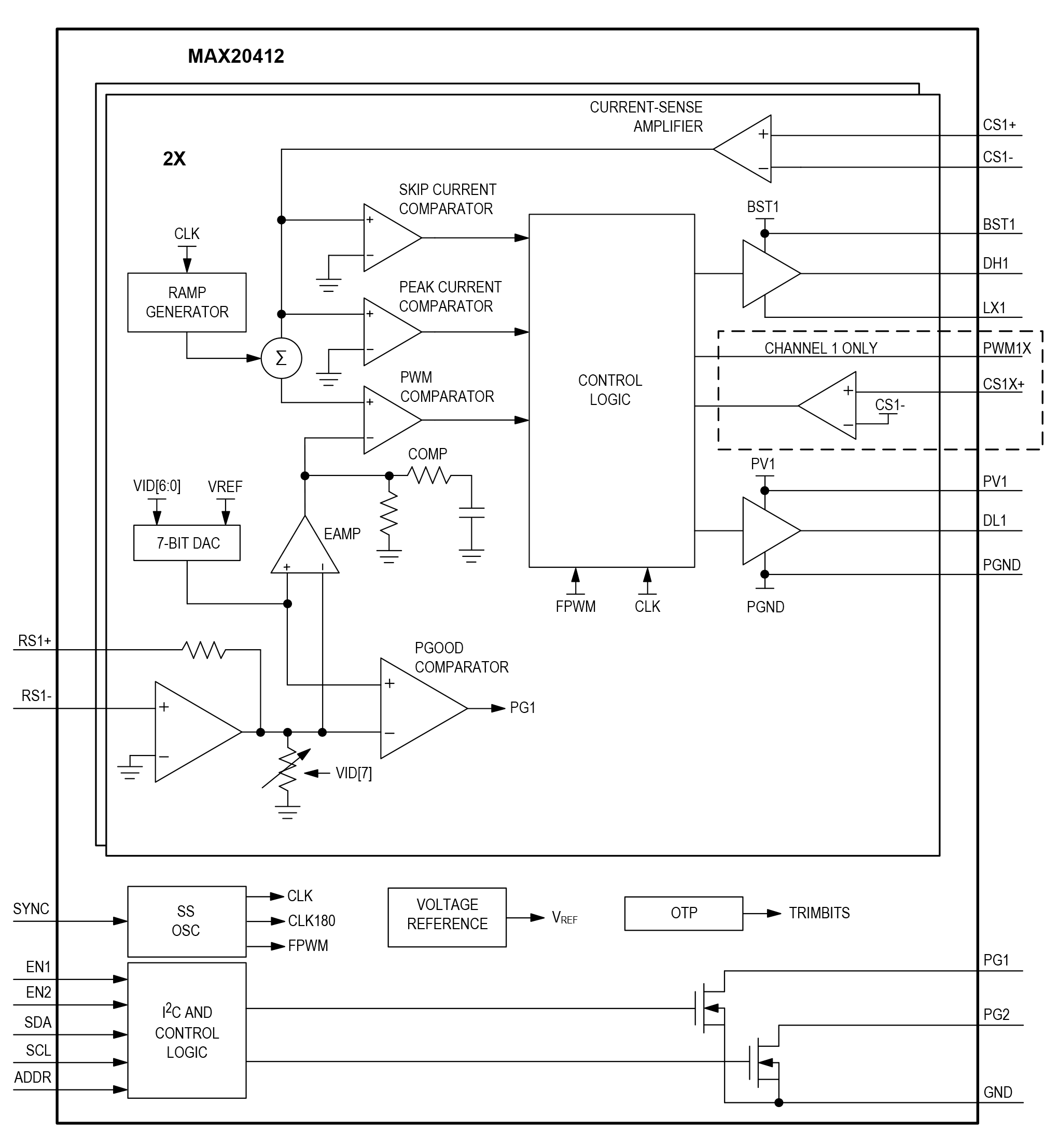
MAX20412はデュアル出力、高効率、同期整流ステップダウンコントローラICで、3.0V~5.5Vの入力電圧範囲で動作し、0.25V~1.275Vの出力電圧範囲を提供します。このコントローラのアーキテクチャは、位相当り最大30Aの負荷電流を可能にします。チャネル1は2相で動作してより高い負荷電流を提供するオプションを備えているため、このデバイスは車載ポイントオブロード(PoL)およびポストレギュレーションアプリケーションに最適です。

このICは全負荷、ライン、および温度範囲にわたって±2%の出力誤差を実現します。このICは、ノイズ耐性および負荷過渡応答を向上させる2.2MHz/1.1MHz固定周波数PWMモードと、軽負荷動作時の効率を向上させるパルス周波数変調モード(スキップ)を備えています。2.2MHz周波数動作によって全セラミックコンデンサの使用が可能で、外付け部品が最小化されます。設定可能なスペクトラム拡散周波数変調は電磁放射を最小限に抑えます。

MAX20412は出荷時にプリセットされた出力電圧で提供されます(オプションについてはデータシートの「Selector Guide (選択ガイド)」を参照してください)。I2Cインタフェースは、設定可能なスルーレートを備えた各チャネルの動的電圧調整をサポートします。その他の機能として、設定可能なソフトスタート、過電流、および過熱保護があります。

アプリケーション

  • 車載用
  • コアプロセッシステム/GPU電源

MAX20412
車載低電圧2チャネルステップダウンコントローラ
MAX20412 Block Diagram MAX20412 Circuit Diagram MAX20412 Pin Configuration
myAnalogに追加

myAnalogの製品セクション(通知受け取り)、既存/新規プロジェクトに製品を追加する。

新規プロジェクトを作成
質問する
サポート

アナログ・デバイセズのサポート・ページはアナログ・デバイセズへのあらゆるご質問にお答えするワンストップ・ポータルです。


ドキュメント

さらに詳しく
myAnalogに追加

myAnalogのリソース・セクション、既存/新規プロジェクトにメディアを追加する。

新規プロジェクトを作成

ソフトウェア・リソース

必要なソフトウェア/ドライバが見つかりませんか?

ドライバ/ソフトウェアをリクエスト

ツールおよびシミュレーション

EE-Sim® パワー・ツール 1

EE-Sim DC/DC変換ツールは、ユーザの条件を利用し、回路図、市販部品を含む部品表、時間および周波数領域のシミュレーションなどを完備した電源設計を短時間で作成します。SIMPLISおよびSIMetrix SPICEエンジンを使った、スタンドアロンのEE-Sim OASISシミュレータで、カスタマイズした回路図をダウンロードし、さらなる分析が可能です。

EE-Simを今すぐ開始

評価用キット

MAX20412EVKIT

MAX20412の評価キット

機能と利点

  • 差動リモート電圧検出
  • 入力電源範囲:3V~5.5V
  • I2C制御の出力電圧範囲:0.25V~1.275V
  • 2.2MHz動作
  • 出力電圧精度:±2%
  • パワーグッド出力
  • 電流モード、強制PWM、およびスキップ動作
  • 実証済みPCBレイアウト
  • 完全実装および試験済み

製品詳細

MAX20412の評価キット(EVキット)は、車載2チャネルステップダウンコントローラのMAX20412を実証します。このEVキットは3V~5.5Vの入力範囲で動作します。出力1は0.825Vおよび最大60Aの負荷用に設定され、出力2は0.825Vおよび最大30Aの負荷用に設定されています。

アプリケーション

  • 車載用
  • コアプロセッシステム/GPU電源

MAX20412EVKIT
MAX20412の評価キット

最新のディスカッション

MAX20412に関するディスカッションはまだありません。意見を投稿しますか?

EngineerZone®でディスカッションを始める

最近表示した製品