MAX17017

製造中

低電力アーキテクチャ用、クワッド出力コントローラ

4つの出力電圧レギュレータ用、6mm x 6mmパッケージ、高集積電圧コントローラ

利用上の注意

本データシートの英語以外の言語への翻訳はユーザの便宜のために提供されるものであり、リビジョンが古い場合があります。最新の内容については、必ず最新の英語版をご参照ください。

なお、日本語版のデータシートは基本的に「Rev.0」(リビジョン0)で作成されています。そのため、英語版が後に改訂され、複数製品のデータシートがひとつに統一された場合、同じ「Rev.0」の日本語版のデータシートが異なる製品のデータシートとして表示されることがあります。たとえば、「ADM3307E」の場合、日本語データシートをクリックすると「ADM3311E」が表示されます。これは、英語版のデータシートが複数の製品で共有できるように1本化され、「ADM3307E/ADM3310E/ADM3311E/ADM3312E/ADM3315E」(Rev.J)と改訂されたからで、決して誤ってリンクが張られているわけではありません。和文化されたデータシートを少しでも有効に活用していただくためにこのような方法をとっておりますので、ご了解ください。

アナログ・デバイセズ社は、提供する情報が正確で信頼できるものであることを期していますが、その情報の利用に関して、あるいはその利用によって生じる第三者の特許やその他の権利の侵害に関して一切の責任を負いません。また、アナログ・デバイセズ社の特許または特許の権利の使用を明示的または暗示的に許諾するものでもありません。仕様は予告なしに変更する場合があります。本紙記載の商標および登録商標は、各社の所有に属します。

Viewing:

製品情報

  • 固定周波数、電流モードコントローラ
  • 入力範囲:5.5V~28V (ステップダウン)または3V~5V (ステップアップ)
  • 1つのステップアップまたはステップダウンコントローラ
  • 1つの内蔵5AP-Pステップダウンレギュレータ
  • 1つの内蔵3AP-Pステップダウンレギュレータ
  • ダイナミックREFINを備えた、1つの2Aソース/シンクリニアレギュレータ
  • BSTダイオード内蔵
  • 5V、50mAリニアレギュレータ内蔵
  • フォルト保護:低電圧、過電圧、過熱、ピーク電流制限
  • 独立したイネーブル入力およびパワーグッド出力
  • 電圧制御ソフトスタート
  • ハイインピーダンスシャットダウン
  • シャットダウン電流:10µA (typ)

MAX17017は、低電力アーキテクチャに依存するウルトラモバイルポータブルコンピュータ(UMPC)用のクワッド出力コントローラです。MAX17017は、4つの独立したレギュレータ(メイン段、3AP-Pの内蔵ステップダウン、5AP-Pの内蔵ステップダウン、および2Aのソース/シンクリニアレギュレータ)を提供することができるコンパクトで低コストのコントローラを提供します。

メインレギュレータは、ステップダウンコンバータ(2~4 Li+ (リチウムイオン)セルアプリケーション用)またはステップアップコンバータ(1 Li+セルアプリケーション用)のいずれとしても構成可能です。内蔵のスイッチングレギュレータは、1つのLi+セルから直接、またはメイン3.3V/5Vパワー段から駆動することができる5Vの同期MOSFETを備えています。最後に、リニアレギュレータは2Aをソース/シンクすることが可能で、DDRの終端要件をサポートし、または固定出力電圧を生成します。

ステップダウンコンバータは、ピーク電流モード、固定周波数制御方式を採用しており、高速過渡応答を犠牲にしないアーキテクチャの実装を容易にします。また、このアーキテクチャはピーク電流制限保護およびパルススキップ動作をサポートしており、軽負荷時で高効率を維持します。

個別のイネーブル入力および独立したオープンドレインパワーグッド出力によって、柔軟な電源シーケンスが可能です。ソフトスタート機能が出力電圧を徐々にランプアップさせ、突入電流を低減します。ディセーブルされたレギュレータは、ハイインピーダンス状態に移行し、ローサイドMOSFETから出力を急速放電することによって発生する負の出力電圧を回避します。また、MAX17017は出力の低電圧/過電圧、および過熱フォルト保護を備えています。

MAX17017は、6mm x 6mmの48ピンTQFNパッケージで提供されます。

アプリケーション

  • 1:4 Li+ (リチウムイオン)セルバッテリ駆動デバイス
  • 低電力アーキテクチャ
  • ノートブックおよびサブノートブックコンピュータ
  • PDAおよびモバイル通信
  • 携帯ゲーム機
  • ウルトラモバイルPC (UMPC)

MAX17017
低電力アーキテクチャ用、クワッド出力コントローラ
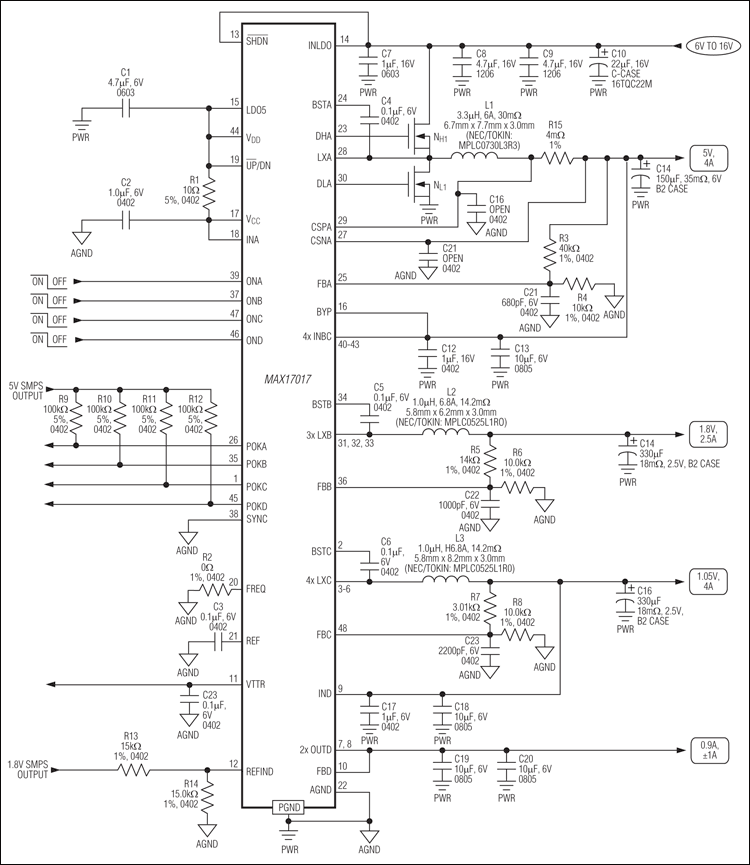
MAX17017:標準アプリケーション回路
myAnalogに追加

myAnalogの製品セクション(通知受け取り)、既存/新規プロジェクトに製品を追加する。

新規プロジェクトを作成
質問する
サポート

アナログ・デバイセズのサポート・ページはアナログ・デバイセズへのあらゆるご質問にお答えするワンストップ・ポータルです。


ドキュメント

さらに詳しく
myAnalogに追加

myAnalogのリソース・セクション、既存/新規プロジェクトにメディアを追加する。

新規プロジェクトを作成

ソフトウェア・リソース

必要なソフトウェア/ドライバが見つかりませんか?

ドライバ/ソフトウェアをリクエスト

ハードウェア・エコシステム

製品モデル 製品ライフサイクル 詳細
スイッチング・レギュレータ & コントローラ 1
MAX17019 製造中 高入力電圧クワッド出力コントローラ
Modal heading
myAnalogに追加

myAnalogの製品セクション(通知受け取り)、既存/新規プロジェクトに製品を追加する。

新規プロジェクトを作成

最新のディスカッション

MAX17017に関するディスカッションはまだありません。意見を投稿しますか?

EngineerZone®でディスカッションを始める

最近表示した製品