MAX15158Z

製造中

高電圧多相ブーストコントローラ

最大4相の高出力ブースト/反転バックブースト構成用に設計されたマルチフェーズブーストコントローラ

利用上の注意

本データシートの英語以外の言語への翻訳はユーザの便宜のために提供されるものであり、リビジョンが古い場合があります。最新の内容については、必ず最新の英語版をご参照ください。

なお、日本語版のデータシートは基本的に「Rev.0」(リビジョン0)で作成されています。そのため、英語版が後に改訂され、複数製品のデータシートがひとつに統一された場合、同じ「Rev.0」の日本語版のデータシートが異なる製品のデータシートとして表示されることがあります。たとえば、「ADM3307E」の場合、日本語データシートをクリックすると「ADM3311E」が表示されます。これは、英語版のデータシートが複数の製品で共有できるように1本化され、「ADM3307E/ADM3310E/ADM3311E/ADM3312E/ADM3315E」(Rev.J)と改訂されたからで、決して誤ってリンクが張られているわけではありません。和文化されたデータシートを少しでも有効に活用していただくためにこのような方法をとっておりますので、ご了解ください。

アナログ・デバイセズ社は、提供する情報が正確で信頼できるものであることを期していますが、その情報の利用に関して、あるいはその利用によって生じる第三者の特許やその他の権利の侵害に関して一切の責任を負いません。また、アナログ・デバイセズ社の特許または特許の権利の使用を明示的または暗示的に許諾するものでもありません。仕様は予告なしに変更する場合があります。本紙記載の商標および登録商標は、各社の所有に属します。

Viewing:

製品情報

  • 広い動作範囲
    • 入力電圧範囲:8V~76V (ブースト構成)および-8V~-76V (反転バックブースト構成)
    • 出力電圧範囲:3.3V~60V (入力電圧を基準として)
    • スイッチング周波数範囲:120kHz~1MHz
    • 温度範囲:-40℃~+125℃
    • 単相/2相/4相動作
    • アクティブ位相電流バランス制御
  • 高集積によって設計実装面積を削減
    • 内蔵LDOによってバイアス電源を生成
    • 多相マルチコントローラ同期およびインターリーブ
    • 出力電圧検出レベルシフタ
  • 堅牢なフォルト保護によって品質と信頼性を向上
    • 調整可能な入力低電圧ロックアウト
    • 調整可能なサイクル単位のピーク電流制限および高速過電流保護
    • 選択可能なフィードバック過電圧保護
    • サーマルシャットダウン
  • 柔軟で簡素なシステム設計
    • 調整可能なスロープ補償
    • ローサイドMOSFETゲート監視によって高精度の電流検出を実現
    • 断続コンダクションモード動作に対応(ハイサイドMOSFETの代わりにダイオード使用時)
  • 小型TQFNパッケージ(5mm × 5mm、0.5mmピッチ)

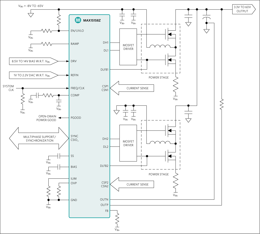
MAX15158Zは高電圧多相ブーストコントローラで、最大2つのMOSFETドライバと4つの外部MOSFETの単相または2相ブースト/反転バックブースト構成に対応するように設計されています。2つのデバイスを組み合わせて4相動作とすることが可能です。MAX15158Zの出力電圧は1V~2.2Vリファレンス入力(REFIN)を介して動的に設定可能で、モジュール型設計に対応します。

スイッチング周波数は、外付け抵抗を介した内部発振器の設定または外部クロックへのレギュレータの同期のいずれかによって制御します。このデバイスは120kHz~1MHzのスイッチング周波数に対応するように設計されています。このコントローラは専用のイネーブル/入力低電圧ロックアウト(EN/UVLO)端子を備え、柔軟な電源シーケンスの設定が可能です。

MAX15158Zは専用のRAMP端子を備え、内部スロープ補償を調整することができます。このデバイスは調整可能な過電流保護を備えています。このデバイスは電流検出アンプを内蔵し、高精度の位相電流シェアリングを実装するために外付け検出抵抗を流れる各位相の電流を高精度で測定します。また、このコントローラは出力過電圧、入力低電圧、およびサーマルシャットダウン保護を備えています。

このデバイスは32ピンTQFNパッケージ(5mm × 5mm)で提供され、-40℃~125℃のジャンクション温度範囲に対応します。

アプリケーション

  • 車載用
  • 通信
  • 産業用
  • マルチフェーズブースト

MAX15158Z
高電圧多相ブーストコントローラ
MAX15158Z:標準アプリケーション回路
myAnalogに追加

myAnalogの製品セクション(通知受け取り)、既存/新規プロジェクトに製品を追加する。

新規プロジェクトを作成
質問する
サポート

アナログ・デバイセズのサポート・ページはアナログ・デバイセズへのあらゆるご質問にお答えするワンストップ・ポータルです。


ドキュメント

さらに詳しく
myAnalogに追加

myAnalogのリソース・セクション、既存/新規プロジェクトにメディアを追加する。

新規プロジェクトを作成

ソフトウェア・リソース

必要なソフトウェア/ドライバが見つかりませんか?

ドライバ/ソフトウェアをリクエスト

ツールおよびシミュレーション

EE-Sim® パワー・ツール 1

EE-Sim DC/DC変換ツールは、ユーザの条件を利用し、回路図、市販部品を含む部品表、時間および周波数領域のシミュレーションなどを完備した電源設計を短時間で作成します。SIMPLISおよびSIMetrix SPICEエンジンを使った、スタンドアロンのEE-Sim OASISシミュレータで、カスタマイズした回路図をダウンロードし、さらなる分析が可能です。

EE-Simを今すぐ開始

評価用キット

MAX15158ZEVKIT

MAX15158Zの評価キット

機能と利点

  • 入力電圧範囲:-8V~-60V (反転バックブースト構成)
  • 出力電圧範囲:3.3V~60V (入力電圧を基準として)
  • 温度範囲:-40℃~125℃
  • 入力および出力電圧用のバナナジャック
  • 設定可能な出力電圧および補償パラメータ
  • 調整可能な電流制限
  • 完全実装および試験済み

製品詳細

MAX15158Zの評価キット(EVキット)は、最大2つのMOSFETドライバと4つの外部MOSFETの単相または2相反転バックブースト構成に対応するように設計された高電圧多相ブーストコントローラのMAX15158Zを評価するための実証済みデザインを提供します。このEVキットは-8V~-60Vの入力電圧範囲で動作し、3.3V~60Vの出力電圧範囲に対応します。このEVキットはMAX15158Zを実証済みの6層PCBデザイン上で使用します。2つのMAX15013がEVキットのMOSFETドライバとして使用されています。また、このEVキットはボード上にバックコンバータのMAX17552も備え、MAX15158ZおよびMOSFETドライバに10V電源電圧を提供します。

アプリケーション

  • 車載用
  • 通信
  • 産業用
  • マルチフェーズブースト

MAX15158EVKIT

MAX15158/MAX15158A/MAX15158Zの評価キット

機能と利点

  • 入力電圧範囲:-8V~-60V (反転バックブースト構成)
  • 出力電圧範囲:3.3V~60V (入力電圧を基準として)
  • 温度範囲:-40℃~125℃
  • 入力および出力電圧用のバナナジャック
  • 設定可能な出力電圧および補償パラメータ
  • 調整可能な電流制限
  • 完全実装および試験済み

製品詳細

MAX15158/MAX15158A/MAX15158Zの評価キット(EVキット)は、最大2つのMOSFETドライバと4つの外部MOSFETの単相または2相反転バックブースト構成に対応するように設計され高電圧多相ブーストコントローラのMAX15158/MAX15158A/MAX15158Zを評価するため実証済みデザインを提供します。これらのEVキットは-8V~-60Vの入力電圧範囲で動作し、3.3V~60Vの出力電圧範囲に対応します。これらのEVキットは、MAX15158/MAX15158A/MAX15158Z を実証済みの6層PCBデザイン上で使用します。2つのMAX15013がEVキットのMOSFETドライバとして使用されています。また、これらのEVキットはボード上にバックコンバータ(MAX17552)も備え、MAX15158/MAX15158A/MAX15158ZおよびMOSFETドライバに10V電源電圧を提供します。

アプリケーション

  • 車載用
  • 通信
  • 産業用

MAX15158AEVKIT

MAX15158/MAX15158A/MAX15158Zの評価キット

機能と利点

  • 入力電圧範囲:-8V~-60V (反転バックブースト構成)
  • 出力電圧範囲:3.3V~60V (入力電圧を基準として)
  • 温度範囲:-40℃~125℃
  • 入力および出力電圧用のバナナジャック
  • 設定可能な出力電圧および補償パラメータ
  • 調整可能な電流制限
  • 完全実装および試験済み

製品詳細

MAX15158/MAX15158A/MAX15158Zの評価キット(EVキット)は、最大2つのMOSFETドライバと4つの外部MOSFETの単相または2相反転バックブースト構成に対応するように設計され高電圧多相ブーストコントローラのMAX15158/MAX15158A/MAX15158Zを評価するため実証済みデザインを提供します。これらのEVキットは-8V~-60Vの入力電圧範囲で動作し、3.3V~60Vの出力電圧範囲に対応します。これらのEVキットは、MAX15158/MAX15158A/MAX15158Z を実証済みの6層PCBデザイン上で使用します。2つのMAX15013がEVキットのMOSFETドライバとして使用されています。また、これらのEVキットはボード上にバックコンバータ(MAX17552)も備え、MAX15158/MAX15158A/MAX15158ZおよびMOSFETドライバに10V電源電圧を提供します。

アプリケーション

  • 車載用
  • 通信
  • 産業用

MAX15158ZEVKIT
MAX15158Zの評価キット
MAX15158EVKIT
MAX15158/MAX15158A/MAX15158Zの評価キット
MAX15158AEVKIT
MAX15158/MAX15158A/MAX15158Zの評価キット

最新のディスカッション

MAX15158Zに関するディスカッションはまだありません。意見を投稿しますか?

EngineerZone®でディスカッションを始める

最近表示した製品