MAX13411E

製造中

低ドロップアウトレギュレータおよびAutoDirection制御内蔵、RS-485トランシーバ

業界初、低ドロップアウトレギュレータおよびAutoDirectionを内蔵した、制御チャネルが不要のトランシーバ

利用上の注意

本データシートの英語以外の言語への翻訳はユーザの便宜のために提供されるものであり、リビジョンが古い場合があります。最新の内容については、必ず最新の英語版をご参照ください。

なお、日本語版のデータシートは基本的に「Rev.0」(リビジョン0)で作成されています。そのため、英語版が後に改訂され、複数製品のデータシートがひとつに統一された場合、同じ「Rev.0」の日本語版のデータシートが異なる製品のデータシートとして表示されることがあります。たとえば、「ADM3307E」の場合、日本語データシートをクリックすると「ADM3311E」が表示されます。これは、英語版のデータシートが複数の製品で共有できるように1本化され、「ADM3307E/ADM3310E/ADM3311E/ADM3312E/ADM3315E」(Rev.J)と改訂されたからで、決して誤ってリンクが張られているわけではありません。和文化されたデータシートを少しでも有効に活用していただくためにこのような方法をとっておりますので、ご了解ください。

アナログ・デバイセズ社は、提供する情報が正確で信頼できるものであることを期していますが、その情報の利用に関して、あるいはその利用によって生じる第三者の特許やその他の権利の侵害に関して一切の責任を負いません。また、アナログ・デバイセズ社の特許または特許の権利の使用を明示的または暗示的に許諾するものでもありません。仕様は予告なしに変更する場合があります。本紙記載の商標および登録商標は、各社の所有に属します。

Viewing:

製品情報

  • 広い入力電源範囲:+6V~+28V
  • +5V出力が最大20mAを外部回路に供給
  • 内蔵LDO
  • 小シャットダウン消費電流:65µA (typ)
  • 強化されたESD保護
    • ±15kVヒューマンボディモデル(MAX13412E/MAX13413E)
    • ±14kVヒューマンボディモデル(MAX13410E/MAX13411E)
  • 1/8ユニット負荷によって同一バスに最大256のトランシーバ
  • 動作温度範囲:-40℃~+85℃
  • フェイルセーフ
  • スルーレート制限バージョンおよびフルスピードバージョン
  • フルスピードバージョンで最大16Mbpsデータレート

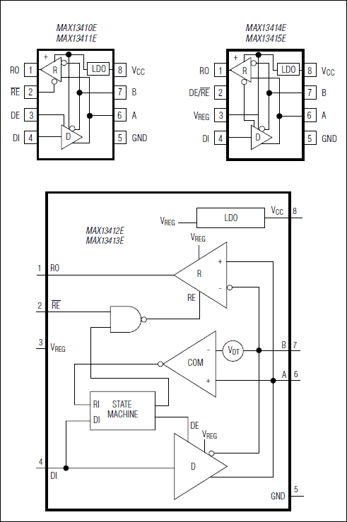
MAX13410E~MAX13415Eは、アイソレーションアプリケーション用に最適化されたハーフデュープレックスRS-485/RS-422対応トランシーバです。これらのデバイスは、1つの低ドロップアウトレギュレータ(LDO)、1つのドライバ、1つのレシーバを内蔵しています。内蔵LDOによって、この製品は、最大28Vのレギュレートされていない電源で動作することができます。AutoDirection機能は、アイソレーションアプリケーションで必要な光アイソレータの数を削減します。その他の機能として、強化されたESD保護、フェイルセーフ回路、スルーレート制限、およびフルスピード動作があります。

MAX13410E~MAX13415Eの内蔵LDOは、内部回路の給電に使用される5V ±10%電源を生成します。MAX13412E~MAX13415Eは、5Vを出力VREGに供給し、ユーザは最大20mAで追加された外部回路を駆動し、外付け部品数をさらに削減することができます。MAX13410E/MAX13411Eは、5V出力を持たず、業界互換ピン配置で提供されます。これによって、既設計への容易な置換が可能です。

MAX13410E~MAX13415Eは、1/8ユニット負荷レシーバ入力インピーダンスを備えているため、同一バスに最大256のトランシーバを接続可能です。すべてのドライバ出力は、ヒューマンボディモデルを使用してESD保護されています。これらのデバイスは、フェイルセーフ回路(MAX13410E/MAX13411E/MAX13414E/MAX13415Eのみ)も備え、レシーバ入力がオープンまたは短絡時のロジックハイレシーバ出力を保証しています。レシーバは、終端されたバスのトランスミッタがディセーブルされる(ハイインピーダンス)と、ロジックハイを出力します。

MAX13412E/MAX13413Eは、マキシム独自のAutoDirection制御を備えています。このアーキテクチャは、DEとアクティブローRE制御信号を不要にします。アイソレーションアプリケーションの場合、これによって、必要な光アイソレータの数が削減されるため、システムのコストとサイズが削減されます。

MAX13410E/MAX13412E/MAX13414Eは、EMIを最小限に抑え、ケーブルの不適切な終端に起因する反射を低減する低スルーレートドライバを備えているため、最大500kbpsでのエラーのないデータ伝送が可能となります。MAX13411E/MAX13413E/MAX13415Eは、スルーレート制限されていないため、最大16Mbpsの伝送速度が可能です。

MAX13410E~MAX13415Eは、電力消費を改善するエクスポーズドパッド付き、8ピンSOパッケージで提供され、-40℃~+85℃の拡張温度範囲で動作します。

デザインソリューション:Simplify Your Industrial Interface by Eliminating RS-485 Control Lines ›

アプリケーション

  • 産業用機器
  • 絶縁型RS-485インタフェース
  • テレコム機器
  • ユーティリティメータ

MAX13411E
低ドロップアウトレギュレータおよびAutoDirection制御内蔵、RS-485トランシーバ
MAX13410E、MAX13411E、MAX13412E、MAX13413E:ファンクションダイアグラム
myAnalogに追加

myAnalogの製品セクション(通知受け取り)、既存/新規プロジェクトに製品を追加する。

新規プロジェクトを作成
質問する
サポート

アナログ・デバイセズのサポート・ページはアナログ・デバイセズへのあらゆるご質問にお答えするワンストップ・ポータルです。


ドキュメント

さらに詳しく
myAnalogに追加

myAnalogのリソース・セクション、既存/新規プロジェクトにメディアを追加する。

新規プロジェクトを作成

ハードウェア・エコシステム

製品モデル 製品ライフサイクル 詳細
インターフェース・トランシーバ & アイソレータ 2
MAX13487E 製造中 AutoDirection制御付き、ハーフデュープレックスRS-485/RS-422対応トランシーバ
MAX13488E 製造中 AutoDirection制御付き、ハーフデュープレックスRS-485/RS-422対応トランシーバ
Modal heading
myAnalogに追加

myAnalogの製品セクション(通知受け取り)、既存/新規プロジェクトに製品を追加する。

新規プロジェクトを作成

最新のディスカッション

最近表示した製品