MAX11080

新規設計には非推奨

12チャネル、高電圧バッテリパックフォルトモニタ

超低電力過電圧/低電圧12セルモニタ

利用上の注意

本データシートの英語以外の言語への翻訳はユーザの便宜のために提供されるものであり、リビジョンが古い場合があります。最新の内容については、必ず最新の英語版をご参照ください。

なお、日本語版のデータシートは基本的に「Rev.0」(リビジョン0)で作成されています。そのため、英語版が後に改訂され、複数製品のデータシートがひとつに統一された場合、同じ「Rev.0」の日本語版のデータシートが異なる製品のデータシートとして表示されることがあります。たとえば、「ADM3307E」の場合、日本語データシートをクリックすると「ADM3311E」が表示されます。これは、英語版のデータシートが複数の製品で共有できるように1本化され、「ADM3307E/ADM3310E/ADM3311E/ADM3312E/ADM3315E」(Rev.J)と改訂されたからで、決して誤ってリンクが張られているわけではありません。和文化されたデータシートを少しでも有効に活用していただくためにこのような方法をとっておりますので、ご了解ください。

アナログ・デバイセズ社は、提供する情報が正確で信頼できるものであることを期していますが、その情報の利用に関して、あるいはその利用によって生じる第三者の特許やその他の権利の侵害に関して一切の責任を負いません。また、アナログ・デバイセズ社の特許または特許の権利の使用を明示的または暗示的に許諾するものでもありません。仕様は予告なしに変更する場合があります。本紙記載の商標および登録商標は、各社の所有に属します。

Viewing:

製品情報

  • 最大12セルのLi+バッテリ電圧フォルト検出
  • 動作電圧:6.0V~72V
  • ピン選択可能な過電圧スレッショルド:+3.3V~+4.8V (100mV増分)
    • 過電圧検出精度:±25mV
  • ピン選択可能な低電圧スレッショルド:+1.6V~+2.8V (200mV増分)
    • 低電圧検出精度:±100mV
  • 過電圧/低電圧スレッショルド検出ヒステリシス
    • MAX11080:300mV
    • MAX11081:37.5mV
  • 外付けコンデンサによって設定可能なアラーム検出の遅延時間:3.0ms~3.32s
  • ハートビートステータス信号によってデイジーチェーン接続されたアラームおよびシャットダウン機能
    • 最大31のデバイスを接続可能
  • 超低消費電力
    • 動作モード電流ドレイン:80µA
    • シャットダウンモード電流:2µA
  • 広い動作温度範囲:-40℃~+105℃ (AEC-Q100 Type 2)
  • 9.7mm x 4.4mmの38ピンTSSOPパッケージ
  • 鉛(Pb)フリーおよびRoHS準拠

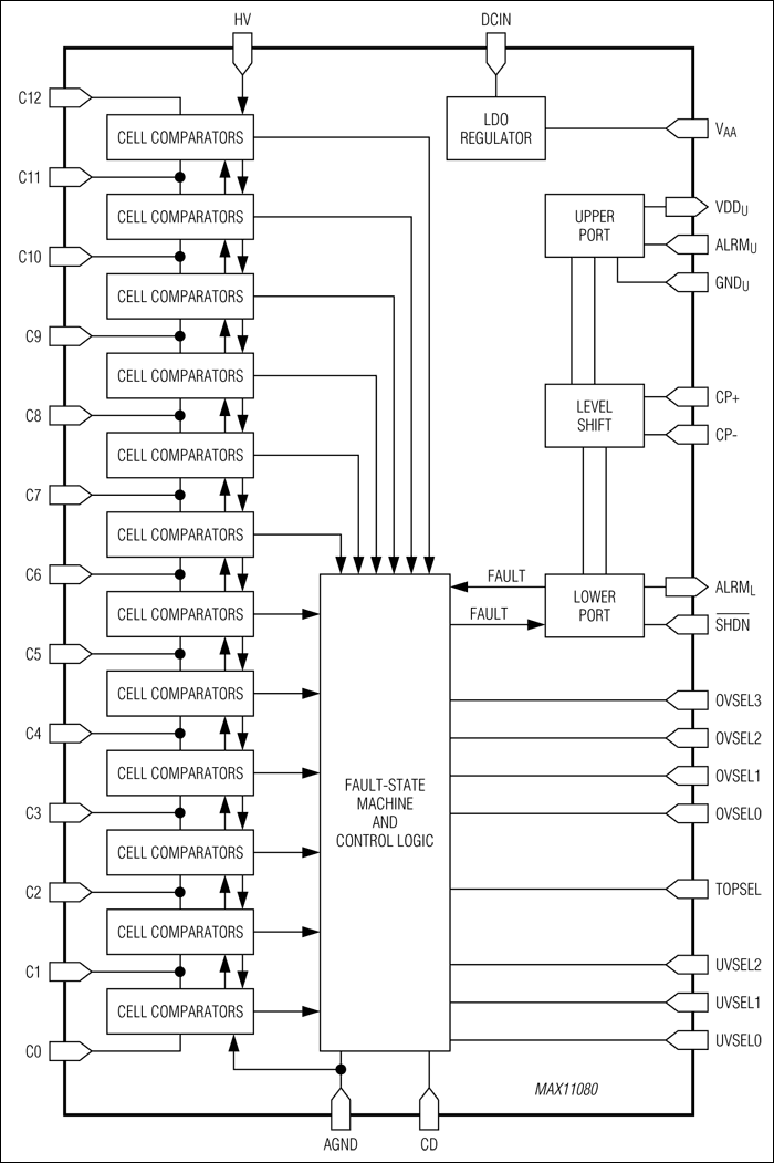
MAX11080/MAX11081は、最大12のリチウムイオン(Li+)バッテリセルを監視可能なバッテリパックフォルトモニタICです。これらのデバイスは、いずれかのセルが、ユーザー選択可能なスレッショルドを設定されたプログラム遅延間隔よりも長く超えたときに過電圧/低電圧フォルトを通知するように設計されています。過電圧レベルは、100mV増分で+3.3V~+4.8Vの範囲でのピン選択が可能で、全温度範囲において±25mVの精度を保証しています。低電圧レベルも、200mV増分で+1.6V~+2.8Vの範囲でのユーザー選択が可能です。これらのレベルは、全温度範囲において±100mVまで保証されます。低電圧検出は、ユーザー設定オプションの1つとしてディセーブルにすることができます。

MAX11080/MAX11081は、レベルシフタを内蔵しており、最大31のMAX11080/MAX11081デバイスをデイジーチェーン接続することができるため、大容量直列バッテリスタックに必要なインタフェース信号の数を減らすことができます。各セルは、別々に監視され、過電圧および低電圧スレッショルドと比較されます。いずれかのセルがこのスレッショルドを設定されたプログラム遅延間隔よりも長く超えると、MAX11080/MAX11081はハートビート信号がデイジーチェーンに送出されるのを阻止します。内蔵コンパレータのヒステリシスがスレッショルドのチャタリングを防止します。

MAX11080/MAX11081は、冗長フォルト監視アプリケーション向け高電圧測定ICであるMAX11068に対する完全な補完になるように設計されています。これらのデバイスは、9.7mm x 4.4mmの38ピンTSSOPパッケージ(ピン間隔0.5mm)で提供されます。このパッケージは、鉛フリーおよびRoHS準拠で、-40℃~+105℃の拡張温度範囲で動作します。

アプリケーション

  • 電動自転車
  • 電気自動車
  • ハイパワーバッテリバックアップ
  • 高電圧マルチセル直列スタックバッテリシステム
  • ハイブリッド電気自動車
  • 太陽電池バッテリバックアップ
  • スーパキャパシタバッテリバックアップ

MAX11080
12チャネル、高電圧バッテリパックフォルトモニタ
MAX11080:ファンクションダイアグラム
myAnalogに追加

myAnalogの製品セクション(通知受け取り)、既存/新規プロジェクトに製品を追加する。

新規プロジェクトを作成
質問する
サポート

アナログ・デバイセズのサポート・ページはアナログ・デバイセズへのあらゆるご質問にお答えするワンストップ・ポータルです。


ドキュメント

さらに詳しく
myAnalogに追加

myAnalogのリソース・セクション、既存/新規プロジェクトにメディアを追加する。

新規プロジェクトを作成

ソフトウェア・リソース

必要なソフトウェア/ドライバが見つかりませんか?

ドライバ/ソフトウェアをリクエスト

ハードウェア・エコシステム

製品モデル 製品ライフサイクル 詳細
A/Dコンバータ(ADC) 1
MAX11068 新規設計には非推奨 12チャネル、高電圧センサー、スマートデータ収集インタフェース
Modal heading
myAnalogに追加

myAnalogの製品セクション(通知受け取り)、既存/新規プロジェクトに製品を追加する。

新規プロジェクトを作成

最新のディスカッション

MAX11080に関するディスカッションはまだありません。意見を投稿しますか?

EngineerZone®でディスカッションを始める

最近表示した製品