LTM9003

最終販売

12ビット・デジタル・プリディストーションµModuleレシーバ・サブシステム

利用上の注意

本データシートの英語以外の言語への翻訳はユーザの便宜のために提供されるものであり、リビジョンが古い場合があります。最新の内容については、必ず最新の英語版をご参照ください。

なお、日本語版のデータシートは基本的に「Rev.0」(リビジョン0)で作成されています。そのため、英語版が後に改訂され、複数製品のデータシートがひとつに統一された場合、同じ「Rev.0」の日本語版のデータシートが異なる製品のデータシートとして表示されることがあります。たとえば、「ADM3307E」の場合、日本語データシートをクリックすると「ADM3311E」が表示されます。これは、英語版のデータシートが複数の製品で共有できるように1本化され、「ADM3307E/ADM3310E/ADM3311E/ADM3312E/ADM3315E」(Rev.J)と改訂されたからで、決して誤ってリンクが張られているわけではありません。和文化されたデータシートを少しでも有効に活用していただくためにこのような方法をとっておりますので、ご了解ください。

アナログ・デバイセズ社は、提供する情報が正確で信頼できるものであることを期していますが、その情報の利用に関して、あるいはその利用によって生じる第三者の特許やその他の権利の侵害に関して一切の責任を負いません。また、アナログ・デバイセズ社の特許または特許の権利の使用を明示的または暗示的に許諾するものでもありません。仕様は予告なしに変更する場合があります。本紙記載の商標および登録商標は、各社の所有に属します。

Viewing:

製品情報

  • デジタル・プリディストーション・アプリケーション向け完全集積化レシーバ・サブシステム
  • RF周波数範囲の広い(400MHz~3.8GHz)ダウンコンバーティング・ミキサ
  • パスバンド・リップルが0.5dB未満の125MHz 幅バンドパス・フィルタ
  • 分解能が最大12ビット、サンプルレートが最大250Mspsの低消費電力ADC
  • 入力ノイズフロア:–145.5dBm/Hz、IIP3:25.8dBm
  • 総消費電力: 1.5W
  • 50Ω シングルエンドRF およびLOポート
  • バイパス容量を内蔵、外付け部品が不要
  • ADCのクロック・デューティ・サイクル・スタビライザ
  • 11.25mm × 15mm LGA パッケージ

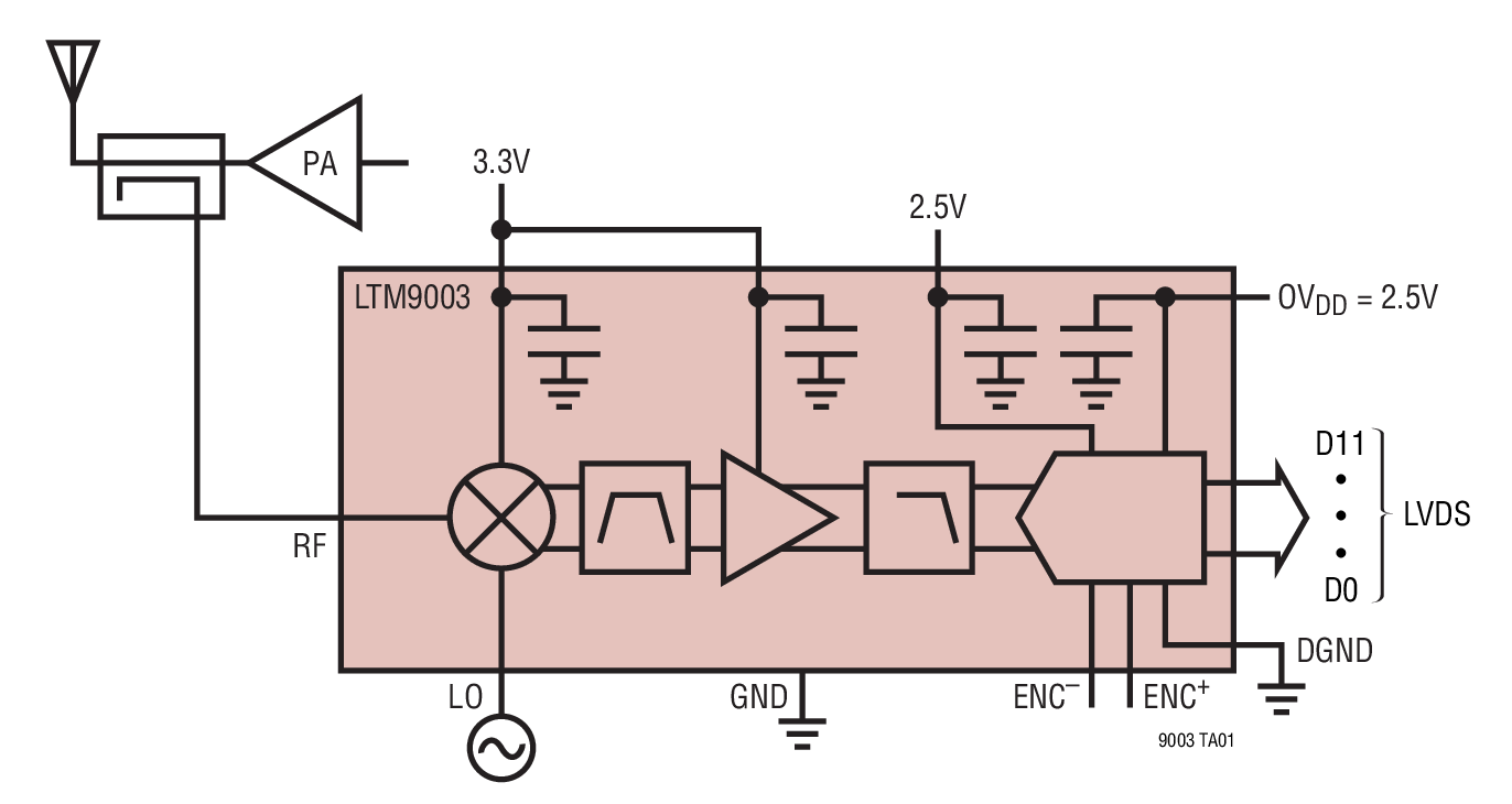
LTM9003は、セルラー基地局の送信パス向けの 12ビット・デジタル・プリディストーションµModule®レシーバ・サブシステムです。集積化システム・イン・パッケージ(SiP)技術を利用し、ダウンコンバーティング・ミキサ、広帯域フィルタ、ADCを内蔵しています。このシステムは、中間周波数(IF) が184MHz、信号帯域幅が最大125MHzになるように調整されています。12ビット ADC は最大250Mspsのレートでサンプリングを行います。カスタム対応につきましては、弊社にお問い合わせください。

高信号レベルのダウンコンバーティング・アクティブ・ミキサは、高直線性でダイナミックレンジの広いIFサンプリング・アプリケーション向けに最適化されています。このデバイスは、二重平衡ミキサをドライブする差動LOバッファ・アンプを内蔵しています。 RF 入力とLO 入力にブロードバンド・トランスを搭載し、シングルエンドの50Ωインタフェースを提供します。 RF入力と LO 入力は、1.1GHz~1.8GHzの範囲で50Ωに内部で整合しています。

CLK入力はコンバータ動作を制御し、差動またはシングルエンドでドライブ可能です。また、オプションのクロック・デューティ・サイクル・スタビライザにより、広範なクロック・デューティ・サイクルにおいてフルスピードで高性能を実現できます。


アプリケーション

  • 送信監視パス・レシーバ
  • デジタル・プリディストーション(DPD) レシーバ
  • 広帯域レシーバ
  • 広帯域計測

LTM9003
12ビット・デジタル・プリディストーションµModuleレシーバ・サブシステム
FFT of 4-Channel WCDMA Input at 2.14GHz Product Package 1
myAnalogに追加

myAnalogの製品セクション(通知受け取り)、既存/新規プロジェクトに製品を追加する。

新規プロジェクトを作成
質問する
サポート

アナログ・デバイセズのサポート・ページはアナログ・デバイセズへのあらゆるご質問にお答えするワンストップ・ポータルです。


ドキュメント

さらに詳しく
myAnalogに追加

myAnalogのリソース・セクション、既存/新規プロジェクトにメディアを追加する。

新規プロジェクトを作成

ソフトウェア・リソース

評価用ソフトウェア 1

LinearLabTools

リニアテクノロジーのデータ・コンバータ評価用ボードに直接アクセスできるMATLABとPythonのプログラムを集めたツールです。


ハードウェア・エコシステム

製品モデル 製品ライフサイクル 詳細
A/Dコンバータ(ADC) 1
LTM9013 最終販売 300MHz広帯域レシーバ
フェーズ・ロック・ループ(PLL)シンセサイザ 1
LTC6946 最終販売 ノイズとスプリアスを極めて低く抑えたVCO内蔵の0.37GHz~5.7GHz整数分周方式シンセサイザ
Modal heading
myAnalogに追加

myAnalogの製品セクション(通知受け取り)、既存/新規プロジェクトに製品を追加する。

新規プロジェクトを作成

ツールおよびシミュレーション

IBISモデル 1


評価用キット

eval board
DC1642A-AA

LTM9003-AA Demo Board with HSMC Connector, LVDS Outputs. Use DC1437 for PScope Evaluation

製品詳細

DC1642A-AA: Demo Board for LTM9003-AA 12-Bit Digital Pre-Distortion Receiver Subsystem.


 


eval board
DC1642A-AB

LTM9003-AB Demo Board with HSMC Connector, LVDS Outputs. Use DC1437 for PScope Evaluation

製品詳細

DC1642A-AB: Demo Board for LTM9003-AB 12-Bit Digital Pre-Distortion Receiver Subsystem.


 


DC1642A-AA
LTM9003-AA Demo Board with HSMC Connector, LVDS Outputs. Use DC1437 for PScope Evaluation
DC1642A-AB - Schematic
DC1437B-AB
LTM9003-AB Demo Board | LVDS Output, Uses DC890 and LVDS_XFMR
DC1437B-AA - Schematic
DC1642A-AB
LTM9003-AB Demo Board with HSMC Connector, LVDS Outputs. Use DC1437 for PScope Evaluation
DC1642A-AB - Schematic
DC1437B-AA
LTM9003-AA Demo Board | LVDS Output, Uses DC890 and LVDS_XFMR
DC1437B-AA - Schematic

最新のディスカッション

最近表示した製品