製品概要
製品概要
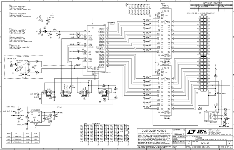
DC1437B-AB: Demo Board for the LTM9003-AB 12-Bit Digital Pre-Distortion Receiver Subsystem.
対象となる製品
関連資料
-
DC1437B - Schematic2014/08/01PDF81K
-
DC1437B - Demo Manual2014/08/01PDF465K
-
DC1437B - Design Files2014/08/01ZIP1M
