LTC4304

製造中

スタックバス復旧機能付き、ホットスワップ可能な2線バス・バッファ

利用上の注意

本データシートの英語以外の言語への翻訳はユーザの便宜のために提供されるものであり、リビジョンが古い場合があります。最新の内容については、必ず最新の英語版をご参照ください。

なお、日本語版のデータシートは基本的に「Rev.0」(リビジョン0)で作成されています。そのため、英語版が後に改訂され、複数製品のデータシートがひとつに統一された場合、同じ「Rev.0」の日本語版のデータシートが異なる製品のデータシートとして表示されることがあります。たとえば、「ADM3307E」の場合、日本語データシートをクリックすると「ADM3311E」が表示されます。これは、英語版のデータシートが複数の製品で共有できるように1本化され、「ADM3307E/ADM3310E/ADM3311E/ADM3312E/ADM3315E」(Rev.J)と改訂されたからで、決して誤ってリンクが張られているわけではありません。和文化されたデータシートを少しでも有効に活用していただくためにこのような方法をとっておりますので、ご了解ください。

アナログ・デバイセズ社は、提供する情報が正確で信頼できるものであることを期していますが、その情報の利用に関して、あるいはその利用によって生じる第三者の特許やその他の権利の侵害に関して一切の責任を負いません。また、アナログ・デバイセズ社の特許または特許の権利の使用を明示的または暗示的に許諾するものでもありません。仕様は予告なしに変更する場合があります。本紙記載の商標および登録商標は、各社の所有に属します。

Viewing:

製品情報

  • バスが30ms以上スタックLowの場合、SDA/SCLラインを自動切断
  • スタックバスのフォールト・フラグ
  • 自動クロッキングでスタックバスを復旧
  • SDAラインおよび SCLライン用双方向バッファにより、ファンアウト数を増加
  • 電源の入ったバックプレーンに対するボード挿入/引抜き時に、SDAや SCLの損傷を防止
  • VCC以上あるいはVCC以下のバス・プルアップ電圧が可能
  • ±15kV 人体モデル ESD 保護
  • 入力SDAおよびSCLラインを出力から絶縁
  • I2C、I2C Fast Mode、SMBus規格に準拠(最大400kHz動作)
  • READYオープンドレイン出力
  • すべてのSDAおよびSCLラインでの1Vのプリチャージ
  • VCC = 0V時にSDAピンとSCLピンがハイ・インピーダンス
  • ENABLEによって入力から出力への接続をゲート
  • 10ピンMSOPおよびDFN(3mm×3mm)パッケージ

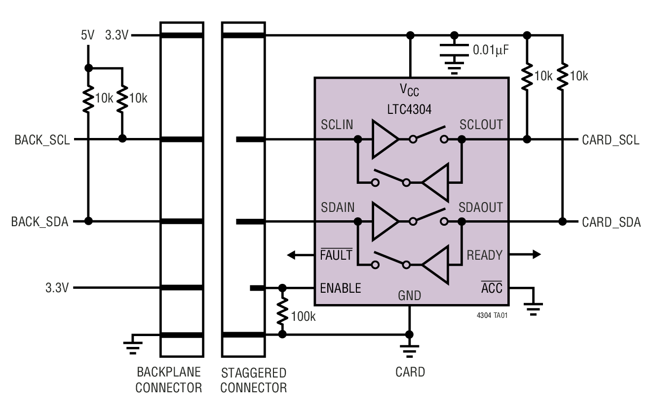
ホットスワップ可能2線バス・バッファLTC4304は、データ・バスやクロック・バスの損傷なしに、電源の入ったバックプレーンへのI/Oカードの挿入を可能にします。接続が行われると、LTC4304は、双方向バッファリングを提供し、バックプレーン容量とカード容量を絶縁状態に保持します。SDAOUT またはSCLOUT が30ms 以上“Low”の場合、LTC4304 は自動的にデータ・バスとクロック・バスの接続を遮断し、FAULTを“Low”にします。続いて、LTC4304 はSCLOUT ピンから最大16 のクロックパルスを自動的に生成して、バスの解放を試みます。バスが解放されると、接続が自動的にイネーブルされます。ACC入力がロジック“Low”になると、LTC4304の立上り時間アクセラレータがイネーブルされます。ACC入力がロジック“High”になると、このアクセラレータがディスエーブルされ、SDAおよびSCLバス・プルアップ電圧がVCCを下回ることが可能です。

挿入時は、SDAラインとSCLラインが1Vにプリチャージされるので、バス障害を最小限に抑えることができます。ENABLEピンが“High”にドライブされている場合は、ストップ・ビットまたはバス・アイドルが検知された後で接続することができます。ENABLEピンが“Low”にドライブされている場合は、SDAINとSDAOUTおよびSCLINとSCLOUTの接続が絶たれます。READYは、バックプレーン側とカード側が接続されていることを知らせるオープンドレイン出力です。


アプリケーション

  • ボードの活線挿入
  • サーバ
  • 容量バッファ/バス・エクステンダ
  • RAIDシステム

LTC4304
スタックバス復旧機能付き、ホットスワップ可能な2線バス・バッファ
Stuck Bus Resolved with Automatic Clocking Product Package 1 Product Package 2
myAnalogに追加

myAnalogの製品セクション(通知受け取り)、既存/新規プロジェクトに製品を追加する。

新規プロジェクトを作成
質問する
サポート

アナログ・デバイセズのサポート・ページはアナログ・デバイセズへのあらゆるご質問にお答えするワンストップ・ポータルです。


ドキュメント

データシート

これは最新改訂バージョンのデータシートです。

さらに詳しく
myAnalogに追加

myAnalogのリソース・セクション、既存/新規プロジェクトにメディアを追加する。

新規プロジェクトを作成

ハードウェア・エコシステム

製品モデル 製品ライフサイクル 詳細
インターフェース・トランシーバ & アイソレータ 1
LTM2883 製造中 ±12.5Vおよび5Vの可変安定化電源を備えたSPI/デジタルまたはI2C対応のμModuleアイソレータ
Modal heading
myAnalogに追加

myAnalogの製品セクション(通知受け取り)、既存/新規プロジェクトに製品を追加する。

新規プロジェクトを作成

ツールおよびシミュレーション

IBISモデル 1

最新のディスカッション

最近表示した製品