LTC4240

製造中

I2C互換インターフェイス付きCompactPCIホットスワップ・コントローラ

利用上の注意

本データシートの英語以外の言語への翻訳はユーザの便宜のために提供されるものであり、リビジョンが古い場合があります。最新の内容については、必ず最新の英語版をご参照ください。

なお、日本語版のデータシートは基本的に「Rev.0」(リビジョン0)で作成されています。そのため、英語版が後に改訂され、複数製品のデータシートがひとつに統一された場合、同じ「Rev.0」の日本語版のデータシートが異なる製品のデータシートとして表示されることがあります。たとえば、「ADM3307E」の場合、日本語データシートをクリックすると「ADM3311E」が表示されます。これは、英語版のデータシートが複数の製品で共有できるように1本化され、「ADM3307E/ADM3310E/ADM3311E/ADM3312E/ADM3315E」(Rev.J)と改訂されたからで、決して誤ってリンクが張られているわけではありません。和文化されたデータシートを少しでも有効に活用していただくためにこのような方法をとっておりますので、ご了解ください。

アナログ・デバイセズ社は、提供する情報が正確で信頼できるものであることを期していますが、その情報の利用に関して、あるいはその利用によって生じる第三者の特許やその他の権利の侵害に関して一切の責任を負いません。また、アナログ・デバイセズ社の特許または特許の権利の使用を明示的または暗示的に許諾するものでもありません。仕様は予告なしに変更する場合があります。本紙記載の商標および登録商標は、各社の所有に属します。

Viewing:

製品情報

  •  電源の入ったCompactPCIバスに対するボードの安全な挿入/引抜きが可能
  •  I2CTM互換の2線インターフェイス
  •  カード挿入、引抜き中にI/OピンをバイアスするPRECHARGE出力
  •  3.3V、5V、12V、-12V電源の制御
  •  回路ブレーカを使用したフォールドバック電流制限
  •  Local_PCI_RST#ロジック内蔵
  •  QuickSwitch®イネーブル出力
  •  状態表示LEDドライバ
  •  ユーザがプログラム可能な電源電圧上昇速度
  •  個々の電源フォールトを記録
  •  28ピン細型SSOPパッケージ

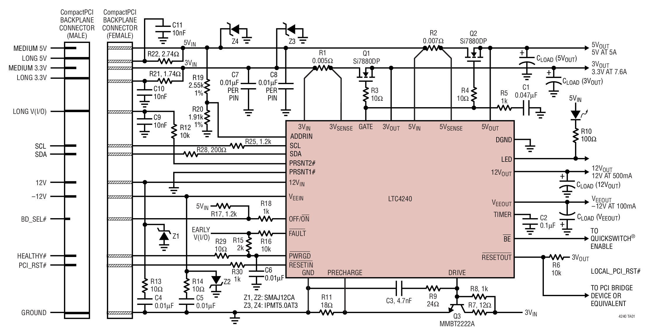
LTC4240は、電源の入ったCompactPCIバス・スロットに対するボードの安全な挿入、引抜きを可能にするホットスワップコントローラです。LTC4240はI2C互換の2線インターフェイスを装備しているので、デバイスの機能と電源状態をソフトウェア制御しモニタ可能です。2個の外付けNチャネル・トランジスタが3.3Vおよび5V電源を制御し、2個の内部スイッチが-12Vおよび12V電源を制御します。電子回路ブレーカにより、4つの電源すべてを過電流フォールトから保護します。 PWRGD出力は、すべての電源電圧が許容範囲内であることを示します。OFF/ONピンは、ボード電源の投入・切断、または回路ブレーカのリセットに使用されます。I2Cインターフェイスにより、ユーザによるデバイスのオン/オフ、RESETOUTのセット、状態表示LEDドライバのオン、12Vおよび-12Vフォールトの無効化が可能です。また、このインターフェイスにより、ユーザはFAULT、RESETIN、RESETOUT、PWRGD、PRSNT1#、PRSNT2#ピンの状態を読みとることができます。さらに、フォールト時に、I2Cインターフェイスを使用して、4つの電源のいずれがフォールトの原因であるかを確定することができます。 LTC4240は28ピン細型SSOPパッケージで供給されます。


アプリケーション

  •  CompactPCIバスへのボードの活線挿入
  •  電子回路ブレーカ

LTC4240
I2C互換インターフェイス付きCompactPCIホットスワップ・コントローラ
Product Package 1
myAnalogに追加

myAnalogの製品セクション(通知受け取り)、既存/新規プロジェクトに製品を追加する。

新規プロジェクトを作成
質問する
サポート

アナログ・デバイセズのサポート・ページはアナログ・デバイセズへのあらゆるご質問にお答えするワンストップ・ポータルです。


ドキュメント

データシート

これは最新改訂バージョンのデータシートです。

さらに詳しく
myAnalogに追加

myAnalogのリソース・セクション、既存/新規プロジェクトにメディアを追加する。

新規プロジェクトを作成

ソフトウェア・リソース

必要なソフトウェア/ドライバが見つかりませんか?

ドライバ/ソフトウェアをリクエスト

ハードウェア・エコシステム

製品モデル 製品ライフサイクル 詳細
保護スイッチ & コントローラ 2
LTC4241 新規設計に推奨 3.3V補助電源付きPCIバス ホットスワップ・コントローラ
LTC4244 製造中 強靭なCompactPCIバス・ホットスワップ・コントローラ
Modal heading
myAnalogに追加

myAnalogの製品セクション(通知受け取り)、既存/新規プロジェクトに製品を追加する。

新規プロジェクトを作成

ツールおよびシミュレーション

LTspice


下記製品はLTspiceで使用することが出来ます。:

  • LTC4240
LTspice

LTspice®は、無料で提供される強力で高速な回路シミュレータと回路図入力、波形ビューワに改善を加え、アナログ回路のシミュレーションを容易にするためのモデルを搭載しています。

 


評価用キット

DC458A
OBSOLETE: LTC4240CGN | I2C Compact PCI Hot Swap Controller
DC458A - Schematic

最新のディスカッション

LTC4240に関するディスカッションはまだありません。意見を投稿しますか?

EngineerZone®でディスカッションを始める

最近表示した製品