LTC3429

製造中

出力切断機能付き、600mA、500kHzマイクロパワー同期整流式昇圧コンバータ

利用上の注意

本データシートの英語以外の言語への翻訳はユーザの便宜のために提供されるものであり、リビジョンが古い場合があります。最新の内容については、必ず最新の英語版をご参照ください。

なお、日本語版のデータシートは基本的に「Rev.0」(リビジョン0)で作成されています。そのため、英語版が後に改訂され、複数製品のデータシートがひとつに統一された場合、同じ「Rev.0」の日本語版のデータシートが異なる製品のデータシートとして表示されることがあります。たとえば、「ADM3307E」の場合、日本語データシートをクリックすると「ADM3311E」が表示されます。これは、英語版のデータシートが複数の製品で共有できるように1本化され、「ADM3307E/ADM3310E/ADM3311E/ADM3312E/ADM3315E」(Rev.J)と改訂されたからで、決して誤ってリンクが張られているわけではありません。和文化されたデータシートを少しでも有効に活用していただくためにこのような方法をとっておりますので、ご了解ください。

アナログ・デバイセズ社は、提供する情報が正確で信頼できるものであることを期していますが、その情報の利用に関して、あるいはその利用によって生じる第三者の特許やその他の権利の侵害に関して一切の責任を負いません。また、アナログ・デバイセズ社の特許または特許の権利の使用を明示的または暗示的に許諾するものでもありません。仕様は予告なしに変更する場合があります。本紙記載の商標および登録商標は、各社の所有に属します。

Viewing:

製品情報

  •  最大96%の効率
  •  真の出力負荷切断
  •  突入電流制限機能とソフトスタート機能を搭載
  •  低電圧起動:0.85V
  •  IQ = 20μAの自動バーストモード動作
  •  軽負荷での連続スイッチング(LTC3429B)
  •  同期整流器内蔵
  •  内部補償付き電流モード制御
  •  短絡保護
  •  500kHzの固定周波数スイッチング
  •  入力範囲:0.5V~4.4V
  •  出力範囲:2.5V~4.3V(ショットキーを使用すれば最大5V)
  •  シャットダウン電流:1μA以下
  •  アンチリンギング制御によりEMIを最小化
  •  小型の外付け部品
  •  高さの低い(1mm)SOT-23パッケージ

LTC3429/LTC3429Bは、高効率、同期整流式、固定周波数の昇圧DC/DCコンバータです。真の出力負荷切断機能、突入電流制限機能、ソフトスタート機能を備え、高さの低い6ピンThinSOTパッケージで供給されています。 このデバイスは単一AAセル入力から3.3V/100mA、2セルAA入力から3.3V/250mAの出力を供給可能です。

500kHzのスイッチング周波数により、高さの低い小型のインダクタやセラミック・コンデンサを使用可能なので、ソリューション全体の実装面積を最小限に抑えることができます。内部補償付きの電流モードPWM制御により、外付け部品数を低減できるので、重要なボードスペースを節減します。LTC3429は軽負荷時に省電力のバーストモード動作に自動的に移行し、LTC3429Bは軽負荷での連続スイッチングを特長としています。アンチリンギング制御回路により、不連続モードでインダクタが減衰されるので、EMIを低減できます。

このデバイスは1μA以下の低いシャットダウン電流を特長としています。真の出力切断機能により、シャットダウン時に出力を完全に放電できます。また、起動時に突入電流を制限するので、入力電源によるサージ電流を最小限に抑えることができます。


アプリケーション

  • MP3プレイヤ
  • デジタル・カメラ
  • LCDバイアス電源
  • ハンドヘルド機器
  • 無線ハンドセット
  • GPSレシーバ

LTC3429
出力切断機能付き、600mA、500kHzマイクロパワー同期整流式昇圧コンバータ
Figure 1. 2-Cell to 3.3V Synchronous Boost Converter 2-Cell to 3.3V Efficiency Product Package 1
myAnalogに追加

myAnalogの製品セクション(通知受け取り)、既存/新規プロジェクトに製品を追加する。

新規プロジェクトを作成
質問する
サポート

アナログ・デバイセズのサポート・ページはアナログ・デバイセズへのあらゆるご質問にお答えするワンストップ・ポータルです。


ドキュメント

データシート

これは最新改訂バージョンのデータシートです。

さらに詳しく
myAnalogに追加

myAnalogのリソース・セクション、既存/新規プロジェクトにメディアを追加する。

新規プロジェクトを作成

ソフトウェア・リソース

必要なソフトウェア/ドライバが見つかりませんか?

ドライバ/ソフトウェアをリクエスト

ハードウェア・エコシステム

製品モデル 製品ライフサイクル 詳細
スイッチング・レギュレータ & コントローラ 1
LTC3526L 新規設計に推奨 2mm×2mm DFNパッケージの550mA、1MHz同期整流式昇圧DC/DCコンバータ
Modal heading
myAnalogに追加

myAnalogの製品セクション(通知受け取り)、既存/新規プロジェクトに製品を追加する。

新規プロジェクトを作成

ツールおよびシミュレーション

LTspice


下記製品はLTspiceで使用することが出来ます。:

  • LTC3429
LTspice

LTspice®は、無料で提供される強力で高速な回路シミュレータと回路図入力、波形ビューワに改善を加え、アナログ回路のシミュレーションを容易にするためのモデルを搭載しています。

 


評価用キット

eval board
DC559A-B

LTC3429BES6 Demo Board | 1V ≤ VIN ≤ 3.3V, VOUT = 3.3V @ Up to 250mA

製品詳細

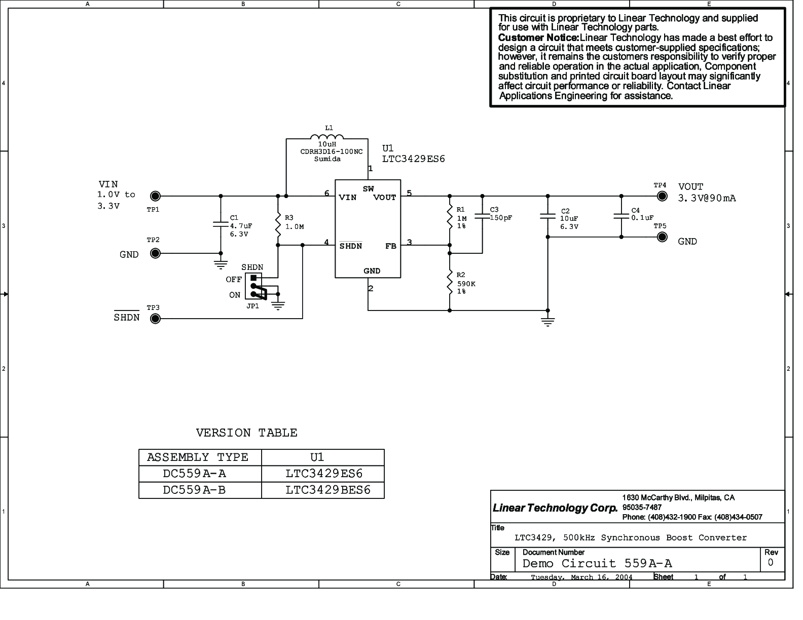
Demonstration circuit 559 is a high efficiency synchronous boost DC/DC converter with output disconnect, inrush current limiting and soft-start functions featuring the LTC3429. DC559A-A uses the LTC3429 Burst Mode capable device; DC559A-B uses the continuous switching LTC3429B (Burst Mode disabled). The demo board is capable of supplying 3.3V@90mA from a single AA cell input or 3.3V@250mA from a 2-cell input. The input range is from 1V to 3.3V.



eval board
DC559A-A

LTC3429ES6 Demo Board | 1V ≤ VIN ≤ 3.3V, VOUT = 3.3V @ Up to 250mA

製品詳細

Demonstration circuit 559 is a high efficiency synchronous boost DC/DC converter with output disconnect, inrush current limiting and soft-start functions featuring the LTC3429. DC559A-A uses the LTC3429 Burst Mode capable device; DC559A-B uses the continuous switching LTC3429B (Burst Mode disabled). The demo board is capable of supplying 3.3V@90mA from a single AA cell input or 3.3V@250mA from a 2-cell input. The input range is from 1V to 3.3V. 



DC559A-B
LTC3429BES6 Demo Board | 1V ≤ VIN ≤ 3.3V, VOUT = 3.3V @ Up to 250mA
DC559A-A - Schematic
DC559A-A
LTC3429ES6 Demo Board | 1V ≤ VIN ≤ 3.3V, VOUT = 3.3V @ Up to 250mA
DC559A-A - Schematic

最新のディスカッション

LTC3429に関するディスカッションはまだありません。意見を投稿しますか?

EngineerZone®でディスカッションを始める

最近表示した製品