LTC3412A

製造中

3A、4MHzモノリシック同期整流式降圧レギュレータ

利用上の注意

本データシートの英語以外の言語への翻訳はユーザの便宜のために提供されるものであり、リビジョンが古い場合があります。最新の内容については、必ず最新の英語版をご参照ください。

なお、日本語版のデータシートは基本的に「Rev.0」(リビジョン0)で作成されています。そのため、英語版が後に改訂され、複数製品のデータシートがひとつに統一された場合、同じ「Rev.0」の日本語版のデータシートが異なる製品のデータシートとして表示されることがあります。たとえば、「ADM3307E」の場合、日本語データシートをクリックすると「ADM3311E」が表示されます。これは、英語版のデータシートが複数の製品で共有できるように1本化され、「ADM3307E/ADM3310E/ADM3311E/ADM3312E/ADM3315E」(Rev.J)と改訂されたからで、決して誤ってリンクが張られているわけではありません。和文化されたデータシートを少しでも有効に活用していただくためにこのような方法をとっておりますので、ご了解ください。

アナログ・デバイセズ社は、提供する情報が正確で信頼できるものであることを期していますが、その情報の利用に関して、あるいはその利用によって生じる第三者の特許やその他の権利の侵害に関して一切の責任を負いません。また、アナログ・デバイセズ社の特許または特許の権利の使用を明示的または暗示的に許諾するものでもありません。仕様は予告なしに変更する場合があります。本紙記載の商標および登録商標は、各社の所有に属します。

Viewing:

製品情報

  • LTC3412の評価キットはここをクリック
  • 高効率:最大95%
  • 出力電流:3A
  • 低消費電流:64μA
  • 低RDS(ON)の内部スイッチ:77mΩ
  • 入力電圧範囲:2.25V~5.5V
  • プログラム可能な周波数:300kHz~4MHz
  • 出力電圧精度:±2%
  • 0.8Vリファレンスにより、低出力電圧が可能
  • 強制連続動作またはバースト・クランプを調整可能なBurst Mode®動作を選択可能
  • 同期可能なスイッチング周波数
  • 低損失動作:100%デューティサイクル
  • パワーグッド出力電圧モニタ
  • 過温度保護機能
  • 16ピン露出パッド付きTSSOPおよびQFNパッケージ

LTC3412Aは、固定周波数電流モードアーキテクチャを採用した、高効率モノリシック同期整流式降圧DC/DCコンバータです。 2.25V~5.5Vの入力電圧範囲で動作し、最大3Aの出力電流で0.8V~5V の安定化出力電圧を供給します。オン抵抗が 77mΩの同期パワースイッチを内蔵しているので、効率が向上し、外付けショットキー・ダイオードが不要です。スイッチング周波数は外付け抵抗で設定されますが、外部クロックに同期させることも可能です。100%デューティ・サイクルにより、低損失動作が可能で、携帯システムのバッテリ寿命を延ばすことができます。OPTI-LOOP®補償機能を備えているので、広範な負荷および出力コンデンサに対して過渡応答を最適化できます。

LTC3412AはBurst Mode動作と強制連続動作のいずれかに設定できます。Burst Mode動作は軽負荷時にゲート電荷損失を低減して高効率を提供し、強制連続動作はノイズとRF干渉を低減します。Burst Mode動作では、バースト・クランプ・レベルを外部制御することにより、アプリケーション要件に応じて出力電圧リップルを調整することが可能です。


アプリケーション

  • Point-of-Loadレギュレーション
  • ノートブック・コンピュータ
  • 携帯計測器
  • 配電システム

LTC3412A
3A、4MHzモノリシック同期整流式降圧レギュレータ
2.5V/3A Step-Down Regulator Efficiency and Power Loss Product Package 1 Product Package 2
myAnalogに追加

myAnalogの製品セクション(通知受け取り)、既存/新規プロジェクトに製品を追加する。

新規プロジェクトを作成
質問する
サポート

アナログ・デバイセズのサポート・ページはアナログ・デバイセズへのあらゆるご質問にお答えするワンストップ・ポータルです。


ドキュメント

さらに詳しく
myAnalogに追加

myAnalogのリソース・セクション、既存/新規プロジェクトにメディアを追加する。

新規プロジェクトを作成

ソフトウェア・リソース

必要なソフトウェア/ドライバが見つかりませんか?

ドライバ/ソフトウェアをリクエスト

ハードウェア・エコシステム

製品モデル 製品ライフサイクル 詳細
パワー・システム・マネージメント(PSM) & シーケンサ 1
LTC2974 新規設計に推奨 正確な出力電流測定を特長とする4チャンネルPMBusパワーシステム・マネージャ
監視回路 & リセットIC 1
LTC2935 製造中 パワーフェール出力付き、スレッショルドを選択可能な超低消費電力モニタ
発振器 1
LTC6908 スペクトル拡散変調付き抵抗設定SOT-23発振器
Modal heading
myAnalogに追加

myAnalogの製品セクション(通知受け取り)、既存/新規プロジェクトに製品を追加する。

新規プロジェクトを作成

ツールおよびシミュレーション

LTspice 1


下記製品はLTspiceで使用することが出来ます。:

  • LTC3412
  • LTC3412A

LTpowerCAD 1


次のデバイス用の設計ツールがLTpowerCADでご使用になれます。

  • LTC3412
  • LTC3412A
LTspice

LTspice®は、無料で提供される強力で高速な回路シミュレータと回路図入力、波形ビューワに改善を加え、アナログ回路のシミュレーションを容易にするためのモデルを搭載しています。

 

LTpowerCAD

LTpowerCAD®は、電力段のデバイスの選択、詳細な電力効率の提供、ループのボーデ線図の安定性および負荷過渡応答解析の敏速な表示などを行うと共に、シミュレーション用にLTspiceにエクスポートできる電源設計プログラムです。


評価用キット

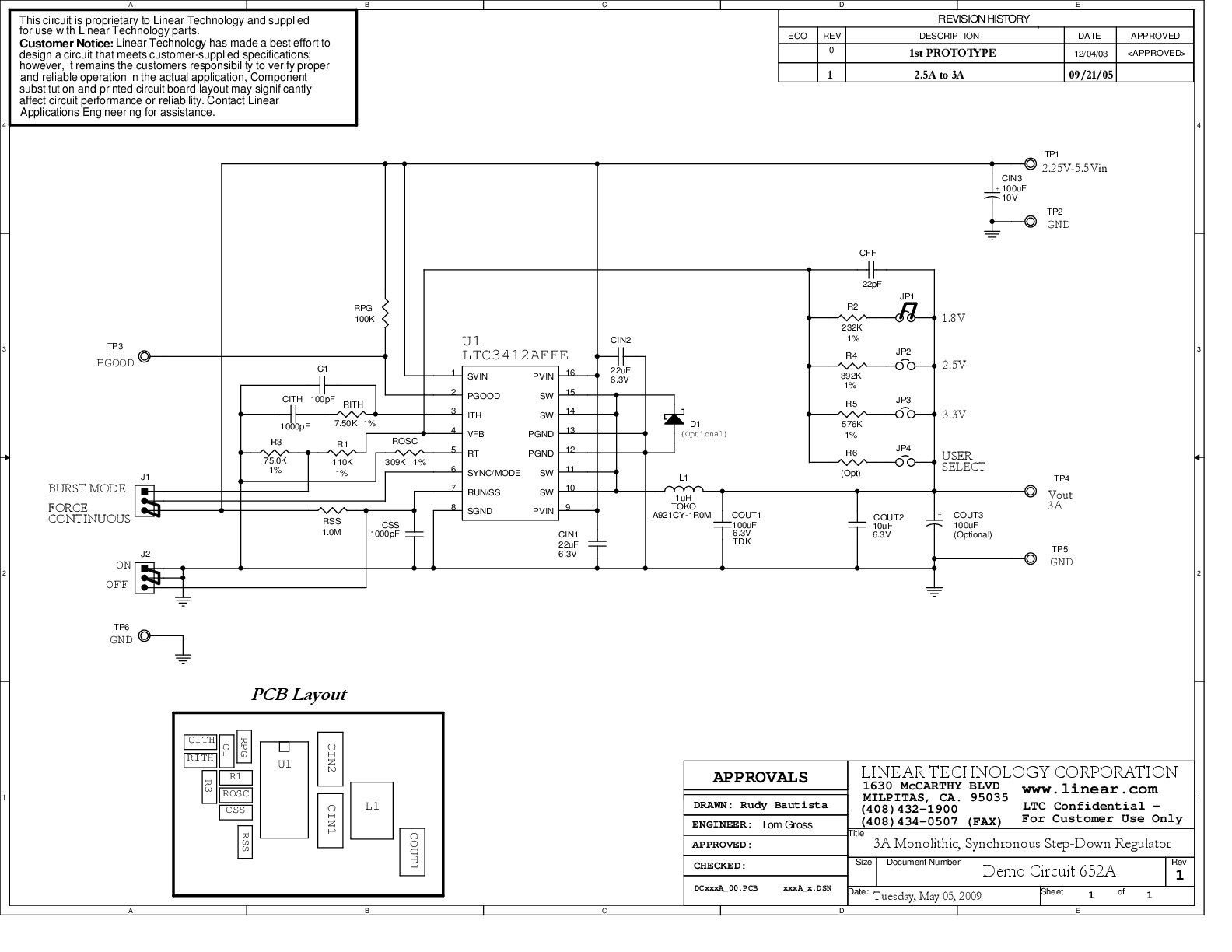
DC652A
LTC3412AEFE Demo Board
DC652A - Schematic

最新のディスカッション

LTC3412Aに関するディスカッションはまだありません。意見を投稿しますか?

EngineerZone®でディスカッションを始める

最近表示した製品