製品概要
製品概要
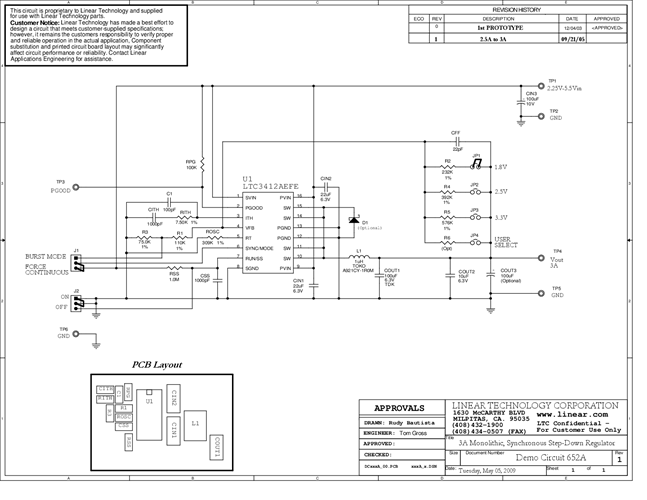
DC652A: Demo Board for the LTC3412A 3A, 4MHz, Monolithic Synchronous Step-Down Regulator.
対象となる製品
関連資料
-
DC652A - Schematic2009/09/24PDF64K
-
DC652A - Demo Manual2009/09/24PDF388K
-
DC652A - Design File2009/09/24ZIP1M
