LTC3101

新規設計に推奨

入力電圧範囲の広い複数出力DC/DCコンバータとPowerPathコントローラ

利用上の注意

本データシートの英語以外の言語への翻訳はユーザの便宜のために提供されるものであり、リビジョンが古い場合があります。最新の内容については、必ず最新の英語版をご参照ください。

なお、日本語版のデータシートは基本的に「Rev.0」(リビジョン0)で作成されています。そのため、英語版が後に改訂され、複数製品のデータシートがひとつに統一された場合、同じ「Rev.0」の日本語版のデータシートが異なる製品のデータシートとして表示されることがあります。たとえば、「ADM3307E」の場合、日本語データシートをクリックすると「ADM3311E」が表示されます。これは、英語版のデータシートが複数の製品で共有できるように1本化され、「ADM3307E/ADM3310E/ADM3311E/ADM3312E/ADM3315E」(Rev.J)と改訂されたからで、決して誤ってリンクが張られているわけではありません。和文化されたデータシートを少しでも有効に活用していただくためにこのような方法をとっておりますので、ご了解ください。

アナログ・デバイセズ社は、提供する情報が正確で信頼できるものであることを期していますが、その情報の利用に関して、あるいはその利用によって生じる第三者の特許やその他の権利の侵害に関して一切の責任を負いません。また、アナログ・デバイセズ社の特許または特許の権利の使用を明示的または暗示的に許諾するものでもありません。仕様は予告なしに変更する場合があります。本紙記載の商標および登録商標は、各社の所有に属します。

Viewing:

製品情報

  • 低損失PowerPath制御:バッテリからUSBやACアダプタの電力へのシームレスな自動移行
  • 広い入力電圧範囲:1.8V~5.5V
  • 昇降圧VOUT:1.5V~5.25V
  • 昇降圧によりVIN≥1.8Vで3.3V/300mA、VIN≥3Vで3.3V/800mAを発生
  • デュアル350mA降圧レギュレータ、VOUT:0.6V~VIN
  • Burst Mode®動作時の消費電流:38μA
  • 1.8V/50mAの常時オンLDO電源
  • 保護機能付き100mA Hot Swap出力
  • プッシュボタンによるオン/オフ制御
  • 電流制限された200mA MAX出力
  • プログラム可能なパワーアップ・シーケンシング
  • 24ピン4mm×4mm×0.75mm QFNパッケージ

LTC3101は低消費電力の携帯機器向けの完全なパワーマネージメント・ソリューションです。USBやACアダプタの電力を利用できるときバッテリからそれらにシームレスに移行する3つの高効率スイッチングDC/DCコンバータを提供します。同期整流式昇降圧レギュレータは完全な柔軟性を備えているので、1個のリチウムイオン/ポリマー・バッテリ、2~3個のAAセル、USBポートまたは1.8V~5.5Vで動作するその他の電源で動作可能です。

常時オンしている2つの出力(50mA LDOおよび高い電圧の入力電源をトラッキングする200mA MAX出力)がクリティカルな機能や追加の外部レギュレータに電力を供給します。フラッシュメモリカードは保護機能付きの100mA Hot Swap出力から直接給電することができます。プッシュボタン制御ロジックと持続時間をプログラム可能なマイクロプロセッサ・リセット・ジェネレータにより、マイクロプロセッサへのインタフェースが簡素化され、内部シーケンシングおよび独立したイネーブル・ピンにより、柔軟なパワーアップのオプションが与えられます。LTC3101は高さの低い(0.75mm)24ピン4mm×4mm QFNパッケージで供給されます。


アプリケーション

  • ウルトラポータブル・デジタル・ビデオ・カメラ
  • パーソナル・ハンドヘルドGPSナビゲータ
  • 携帯型医療機器

LTC3101
入力電圧範囲の広い複数出力DC/DCコンバータとPowerPathコントローラ
Efficiency vs VBAT Product Package 1
myAnalogに追加

myAnalogの製品セクション(通知受け取り)、既存/新規プロジェクトに製品を追加する。

新規プロジェクトを作成
質問する
サポート

アナログ・デバイセズのサポート・ページはアナログ・デバイセズへのあらゆるご質問にお答えするワンストップ・ポータルです。


ドキュメント

データシート

これは最新改訂バージョンのデータシートです。

さらに詳しく
myAnalogに追加

myAnalogのリソース・セクション、既存/新規プロジェクトにメディアを追加する。

新規プロジェクトを作成

ソフトウェア・リソース

必要なソフトウェア/ドライバが見つかりませんか?

ドライバ/ソフトウェアをリクエスト

ハードウェア・エコシステム

製品モデル 製品ライフサイクル 詳細
バッテリ・モニタ & 残量ゲージ 1
LTC2942 新規設計には非推奨 温度および電圧測定付きバッテリ・ガスゲージ
回路モニタ 1
LTC2960 新規設計に推奨 36Vナノ電流2入力電圧モニタ
保護スイッチ & コントローラ 3
LTC4362 新規設計に推奨 1.2A過電圧/過電流保護デバイス
LTC2955 新規設計に推奨 自動電源投入機能を備えたプッシュボタン・オン/オフコントローラ
LTC4417 新規設計に推奨 優先順位付け PowerPath コントローラ
Modal heading
myAnalogに追加

myAnalogの製品セクション(通知受け取り)、既存/新規プロジェクトに製品を追加する。

新規プロジェクトを作成

ツールおよびシミュレーション

LTspice


下記製品はLTspiceで使用することが出来ます。:

  • LTC3101
LTspice

LTspice®は、無料で提供される強力で高速な回路シミュレータと回路図入力、波形ビューワに改善を加え、アナログ回路のシミュレーションを容易にするためのモデルを搭載しています。

 


評価用キット

eval board
DC1443A

LTC3101EUF Demo Board | 2-Cell, Multi-Output DC/DC Converter and PowerPath Manager

製品詳細

DC1443A: Demo Board for the LTC3101 Wide VIN, Multi-Output DC/DC Converter and PowerPath Controller.

DC1443A
LTC3101EUF Demo Board | 2-Cell, Multi-Output DC/DC Converter and PowerPath Manager
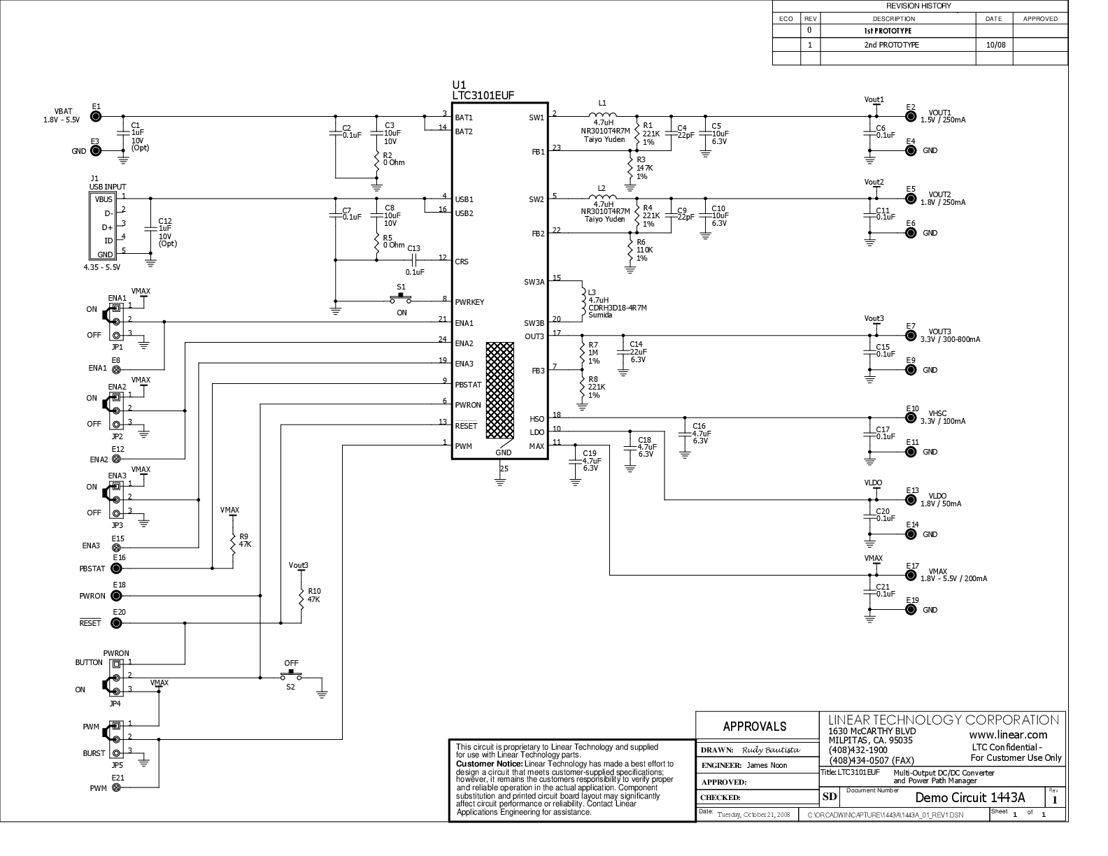
DC1443A - Schematic

最新のディスカッション

LTC3101に関するディスカッションはまだありません。意見を投稿しますか?

EngineerZone®でディスカッションを始める

最近表示した製品