製品概要
製品概要
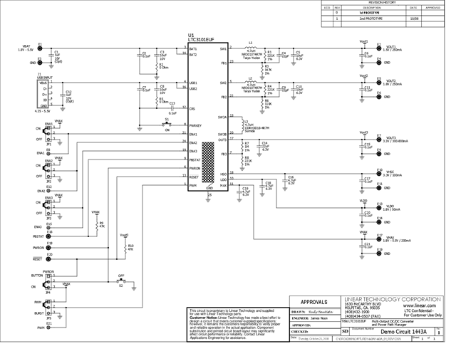
DC1443A: Demo Board for the LTC3101 Wide VIN, Multi-Output DC/DC Converter and PowerPath Controller.
対象となる製品
関連資料
-
DC1443A - Schematic2009/09/24PDF85K
-
DC1443A - Demo Manual2009/09/24PDF455K
-
DC1443A - Design File2009/09/24ZIP2M
