LTC2433-1

製造中

差動入力16ビットNo Latency

利用上の注意

本データシートの英語以外の言語への翻訳はユーザの便宜のために提供されるものであり、リビジョンが古い場合があります。最新の内容については、必ず最新の英語版をご参照ください。

なお、日本語版のデータシートは基本的に「Rev.0」(リビジョン0)で作成されています。そのため、英語版が後に改訂され、複数製品のデータシートがひとつに統一された場合、同じ「Rev.0」の日本語版のデータシートが異なる製品のデータシートとして表示されることがあります。たとえば、「ADM3307E」の場合、日本語データシートをクリックすると「ADM3311E」が表示されます。これは、英語版のデータシートが複数の製品で共有できるように1本化され、「ADM3307E/ADM3310E/ADM3311E/ADM3312E/ADM3315E」(Rev.J)と改訂されたからで、決して誤ってリンクが張られているわけではありません。和文化されたデータシートを少しでも有効に活用していただくためにこのような方法をとっておりますので、ご了解ください。

アナログ・デバイセズ社は、提供する情報が正確で信頼できるものであることを期していますが、その情報の利用に関して、あるいはその利用によって生じる第三者の特許やその他の権利の侵害に関して一切の責任を負いません。また、アナログ・デバイセズ社の特許または特許の権利の使用を明示的または暗示的に許諾するものでもありません。仕様は予告なしに変更する場合があります。本紙記載の商標および登録商標は、各社の所有に属します。

Viewing:

製品情報

  •  小型MSOPパッケージの16ビット差動ADC
  •  低消費電流: 200μA、オートスリープ・モードで4μA
  •  レール・トゥ・レール差動入力/リファレンス
  •  INL 0.12LSB、ミッシング・コードなし
  •  0.16LSBのフルスケール誤差と5μVのオフセット
  •  RMSノイズ:VREFと関係なく1.45μV
  •  非常に低い遷移ノイズ: < 0.02LSB
  •  100mVという低いリファレンスを使用して16ビットの分解能で動作
  •  内部発振器―外付け部品が不要
  •  最小87dB、50Hz/60Hz同時除去ノッチ・フィルタ
  •  2.7V~5.5Vの単一電源動作
  •  20/24ビットのLTC2431/LTC2411とピン互換
  •  10ピンMSOPパッケージ

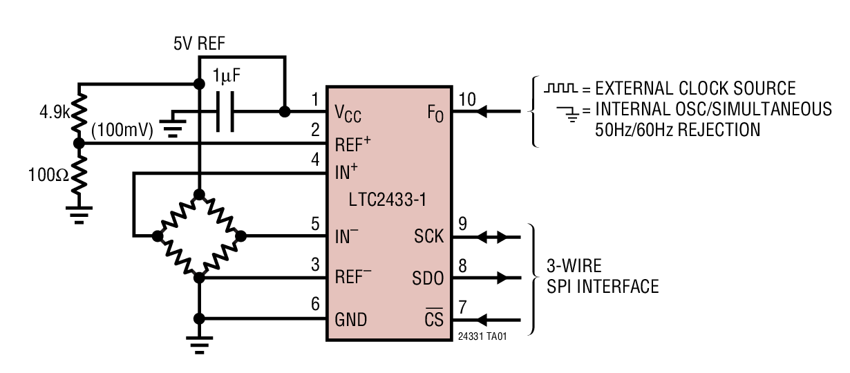
LTC2433-1は、発振器を内蔵した差動入力マイクロパワー16ビットNo Latency デルタ-シグマアナログ-デジタル・コンバータです。このデバイスのINLは0.12LSB、RMSノイズはVREFと関係なく1.45μVです。デルタシグマ技術を採用し、デジタル・フィルタが1変換サイクルで安定します。LTC2433-1は1本のピンを介して、50Hzおよび60Hz±2%で87dB以上の入力差動モード除去比を達成するように構成できます。また、外部発振器によって、ユーザが定義した除去周波数にドライブすることも可能です。内部発振器には、周波数設定用の部品を外付けする必要はありません。

このコンバータは0.1V~VCCのあらゆる外部差動リファレンス電圧を使用できるので、柔軟なレシオメトリックおよびリモート・センス測定構成が可能です。フルスケール差動入力範囲は、-0.5・VREF~0.5・VREFです。リファレンス同相電圧VREFCMと入力同相電圧VINCMは、GND~VCCの範囲で個別に設定可能です。DC同相入力除去比は140dB以上です。

LTC2433-1はSPIおよびMICROWIREプロトコルに適合する柔軟な3線デジタル・インターフェイスを介して通信を行います。


アプリケーション

  • ダイレクト・センサ・デジタイザ
  • 直接温度測定
  • ガス分析器
  • ストレイン・ゲージ・トランスジューサ
  • 計測
  • データ収集
  • 産業用プロセス制御

LTC2433-1
差動入力16ビットNo Latency
Minimum Resolvable Signal vs VREF Product Package 1
myAnalogに追加

myAnalogの製品セクション(通知受け取り)、既存/新規プロジェクトに製品を追加する。

新規プロジェクトを作成
質問する
サポート

アナログ・デバイセズのサポート・ページはアナログ・デバイセズへのあらゆるご質問にお答えするワンストップ・ポータルです。


ドキュメント

データシート

これは最新改訂バージョンのデータシートです。

さらに詳しく
myAnalogに追加

myAnalogのリソース・セクション、既存/新規プロジェクトにメディアを追加する。

新規プロジェクトを作成

ソフトウェア・リソース

必要なソフトウェア/ドライバが見つかりませんか?

ドライバ/ソフトウェアをリクエスト

ハードウェア・エコシステム

製品モデル 製品ライフサイクル 詳細
インターフェース・トランシーバ 1
LTM2883 製造中 ±12.5Vおよび5Vの可変安定化電源を備えたSPI/デジタルまたはI2C対応のμModuleアイソレータ
マッチング抵抗およびトランジスタ 1
LT5400 新規設計に推奨 整合したクワッド抵抗ネットワーク
発振器 1
LTC6991 製造中 TimerBlox:リセット可能な低周波数発振器
Modal heading
myAnalogに追加

myAnalogの製品セクション(通知受け取り)、既存/新規プロジェクトに製品を追加する。

新規プロジェクトを作成

評価用キット

eval board
DC745A

LTC2433-1CMS | 16-Bit Differential ADC in MS10 Package (Requires DC590)

製品詳細

DC745A: Demo Board for the LTC2433-1 Differential Input 16-Bit No Latency Delta Sigma ADC.


 


DC745A
LTC2433-1CMS | 16-Bit Differential ADC in MS10 Package (Requires DC590)
DC745A - Schematic

最新のディスカッション

LTC2433-1に関するディスカッションはまだありません。意見を投稿しますか?

EngineerZone®でディスカッションを始める

最近表示した製品