LTC2374-16

製造中

SNRが96dBの16ビット、1.6Msps、8チャネルSAR A/Dコンバータ

利用上の注意

本データシートの英語以外の言語への翻訳はユーザの便宜のために提供されるものであり、リビジョンが古い場合があります。最新の内容については、必ず最新の英語版をご参照ください。

なお、日本語版のデータシートは基本的に「Rev.0」(リビジョン0)で作成されています。そのため、英語版が後に改訂され、複数製品のデータシートがひとつに統一された場合、同じ「Rev.0」の日本語版のデータシートが異なる製品のデータシートとして表示されることがあります。たとえば、「ADM3307E」の場合、日本語データシートをクリックすると「ADM3311E」が表示されます。これは、英語版のデータシートが複数の製品で共有できるように1本化され、「ADM3307E/ADM3310E/ADM3311E/ADM3312E/ADM3315E」(Rev.J)と改訂されたからで、決して誤ってリンクが張られているわけではありません。和文化されたデータシートを少しでも有効に活用していただくためにこのような方法をとっておりますので、ご了解ください。

アナログ・デバイセズ社は、提供する情報が正確で信頼できるものであることを期していますが、その情報の利用に関して、あるいはその利用によって生じる第三者の特許やその他の権利の侵害に関して一切の責任を負いません。また、アナログ・デバイセズ社の特許または特許の権利の使用を明示的または暗示的に許諾するものでもありません。仕様は予告なしに変更する場合があります。本紙記載の商標および登録商標は、各社の所有に属します。

Viewing:

製品情報

  • スループット・レート:1.6Msps
  • 16ビット分解能で欠落コードなし
  • 入力範囲を選択可能な8チャネル・マルチプレクサ
    • 完全差動(±4.096V)
    •  単極性の疑似差動(0V~4.096V)
    •  両極性の疑似差動(±2.048V) 
  • INL:±1LSB(最大)
  • SNR:96dB(完全差動)/93dB(疑似差動)(標準、fIN = 1kHz)
  • THD:–114dB(標準、fIN = 1kHz)
  • プログラム可能なシーケンサ
  • デジタル利得の圧縮率を選択可能
  • 5V単電源でI/Oの電圧範囲は1.8V ~5V
  • SPI互換のシリアルI/O
  • 2.048Vのリファレンスおよびリファレンス・バッファを内蔵
  • パイプライン遅延なし、サイクル待ち時間なし
  • 電力損失:55mW(標準)
  • 5mm×5mmの32ピンQFNパッケージ

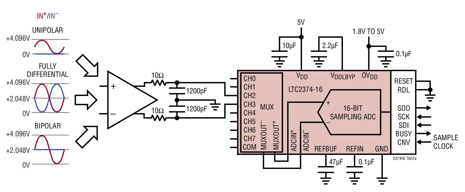
LTC2374-16は、低ノイズの高速8チャネル16ビット逐次比較レジスタ(SAR)A/Dコンバータです。LTC2374-16は5V単電源で動作し、柔軟に構成可能な低クロストーク、8チャネル入力マルチプレクサを内蔵しているので、完全差動、単極性の疑似差動、両極性の疑似差動の各アナログ入力範囲をサポートします。LTC2374-16は、全入力電圧範囲で±1LSBのINL(最大)、16ビットで欠落コードなし、および96dB(完全差動)/93dB(疑似差動)のSNR(標準)を実現します。

LTC2374-16は、低ドリフト(最大20ppm/℃)の2.048V温度補償リファレンスと、シングルショット動作が可能なリファレンス・バッファを内蔵しています。LTC2374-16は、深さが16のシーケンサを介してプログラム可能な1.8V、2.5V、3.3Vおよび5VのロジックをサポートするSPI互換の高速シリアル・インタフェースも内蔵しています。内部発振器が変換時間を設定するので、外部のタイミングに対する配慮は少なくて済みます。

LTC2374-16の電力損失はわずか55mWであり、変換と変換の間は自動的にナップ(低消費電力)モードになるので、サンプリング・レートに比例して電力損失が減少します。非活動期間中の消費電力をさらに節減するため、LTC2374-16の消費電力を300μWまで低減するスリープ・モードも備えています。


アプリケーション

  • プログラム可能なロジック・コントローラ
  • 産業用プロセス制御
  • 高速データ収集
  • ポータブル機器または小型機器
  • ATE(自動試験装置)

LTC2374-16
SNRが96dBの16ビット、1.6Msps、8チャネルSAR A/Dコンバータ
  Integral Nonlinearity vs Output Code Product Package 1
myAnalogに追加

myAnalogの製品セクション(通知受け取り)、既存/新規プロジェクトに製品を追加する。

新規プロジェクトを作成
質問する
サポート

アナログ・デバイセズのサポート・ページはアナログ・デバイセズへのあらゆるご質問にお答えするワンストップ・ポータルです。


ドキュメント

データシート

これは最新改訂バージョンのデータシートです。

さらに詳しく
myAnalogに追加

myAnalogのリソース・セクション、既存/新規プロジェクトにメディアを追加する。

新規プロジェクトを作成

ソフトウェア・リソース

評価用ソフトウェア 1

LinearLabTools

リニアテクノロジーのデータ・コンバータ評価用ボードに直接アクセスできるMATLABとPythonのプログラムを集めたツールです。


ツールおよびシミュレーション

Linduino

Linduino はアナログ・デバイセズの Arduino 互換システムで、アナログ・デバイセズ製集積回路のファームウェア・ライブラリおよびサンプル・コードの開発と配布に使用します。Linduino対応の各製品には、LTSketchbook/Part Numberフォルダに定義されたサンプルのメイン・プログラムと、LTSketchbook/librariesフォルダに定義されたドライバ・コードが含まれています。

GitHub上のLinduinoコードのリポジトリとコード使用方法

LTSketchbookをダウンロード

Linduinoを購入


評価用キット

eval board
DC2071A-C

LTC2374-16 Demo Board | 16-Bit, 2Msps, 8-Channel SAR ADC with 96dB SNR (Requires DC590, DC2026 or DC890)

製品詳細

Demonstration circuit 2071A features the LTC2373 family. The LTC2374/LTC2373/LTC2372 are low noise, high speed, 8-channel, 16/18-bit successive approximation register (SAR) ADCs. The demo manual refers to the LTC2373-18 but applies to all parts in the family, the only differences being the number of bits and the maximum sample rate. Operating from a single 5V supply, the LTC2373-18 has a highly configurable, low crosstalk, 8-channel input multiplexer, supporting fully differential, pseudo-differential unipolar and pseudo-differential bipolar analog input ranges.

DC2071A-C
LTC2374-16 Demo Board | 16-Bit, 2Msps, 8-Channel SAR ADC with 96dB SNR (Requires DC590, DC2026 or DC890)
DC2071A - Schematic

最新のディスカッション

LTC2374-16に関するディスカッションはまだありません。意見を投稿しますか?

EngineerZone®でディスカッションを始める

最近表示した製品