製品概要
製品概要
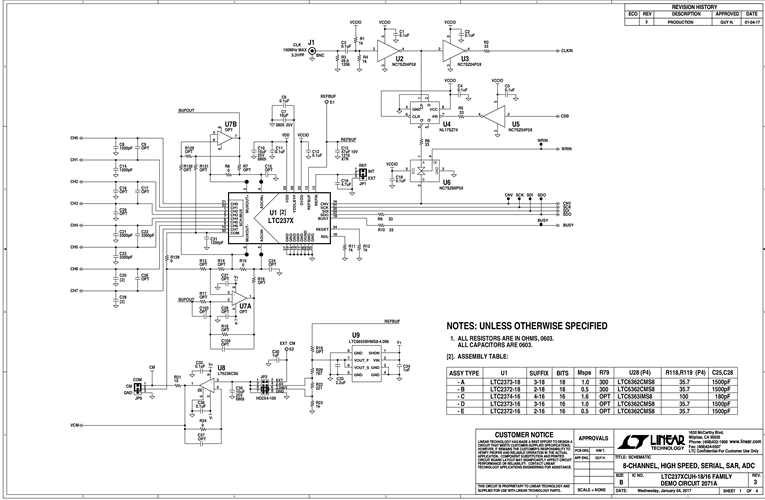
Demonstration circuit 2071A features the LTC2373 family. The LTC2374/LTC2373/LTC2372 are low noise, high speed, 8-channel, 16/18-bit successive approximation register (SAR) ADCs. The demo manual refers to the LTC2373-18 but applies to all parts in the family, the only differences being the number of bits and the maximum sample rate. Operating from a single 5V supply, the LTC2373-18 has a highly configurable, low crosstalk, 8-channel input multiplexer, supporting fully differential, pseudo-differential unipolar and pseudo-differential bipolar analog input ranges.
対象となる製品
関連資料
-
DC2071A - Schematic2017/01/16PDF119K
-
DC2071A - Demo Manual2017/01/16PDF1M
-
DC2071A - Design Files2017/01/16ZIP2M
