LTC2345-16

製造中

入力同相電圧範囲の広いオクタル、16ビット、200ksps差動SoftSpan A/Dコンバータ

利用上の注意

本データシートの英語以外の言語への翻訳はユーザの便宜のために提供されるものであり、リビジョンが古い場合があります。最新の内容については、必ず最新の英語版をご参照ください。

なお、日本語版のデータシートは基本的に「Rev.0」(リビジョン0)で作成されています。そのため、英語版が後に改訂され、複数製品のデータシートがひとつに統一された場合、同じ「Rev.0」の日本語版のデータシートが異なる製品のデータシートとして表示されることがあります。たとえば、「ADM3307E」の場合、日本語データシートをクリックすると「ADM3311E」が表示されます。これは、英語版のデータシートが複数の製品で共有できるように1本化され、「ADM3307E/ADM3310E/ADM3311E/ADM3312E/ADM3315E」(Rev.J)と改訂されたからで、決して誤ってリンクが張られているわけではありません。和文化されたデータシートを少しでも有効に活用していただくためにこのような方法をとっておりますので、ご了解ください。

アナログ・デバイセズ社は、提供する情報が正確で信頼できるものであることを期していますが、その情報の利用に関して、あるいはその利用によって生じる第三者の特許やその他の権利の侵害に関して一切の責任を負いません。また、アナログ・デバイセズ社の特許または特許の権利の使用を明示的または暗示的に許諾するものでもありません。仕様は予告なしに変更する場合があります。本紙記載の商標および登録商標は、各社の所有に属します。

Viewing:

製品情報

  •  各チャネルのスループット:200ksps
  •  8つの同時サンプリング・チャネル
  •  INL(最大):±1.25LSB
  •  欠落コードのない16ビットを保証
  •  同相電圧範囲の広い差動入力
  •  チャネルごとのSoftSpan 入力電圧レンジ:
    • ±4.096V、0V~4.096V、±2.048V、0V~2.048V
    • ±5V、0V~5V、±2.5V、0V~2.5V
  •  シングル・コンバージョンのSNR:91dB(標準)
  •  THD:–113dB(標準、fIN = 2kHz)
  •  CMRR:102dB(標準、fIN = 200Hz)
  •  レール・トゥ・レールの入力オーバードライブ耐性
  •  125°Cまでの動作を保証
  •  リファレンスとバッファを内蔵(4.096V)
  •  SPI CMOS(1.8V ~5V)とLVDSのシリアルI/O
  •  内部変換クロック、サイクル待ち時間なし
  •  電力損失:81mW(標準)
  •  48ピン(7mm×7mm)QFNパッケージ

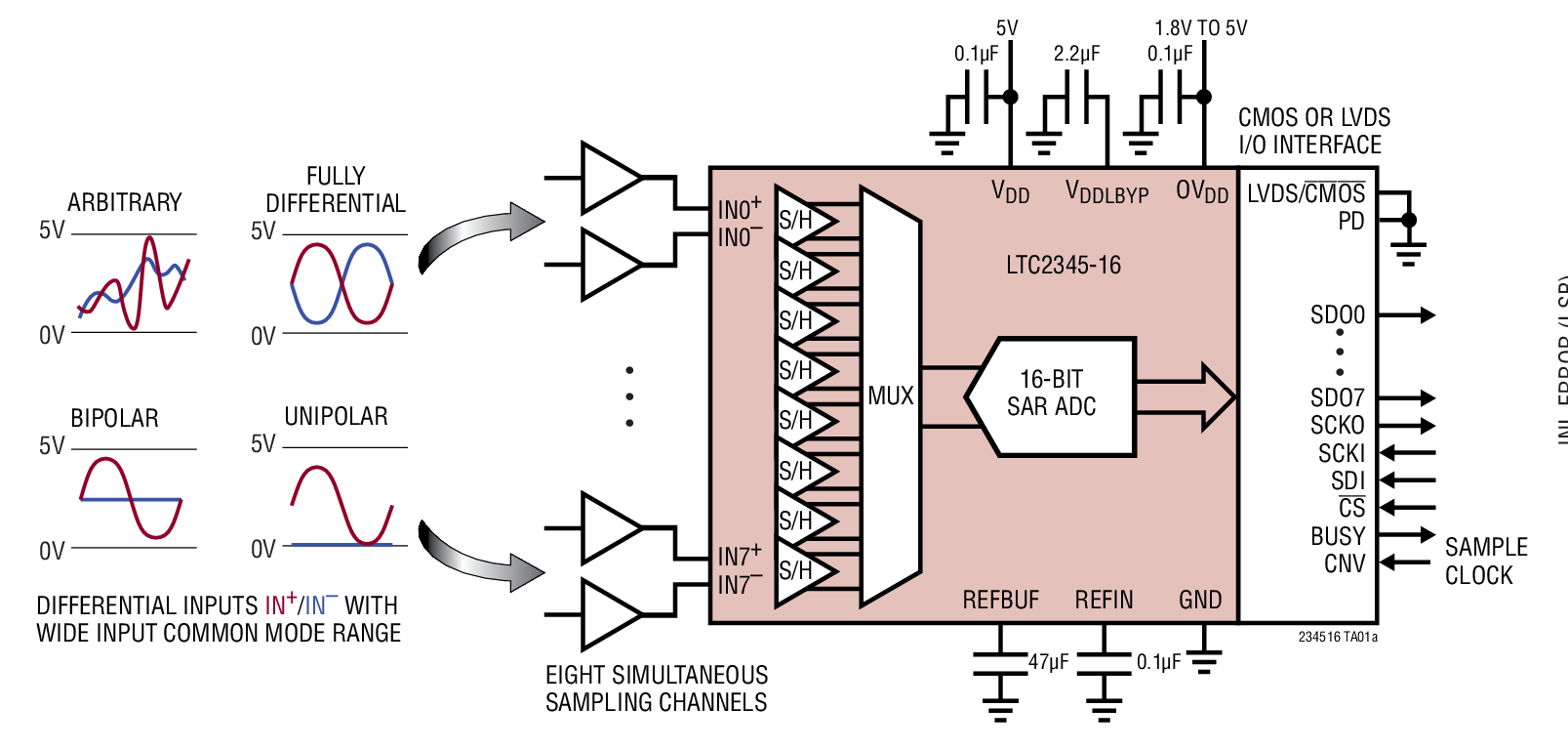
LTC2345-16は、差動入力で入力同相電圧範囲の広い、16ビット、低ノイズ、8チャネル、同時サンプリング逐次比較レジスタ(SAR)A/Dコンバータです。5V低電圧電源から動作でき、内蔵のリファレンスとバッファを使用できる、このSoftSpan A/Dコンバータの各チャネルは、 変換ごとに、±4.096V、0V~4.096V、±2.048V、または0V~2.048Vの信号を入力できるよう、個別に設定できます。また、チャネルを個別にディスエーブルして他のチャネルのスループットを上げることもできます。

LTC2345-16のアナログ入力は入力同相電圧範囲が広くCMRRが102dBであり、さまざまな信号をA/Dコンバータで直接デジタル化できるため、信号チェーンの設計を簡素化できます。このような入力信号の柔軟性と±1.25LSBのINL、欠落コードのない16ビットの分解能、91dBのSNRを有するLTC2345-16は、広いダイナミック・レンジが要求されるさまざまな用途に最適です。

LTC2345-16には、ピンで選択可能なSPI CMOS(1.8V~5V)とLVDSのシリアル・インタフェースが用意されています。CMOSモード時は使用する出力データ・レーン数を1 ~8 個の間で調整できるため、バス幅とデータ・スループットを最適化できます。


アプリケーション

  • プログラマブル・ロジック・コントローラ
  •  産業用プロセス制御
  •  医療用画像処理
  •  高速データ収集

LTC2345-16
入力同相電圧範囲の広いオクタル、16ビット、200ksps差動SoftSpan A/Dコンバータ
Integral Nonlinearity vs Output Code and Channel Product Package 1
myAnalogに追加

myAnalogの製品セクション(通知受け取り)、既存/新規プロジェクトに製品を追加する。

新規プロジェクトを作成
質問する
サポート

アナログ・デバイセズのサポート・ページはアナログ・デバイセズへのあらゆるご質問にお答えするワンストップ・ポータルです。


ドキュメント

データシート

これは最新改訂バージョンのデータシートです。

さらに詳しく
myAnalogに追加

myAnalogのリソース・セクション、既存/新規プロジェクトにメディアを追加する。

新規プロジェクトを作成

ソフトウェア・リソース

評価用ソフトウェア 2

DC2094A/DC2326A/DC2365A CPLD Source Code

LinearLabTools

リニアテクノロジーのデータ・コンバータ評価用ボードに直接アクセスできるMATLABとPythonのプログラムを集めたツールです。


ハードウェア・エコシステム

製品モデル 製品ライフサイクル 詳細
A/Dコンバータ(ADC) 1
LTC2348-16 製造中 入力同相範囲の広いオクタル16ビット、200ksps、±10.24V差動入力SoftSpan A/Dコンバータ
インターフェース・トランシーバ 1
LTM2893 製造中 100MHz絶縁型ADCシリアル・インタフェース
オペアンプ(OPアンプ) 1
LTC6252 最終販売 電力効率の高い、720MHz、3.5mA レール・トゥ・レール入力/出力オペアンプ
電圧リファレンス 1
LTC6655 製造中 ノイズが0.25ppmの低ドリフト高精度リファレンス
Modal heading
myAnalogに追加

myAnalogの製品セクション(通知受け取り)、既存/新規プロジェクトに製品を追加する。

新規プロジェクトを作成

評価用キット

eval board
DC2326A-B

LTC2345-16 Demo Board | Octal, 16-Bit, 200ksps Simultaneous Sampling SAR ADC (Requires DC590, DC2026 or DC890)

製品詳細

Demonstration circuit 2326A shows the proper way to drive the LTC2345 ADC. The LTC2345 is a low noise, high speed, simultaneous sampling 16-/18-bit successive approximation register (SAR) ADC. The LTC2345 has a flexible SoftSpan™ interface that allows conversion-by-conversion control of the input voltage span on a per-channel basis. An internal 2.048V reference and 2× buffer simplify basic operation while an external reference can be used to increase the input range and the SNR of the ADC.

DC2326A-B
LTC2345-16 Demo Board | Octal, 16-Bit, 200ksps Simultaneous Sampling SAR ADC (Requires DC590, DC2026 or DC890)
Figure 1. DC2326A Connection Diagram

最新のディスカッション

LTC2345-16に関するディスカッションはまだありません。意見を投稿しますか?

EngineerZone®でディスカッションを始める

最近表示した製品