LTC1922-1

製造中

同期式位相変調全波ブリッジ・コントローラ

利用上の注意

本データシートの英語以外の言語への翻訳はユーザの便宜のために提供されるものであり、リビジョンが古い場合があります。最新の内容については、必ず最新の英語版をご参照ください。

なお、日本語版のデータシートは基本的に「Rev.0」(リビジョン0)で作成されています。そのため、英語版が後に改訂され、複数製品のデータシートがひとつに統一された場合、同じ「Rev.0」の日本語版のデータシートが異なる製品のデータシートとして表示されることがあります。たとえば、「ADM3307E」の場合、日本語データシートをクリックすると「ADM3311E」が表示されます。これは、英語版のデータシートが複数の製品で共有できるように1本化され、「ADM3307E/ADM3310E/ADM3311E/ADM3312E/ADM3315E」(Rev.J)と改訂されたからで、決して誤ってリンクが張られているわけではありません。和文化されたデータシートを少しでも有効に活用していただくためにこのような方法をとっておりますので、ご了解ください。

アナログ・デバイセズ社は、提供する情報が正確で信頼できるものであることを期していますが、その情報の利用に関して、あるいはその利用によって生じる第三者の特許やその他の権利の侵害に関して一切の責任を負いません。また、アナログ・デバイセズ社の特許または特許の権利の使用を明示的または暗示的に許諾するものでもありません。仕様は予告なしに変更する場合があります。本紙記載の商標および登録商標は、各社の所有に属します。

Viewing:

製品情報

  • 適応型DirectSenseゼロ電圧スイッチング 
  • 同期整流型制御を内蔵し高効率を達成 
  • 50Wからキロワットまでの出力電力レベル 
  • 非常に低い起動電流および消費電流 
  • 電圧モードおよび電流モード・トポロジーに対応 
  • プログラム可能なスロープ補償 
  • 4.2Vのヒステリシスを持つ低電圧ロックアウト回路および内蔵10.3Vシャント・レギュレータ 
  • 最大1MHzの固定周波数動作 
  • ブリッジ・ドライブおよび二次側同期整流器のための50mA出力 
  • ソフト・スタート、サイクル単位の電流制限、およびHiccupモード短絡保護 
  • 5V、15mA低損失レギュレータ 
  • 20ピンPDIPおよびSSOPパッケージ 

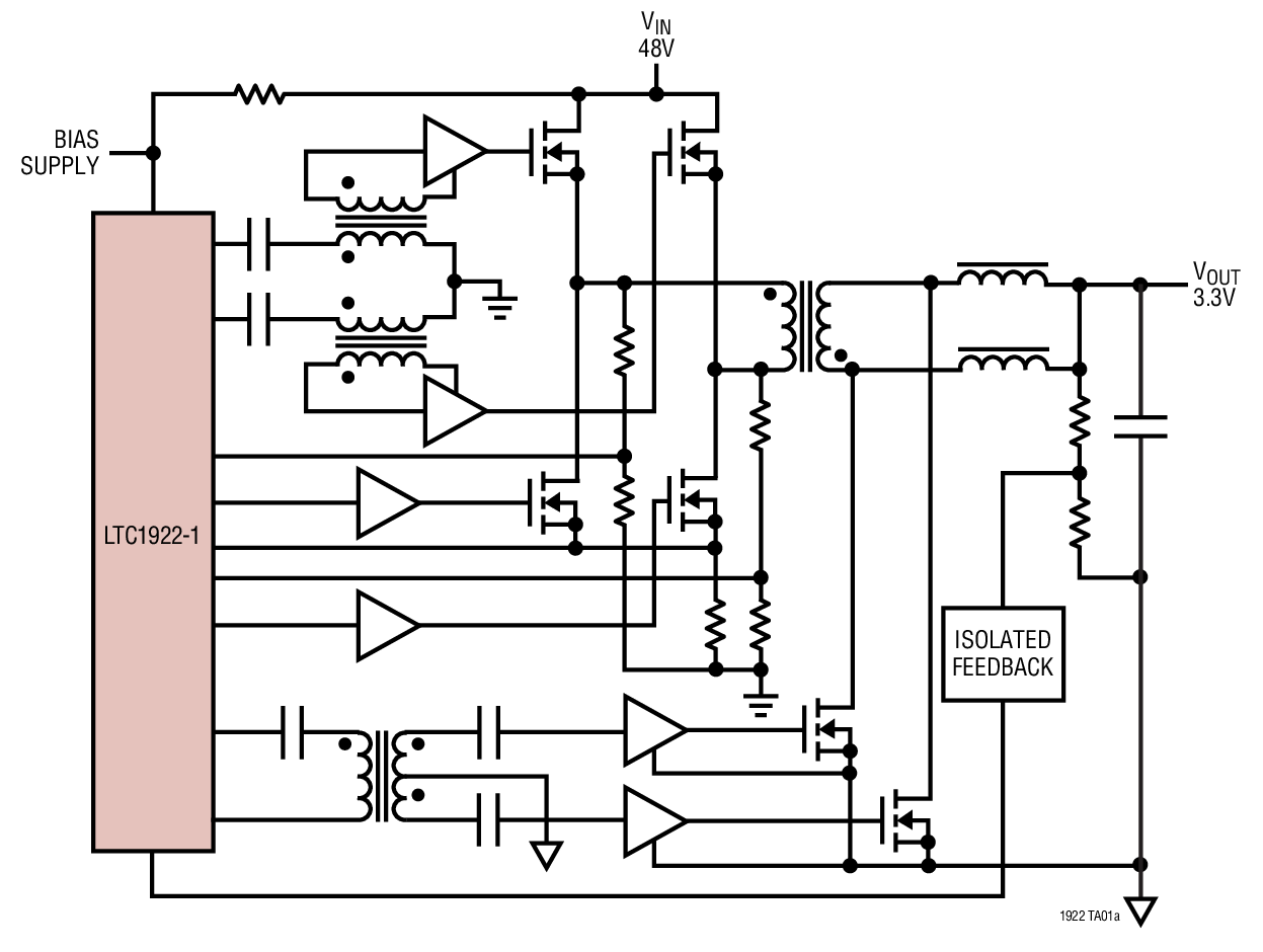
LTC1922-1位相シフトPWMコントローラは、同期整流式の高性能ゼロ電圧スイッチング位相シフト全波ブリッジ電力コンバータを構築するのに必要な、すべての制御機能および保護機能を提供します。このデバイスは、高電圧入力源から絶縁された低電圧、高電流出力を生成するのに最適です。 LTC1922-1は、全波ブリッジ・トポロジーの利点と固定周波数、ゼロ電圧スイッチング動作(ZVS)を組み合わせたデバイスです。適応型ZVS回路は、最高の性能を実現するために、内部および外部部品の許容差に関係なく、各MOSFETごとにターンオン信号を制御します。

LTC1922-1は二次側同期整流器制御も提供します。このデバイスは、プログラム可能 なスロープ補償および立上りエッジ・ブランキング機能付きピーク電流モード制御を使用します。 LTC1922-1はきわめて低い動作電流および起動電流を特長としており、オフライン起動およびバイアス回路が簡素化されます。

LTC1922-1は多様な保護機能も備えており、20ピン・スルーホール(N)および表面実装(G)パッケージで供給されます。


アプリケーション

  • テレコム、インフラストラクチャの電源システム 
  • 分配電源アーキテクチャ 
  • サーバへの電力供給 
  • 高密度パワー・モジュール 

LTC1922-1
同期式位相変調全波ブリッジ・コントローラ
Efficiency Product Package 1
myAnalogに追加

myAnalogの製品セクション(通知受け取り)、既存/新規プロジェクトに製品を追加する。

新規プロジェクトを作成
質問する
サポート

アナログ・デバイセズのサポート・ページはアナログ・デバイセズへのあらゆるご質問にお答えするワンストップ・ポータルです。


ドキュメント

データシート

これは最新改訂バージョンのデータシートです。

さらに詳しく
myAnalogに追加

myAnalogのリソース・セクション、既存/新規プロジェクトにメディアを追加する。

新規プロジェクトを作成

ソフトウェア・リソース

必要なソフトウェア/ドライバが見つかりませんか?

ドライバ/ソフトウェアをリクエスト

ハードウェア・エコシステム

製品モデル 製品ライフサイクル 詳細
LTC3722 製造中 同期整流式デュアル・モード 位相変調 フルブリッジ・コントローラ
Modal heading
myAnalogに追加

myAnalogの製品セクション(通知受け取り)、既存/新規プロジェクトに製品を追加する。

新規プロジェクトを作成

ツールおよびシミュレーション

LTspice


下記製品はLTspiceで使用することが出来ます。:

  • LTC1922-1
LTspice

LTspice®は、無料で提供される強力で高速な回路シミュレータと回路図入力、波形ビューワに改善を加え、アナログ回路のシミュレーションを容易にするためのモデルを搭載しています。

 

最新のディスカッション

LTC1922-1に関するディスカッションはまだありません。意見を投稿しますか?

EngineerZone®でディスカッションを始める

最近表示した製品