LTC1422
製造中ホット・スワップ・コントローラ
- 製品モデル
- 6
- 1Ku当たりの価格
- 最低価格:$4.07
Viewing:
製品情報
- 電源の入ったバックプレーンに対しボードを安全に挿抜可能
- プログラム可能な遅延を備えたシステム・リセット出力
- プログラム可能な電子回路ブレーカ
- ユーザがプログラム可能な電源電圧上昇速度
- 外付けNチャネルFET用のハイサイド・ドライバ
- 電源電圧を2.7V~12Vの範囲で制御
- 低電圧ロックアウト
- ソフト・リセット入力
- RESET用グリッチ・フィルタ
- 8ピン細型PDIPおよびSOパッケージ
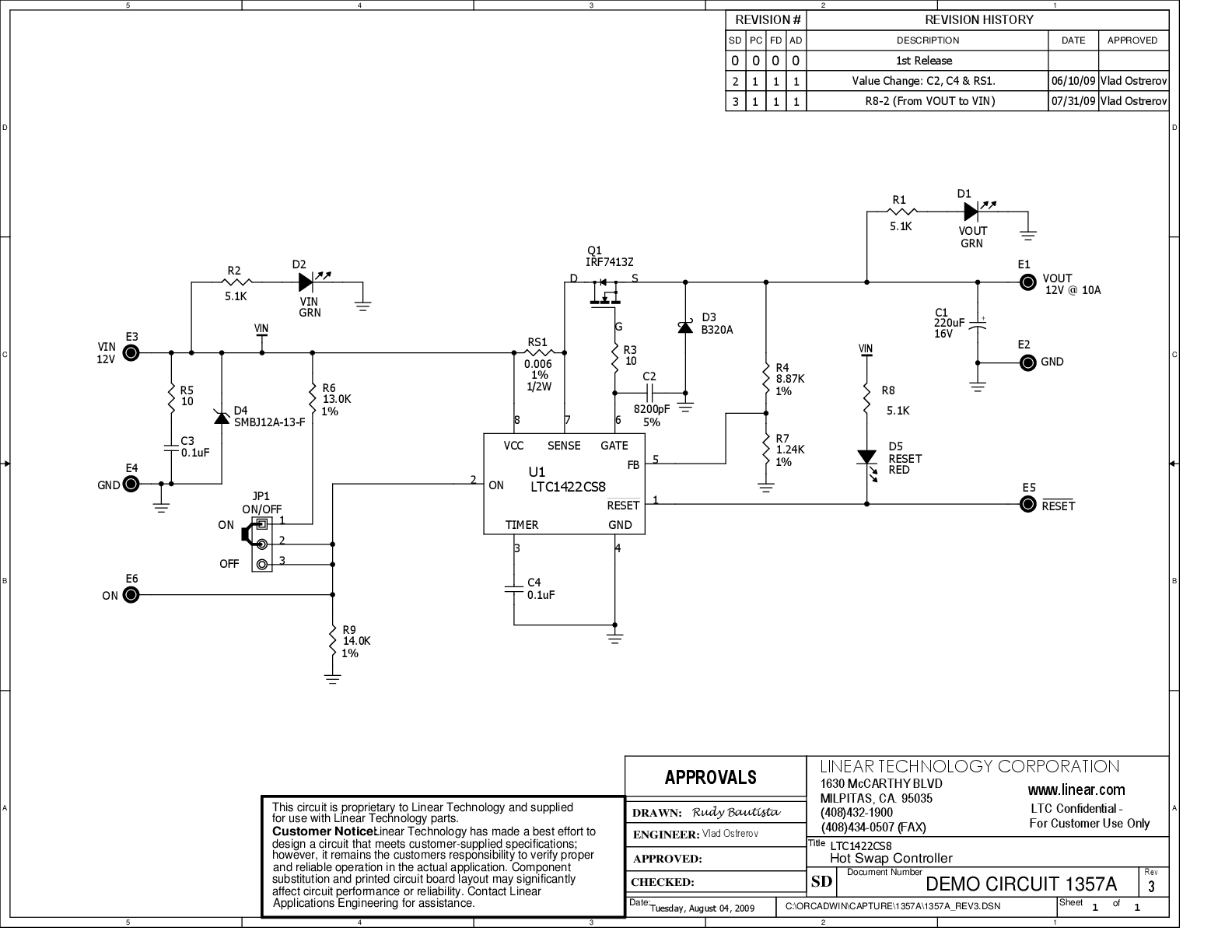
LTC1422は電源の入ったバックプレーンに対し、ボードを安全に挿入および引き抜き可能にする8ピンのホットスワップコントローラです。外付けNチャネル・パス・トランジスタを使用し、ボードの電源電圧をプログラム可能な速度でゆっくりと上昇させることができます。ハイサイド・スイッチ・ドライバがNチャネル・ゲートを制御し、2.7V~12Vの電源電圧を供給します。
プログラム可能な電子回路ブレーカによって短絡から保護されます。RESET出力を使用することにより、電源電圧がプログラム可能な電圧を下回った際にシステム・リセットを生成することができます。また、ONピンを使用して、ボードの電源をオン/オフしたり、ソフト・リセットを生成することができます。
LTC1422は8ピンPDIPおよびSOパッケージで供給されます
アプリケーション
- ボードの活線挿入
- 電子回路ブレーカ
ドキュメント
データシート 2
ユーザ・ガイド 1
デザイン・ノート 4
技術記事 1
製品セレクタ・カード 1
| 製品モデル | ピン/パッケージ図 | 資料 | CADシンボル、フットプリント、および3Dモデル |
|---|---|---|---|
| LTC1422CN8#PBF | 8-Lead PDIP (Narrow 0.3 Inch) | ||
| LTC1422CS8#PBF | 8-Lead SOIC (Narrow 0.15 Inch) | ||
| LTC1422CS8#TRPBF | 8-Lead SOIC (Narrow 0.15 Inch) | ||
| LTC1422IN8#PBF | 8-Lead PDIP (Narrow 0.3 Inch) | ||
| LTC1422IS8#PBF | 8-Lead SOIC (Narrow 0.15 Inch) | ||
| LTC1422IS8#TRPBF | 8-Lead SOIC (Narrow 0.15 Inch) |
| 製品モデル | 製品ライフサイクル | PCN |
|---|---|---|
|
10 8, 2024 - 24_0234 Migrating Bottom Trace Code Marking to Top Side Laser Marking for PDIP Package |
||
| LTC1422CN8#PBF | 製造中 | |
| LTC1422IN8#PBF | 製造中 | |
|
10 11, 2022 - 22_0241 Epoxy Change from Henkel 8290 to 8290A for PDIP Package |
||
| LTC1422CN8#PBF | 製造中 | |
| LTC1422IN8#PBF | 製造中 | |
|
8 6, 2022 - 22_0172 Laser Top Mark Conversion for PDIP Packages Assembled in ADPG [PNG] |
||
| LTC1422CN8#PBF | 製造中 | |
| LTC1422IN8#PBF | 製造中 | |
|
11 14, 2022 - 22_0254 Epoxy Change from Henkel 8290 to 8290A for 8-Lead SOIC Package (PCN part 1 of 2) |
||
| LTC1422CS8#PBF | 製造中 | |
| LTC1422CS8#TRPBF | 製造中 | |
|
6 16, 2021 - 21_0026 Laser Top Mark for 8SOICN Assembled in ADPG, UTL and CRM |
||
| LTC1422CS8#PBF | 製造中 | |
| LTC1422CS8#TRPBF | 製造中 | |
| LTC1422IS8#PBF | 製造中 | |
| LTC1422IS8#TRPBF | 製造中 | |
|
12 14, 2023 - 22_0255 Epoxy Change from Henkel 8290 to 8290A for 8-Lead SOIC Package (PCN part 2 of 2) |
||
| LTC1422IS8#PBF | 製造中 | |
| LTC1422IS8#TRPBF | 製造中 | |
これは最新改訂バージョンのデータシートです。
ソフトウェア・リソース
必要なソフトウェア/ドライバが見つかりませんか?
ドライバ/ソフトウェアをリクエストハードウェア・エコシステム
| 製品モデル | 製品ライフサイクル | 詳細 |
|---|---|---|
| 保護スイッチ & コントローラ 1 | ||
| LTC4218 | 新規設計に推奨 | Hot Swapコントローラ |
評価用キット
最新のディスカッション
LTC1422に関するディスカッションはまだありません。意見を投稿しますか?
EngineerZone®でディスカッションを始める