関連資料
-
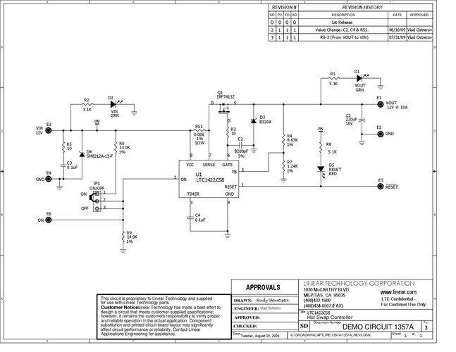
DC1357A - Schematic2009/10/22PDF75K
-
DC1357A - Demo Manual2009/10/22PDF417K
-
DC1357A - Design Files2009/10/22ZIP1M
