LTC1346A

製造中

10Mbps DCE/DTE V.35トランシーバ

利用上の注意

本データシートの英語以外の言語への翻訳はユーザの便宜のために提供されるものであり、リビジョンが古い場合があります。最新の内容については、必ず最新の英語版をご参照ください。

なお、日本語版のデータシートは基本的に「Rev.0」(リビジョン0)で作成されています。そのため、英語版が後に改訂され、複数製品のデータシートがひとつに統一された場合、同じ「Rev.0」の日本語版のデータシートが異なる製品のデータシートとして表示されることがあります。たとえば、「ADM3307E」の場合、日本語データシートをクリックすると「ADM3311E」が表示されます。これは、英語版のデータシートが複数の製品で共有できるように1本化され、「ADM3307E/ADM3310E/ADM3311E/ADM3312E/ADM3315E」(Rev.J)と改訂されたからで、決して誤ってリンクが張られているわけではありません。和文化されたデータシートを少しでも有効に活用していただくためにこのような方法をとっておりますので、ご了解ください。

アナログ・デバイセズ社は、提供する情報が正確で信頼できるものであることを期していますが、その情報の利用に関して、あるいはその利用によって生じる第三者の特許やその他の権利の侵害に関して一切の責任を負いません。また、アナログ・デバイセズ社の特許または特許の権利の使用を明示的または暗示的に許諾するものでもありません。仕様は予告なしに変更する場合があります。本紙記載の商標および登録商標は、各社の所有に属します。

Viewing:

製品情報

  • シングルチップでV.35ポートへの完全な差動信号インタフェースを提供
  • ±10kVの反復ESDパルスに耐えるドライバとレシーバ
  • ±5V電源動作
  • 通信速度:10Mボー
  • CCITT V.35仕様に適合
  • シャットダウン・モードでICCを1μA以下に低減
  • トランスミッタおよびレシーバ構成を選択可能
  • 独立したドライバ・イネーブルとレシーバ・イネーブル
  • ディスエーブル、シャットダウン、電源オフ時に高インピーダンス状態を維持するトランスミッタ
  • トランスミッタを短絡から保護

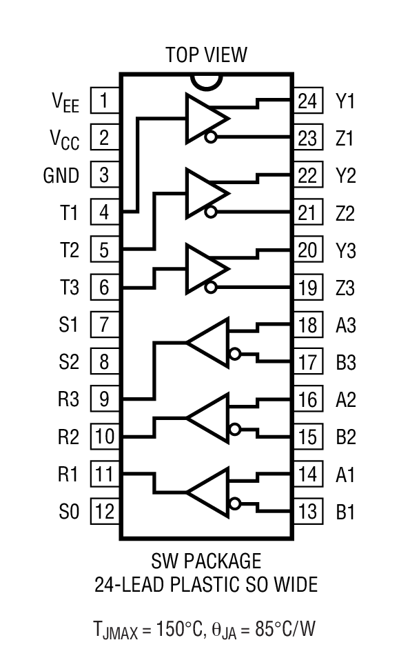
LTC1346Aは、±5V電源でV.35インタフェース用の差動クロックおよびデータ信号を供給するシングルチップ・トランシーバです。外部抵抗終端ネットワークおよび制御信号用のRS232トランシーバLT1334Aと組み合わせることにより、完全な低消費電力DTEまたはDCE V.35インタフェース・ポートを構成できます。

LTC1346Aは、3つの電流出力差動トランスミッタと3つの差動レシーバを備えています。3本のセレクト・ピンを使用して、LTC1346AをDTEまたはDCE動作用に設定したり、シャットダウンすることができます。シャットダウン・モードでは、消費電流が1μA以下に低減されます。

LTC1346Aトランシーバは最大10Mボーで動作します。すべてのトランスミッタが短絡保護回路を備えています。トランスミッタ出力とレシーバ出力はどちらも強制的に高インピーダンス状態にすることができます。またトランスミッタ出力とレシーバ入力は±10kVのESDに対して保護されています。


アプリケーション

  • モデム
  • テレコム
  • データ・ルータ

LTC1346A
10Mbps DCE/DTE V.35トランシーバ
Clock and Data Signals for V.35 Interface Product Package 1
myAnalogに追加

myAnalogの製品セクション(通知受け取り)、既存/新規プロジェクトに製品を追加する。

新規プロジェクトを作成
質問する
サポート

アナログ・デバイセズのサポート・ページはアナログ・デバイセズへのあらゆるご質問にお答えするワンストップ・ポータルです。


ドキュメント

データシート

これは最新改訂バージョンのデータシートです。

さらに詳しく
myAnalogに追加

myAnalogのリソース・セクション、既存/新規プロジェクトにメディアを追加する。

新規プロジェクトを作成

最新のディスカッション

最近表示した製品