LT8647

新規設計に推奨

静止電流2.5µAの65V、7A/8Aピーク同期整流式降圧Silent Switcher

利用上の注意

本データシートの英語以外の言語への翻訳はユーザの便宜のために提供されるものであり、リビジョンが古い場合があります。最新の内容については、必ず最新の英語版をご参照ください。

なお、日本語版のデータシートは基本的に「Rev.0」(リビジョン0)で作成されています。そのため、英語版が後に改訂され、複数製品のデータシートがひとつに統一された場合、同じ「Rev.0」の日本語版のデータシートが異なる製品のデータシートとして表示されることがあります。たとえば、「ADM3307E」の場合、日本語データシートをクリックすると「ADM3311E」が表示されます。これは、英語版のデータシートが複数の製品で共有できるように1本化され、「ADM3307E/ADM3310E/ADM3311E/ADM3312E/ADM3315E」(Rev.J)と改訂されたからで、決して誤ってリンクが張られているわけではありません。和文化されたデータシートを少しでも有効に活用していただくためにこのような方法をとっておりますので、ご了解ください。

アナログ・デバイセズ社は、提供する情報が正確で信頼できるものであることを期していますが、その情報の利用に関して、あるいはその利用によって生じる第三者の特許やその他の権利の侵害に関して一切の責任を負いません。また、アナログ・デバイセズ社の特許または特許の権利の使用を明示的または暗示的に許諾するものでもありません。仕様は予告なしに変更する場合があります。本紙記載の商標および登録商標は、各社の所有に属します。

Viewing:

製品情報

  • Silent Switcher®(サイレント・スイッチャ)アーキテクチャ
    • 超低EMI放射
    • オプションのスペクトラム拡散変調
  • 高周波数において高効率 
    • 1MHzで最大95%の効率(12VIN、5VOUT
    • 2MHzで最大94%の効率(12VIN、5VOUT
  • 広い入力電圧範囲:3.4V~65V
  • 最大連続出力7A、ピーク・トランジェント出力8A
  • 超低静止電流のBurst Mode®動作
    • 2.5μAのIQで12VINから3.3VOUTへ安定化
    • 出力リップル:< 10mVP-P
  • 高速最小スイッチ・オン時間:40ns
  • すべての条件下で低ドロップアウト:60mV(1A時)
  • 調整と同期が可能:200kHz~2.2MHz
  • ピーク電流モードの動作
  • 出力ソフトスタートおよび出力トラッキング
  • 小型の27端子、6mm × 3mm、フリップチップ2クワッド・フラット・ノーリード(FC2QFN)パッケージ

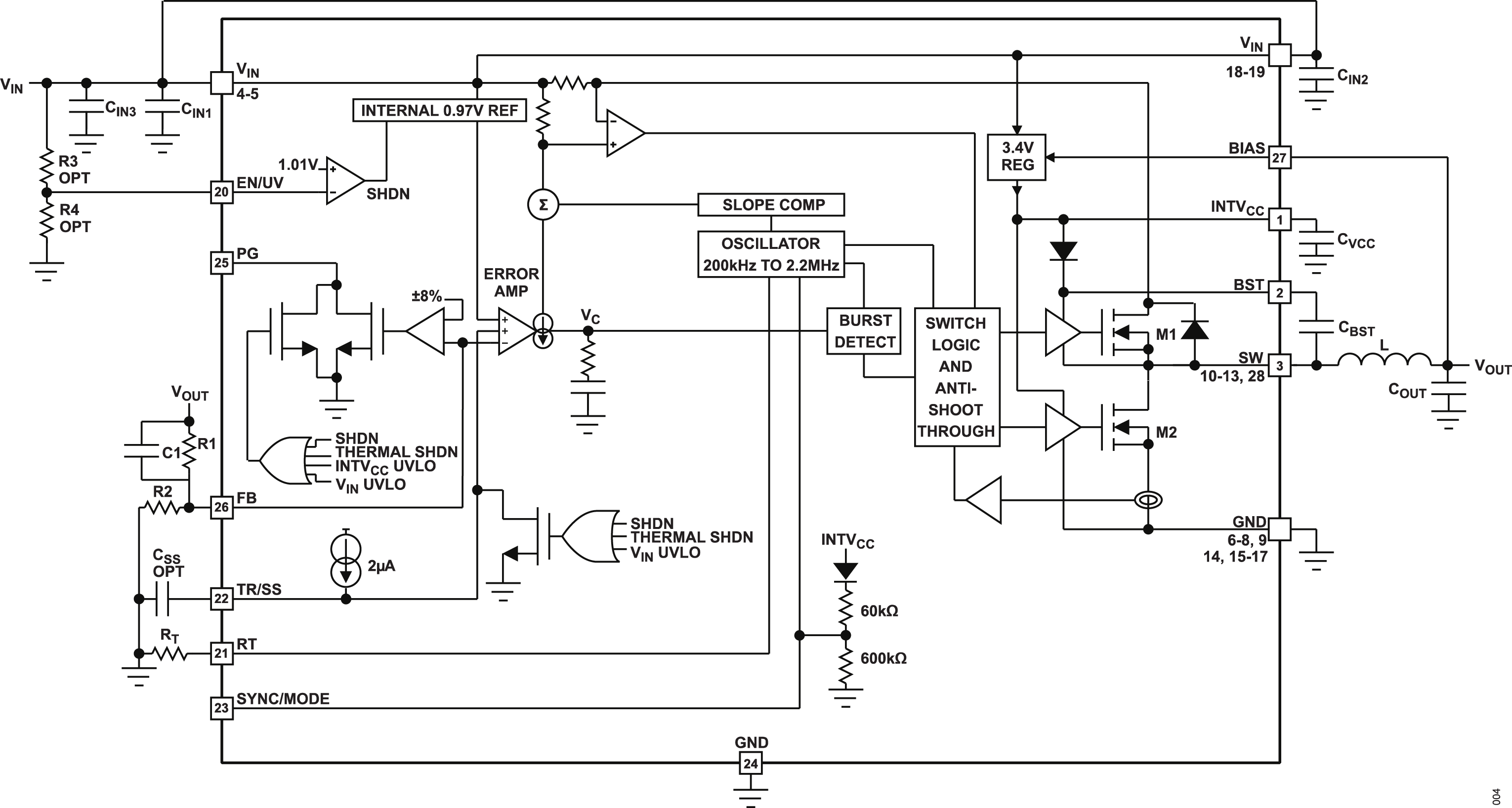
LT8647同期整流式降圧レギュレータは、Silent Switcher(サイレント・スイッチャ)アーキテクチャを採用しており、電磁干渉(EMI)放射を最小限に抑えながら高スイッチング周波数で高い効率を実現するように設計されています。この性能により、LT8647はノイズに敏感なアプリケーションおよび環境に最適なデバイスとなっています。

高速でクリーンな上にオーバーシュートの小さいスイッチング・エッジにより、高スイッチング周波数でも高効率の動作が可能で、全体的なソリューション・サイズを小さく抑えることができます。また、40nsという極めて低い最小オン時間のピーク電流モード制御により、高スイッチング周波数でも高い降圧比を実現します。

Burst Mode動作ではスタンバイ時の消費電流を極めて低く抑えることができ、パルススキッピング・モードでは低出力負荷時に最大スイッチング周波数で動作が可能です。また、スペクトラム拡散動作ではEMI放射を更に低減できます。

アプリケーション

  • 工業用電源
  • 汎用降圧

LT8647
静止電流2.5µAの65V、7A/8Aピーク同期整流式降圧Silent Switcher
LT8647 Typical Application LT8647 Efficiency LT8647 Block Diagram LT8647 Pin Configuration LT8647 Chip Illustration
myAnalogに追加

myAnalogの製品セクション(通知受け取り)、既存/新規プロジェクトに製品を追加する。

新規プロジェクトを作成
質問する
サポート

アナログ・デバイセズのサポート・ページはアナログ・デバイセズへのあらゆるご質問にお答えするワンストップ・ポータルです。


ドキュメント

さらに詳しく
myAnalogに追加

myAnalogのリソース・セクション、既存/新規プロジェクトにメディアを追加する。

新規プロジェクトを作成

ソフトウェア・リソース

必要なソフトウェア/ドライバが見つかりませんか?

ドライバ/ソフトウェアをリクエスト

ツールおよびシミュレーション

LTspice


下記製品はLTspiceで使用することが出来ます。:

  • LT8647

LTpowerCAD

次のデバイス用の設計ツールがLTpowerCADでご使用になれます。

  • LT8647
LTspice

LTspice®は、無料で提供される強力で高速な回路シミュレータと回路図入力、波形ビューワに改善を加え、アナログ回路のシミュレーションを容易にするためのモデルを搭載しています。

 


評価用キット

eval board
EVAL-LT8647-AZ

LT8647:静止電流2.5μAの65V、7A(8Aピーク)同期整流式降圧Silent Switcher

機能と利点

  • 動作入力電圧:5.6V~65V
    • CISPR 32クラスBの低EMI放射
  • 最大7A(最大連続)および8A(ピーク・トランジェント)の出力電流を供給
  • パルススキッピング・モード、Burst Mode、スペクトラム拡散、外部周波数同期用の設定可能なSYNCピン
  • オプションの過渡応答回路
  • 最適化されたPCBレイアウト

製品詳細

デモ回路EVAL-LT8647-AZは、LT8647を搭載した、スペクトラム拡散周波数変調付きの65V、7A、マイクロパワー同期整流式降圧Silent Switcher®(サイレント・スイッチャ)です。このデモ用ボードは、5.6V~65Vの入力で5Vの出力を供給するように設計されています。入力範囲が広いため、工業用電源などの様々な入力源で使用できます。LT8647は、超低放射、高効率、高速のコンパクトな同期整流式モノリシック降圧スイッチング・レギュレータです。電源スイッチが内蔵されており、必要な全回路が含まれているため、部品数が少なく、ソリューション・サイズが小型です。特殊なSilent Switcherアーキテクチャによって電磁干渉(EMI)と電磁環境適合性(EMC)放射が最小限に抑えられており、選択可能なスペクトラム拡散モードでEMI/EMC性能を更に改善することができます。Burst Mode®動作での2.5μAの超低静止電流により、超軽負荷で高効率を実現できます。最小オン時間が40nsと高速であるため、高いVIN から低いVOUTへの変換を高い周波数で実行できます。

LT8647のスイッチング周波数は、発振器抵抗または外部クロックにより、200kHz~2.2MHzの範囲でプログラムすることができます。デモ回路EVAL-LT8647-AZのデフォルト周波数は2MHzです。このデモ用ボードのSYNCピンは、デフォルトでは低リップルのBurst Mode動作用にグラウンド(JP1のBURST位置)に接続されています。JP1シャントを動かすことにより、スペクトラム拡散モードとパルススキッピング・モードから選択することができます。外部クロックと同期するには、JP1をSYNCに動かし、外部クロックをSYNC端子に入力します。

LT8647のデータシートには、部品、動作、および用途の詳細が記載されています。このデータシートは、デモ回路EVAL-LT8647-AZのデモ・マニュアルと併せて参照してください。LT8647は、熱抵抗を低くするための露出パッドが付いた3mm × 6mmフリップチップ2クワッド・フラット・ノーリード(FC2QFN)パッケージとして組み立てられています。低EMI動作と最大の熱性能を実現するためのレイアウトに関する推奨事項は、データシートの低EMIプリント回路基板(PCB)レイアウトに関するセクションと、熱に関する考慮事項のセクションに記載されています。

この回路基板の設計ファイルは、アナログ・デバイセズの設計支援サイト(製品評価用ボードおよびキット)から入手できます。

EVAL-LT8647-AZ
LT8647:静止電流2.5μAの65V、7A(8Aピーク)同期整流式降圧Silent Switcher
EVAL-LT8647-AZ Board Photo Angle View EVAL-LT8647-AZ Board Photo Top View EVAL-LT8647-AZ Board Photo Bottom View

最新のディスカッション

最近表示した製品