LT1938

製造中

25V、2.2A、2.8MHz降圧スイッチング・レギュレータ

利用上の注意

本データシートの英語以外の言語への翻訳はユーザの便宜のために提供されるものであり、リビジョンが古い場合があります。最新の内容については、必ず最新の英語版をご参照ください。

なお、日本語版のデータシートは基本的に「Rev.0」(リビジョン0)で作成されています。そのため、英語版が後に改訂され、複数製品のデータシートがひとつに統一された場合、同じ「Rev.0」の日本語版のデータシートが異なる製品のデータシートとして表示されることがあります。たとえば、「ADM3307E」の場合、日本語データシートをクリックすると「ADM3311E」が表示されます。これは、英語版のデータシートが複数の製品で共有できるように1本化され、「ADM3307E/ADM3310E/ADM3311E/ADM3312E/ADM3315E」(Rev.J)と改訂されたからで、決して誤ってリンクが張られているわけではありません。和文化されたデータシートを少しでも有効に活用していただくためにこのような方法をとっておりますので、ご了解ください。

アナログ・デバイセズ社は、提供する情報が正確で信頼できるものであることを期していますが、その情報の利用に関して、あるいはその利用によって生じる第三者の特許やその他の権利の侵害に関して一切の責任を負いません。また、アナログ・デバイセズ社の特許または特許の権利の使用を明示的または暗示的に許諾するものでもありません。仕様は予告なしに変更する場合があります。本紙記載の商標および登録商標は、各社の所有に属します。

Viewing:

製品情報

  • 広い入力電圧範囲:3.6V~25V
  • 出力電流:最大2.2A
  • 調整可能なスイッチング周波数:300kHz~2.8MHz
  • 低いシャットダウン電流:IQ < 1μA
  • 昇圧ダイオード内蔵
  • パワーグッド・フラグ
  • 飽和スイッチ設計:0.18Ωのオン抵抗
  • 帰還リファレンス電圧:1.265V
  • 出力電圧:1.265V~20V
  • ソフトスタート機能
  • 熱特性が改善された小型10ピン(3mm×3mm)DFNパッケージ

LT1938は、最大25Vまでの入力電圧を使用可能な可変周波数(300kHz~2.8MHz)モノリシック降圧スイッチング・レギュレータです。高効率の0.18Ωスイッチに加え、昇圧ショットキー・ダイオード、必要な発振器、制御回路、ロジック回路を1個のチップに搭載しています。電流モード方式を採用することにより、過渡応答が高速で、優れたループ安定性が得られます。高い動作周波数によって小型で低コストのインダクタやセラミック・コンデンサを使用可能なので、ソリューション全体のサイズを最小限に保ちながら、出力リップルを低く抑えます。低電流のシャットダウン・モードによって消費電流を1μA以下まで低減するとともに、RUN/SSピンの抵抗とコンデンサによって出力電圧ランプを制御します(ソフトスタート)。パワーグッド・フラグは、VOUTが設定された出力電圧の90%に達していることを知らせます。LT1938は露出パッド付きの3mm×3mm DFNパッケージで供給されるので、熱抵抗を低く抑えることができます。


アプリケーション

  • 車載バッテリの安定化
  • 携帯製品の電源
  • 分配電源の安定化
  • 産業用電源
  • ACアダプタ・トランスの安定化

LT1938
25V、2.2A、2.8MHz降圧スイッチング・レギュレータ
3.3V Step-Down Converter Efficiency (VOUT = 3.3V) Product Package 1
myAnalogに追加

myAnalogの製品セクション(通知受け取り)、既存/新規プロジェクトに製品を追加する。

新規プロジェクトを作成
質問する
サポート

アナログ・デバイセズのサポート・ページはアナログ・デバイセズへのあらゆるご質問にお答えするワンストップ・ポータルです。


ドキュメント

データシート

これは最新改訂バージョンのデータシートです。

さらに詳しく
myAnalogに追加

myAnalogのリソース・セクション、既存/新規プロジェクトにメディアを追加する。

新規プロジェクトを作成

ソフトウェア・リソース

必要なソフトウェア/ドライバが見つかりませんか?

ドライバ/ソフトウェアをリクエスト

ハードウェア・エコシステム

製品モデル 製品ライフサイクル 詳細
スイッチング・レギュレータ & コントローラ 1
LTC3880 新規設計に推奨 デジタル・パワー・システム・マネージメントを搭載したデュアル出力PolyPhase降圧DC/DCコントローラ
パワー・システム・マネージメント(PSM) & シーケンサ 1
LTC2974 新規設計に推奨 正確な出力電流測定を特長とする4チャンネルPMBusパワーシステム・マネージャ
回路モニタ 1
LTC2960 新規設計に推奨 36Vナノ電流2入力電圧モニタ
保護スイッチ & コントローラ 1
LT4363 新規設計に推奨 電流制限付き高電圧サージ・ストッパー
Modal heading
myAnalogに追加

myAnalogの製品セクション(通知受け取り)、既存/新規プロジェクトに製品を追加する。

新規プロジェクトを作成

ツールおよびシミュレーション

LTspice 1


下記製品はLTspiceで使用することが出来ます。:

  • LT1938
LTspice

LTspice®は、無料で提供される強力で高速な回路シミュレータと回路図入力、波形ビューワに改善を加え、アナログ回路のシミュレーションを容易にするためのモデルを搭載しています。

 


評価用キット

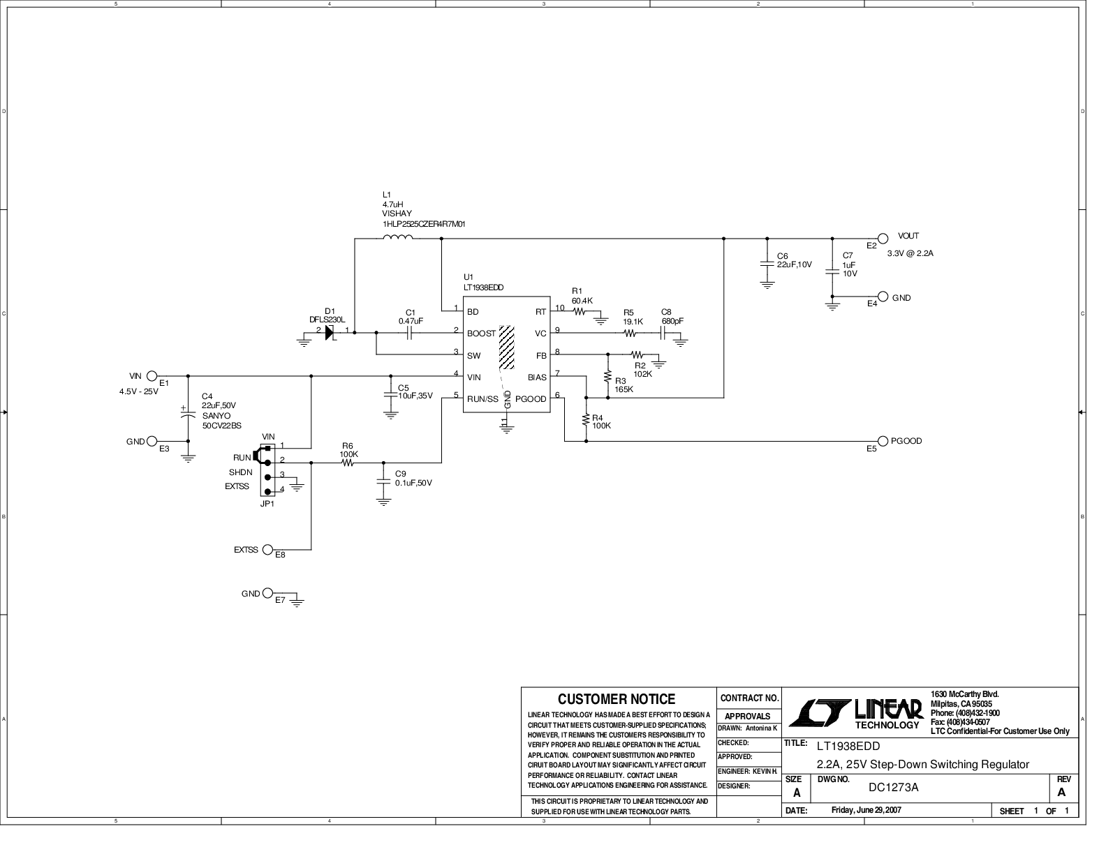
DC1273A
LT1938EDD | 25V. 2.2A, 2.8MHz Step-Down Switching Regulator
DC1273A - Schematic

最新のディスカッション

LT1938に関するディスカッションはまだありません。意見を投稿しますか?

EngineerZone®でディスカッションを始める

最近表示した製品